时间:2018-04-26 08:58
人气:
作者:admin
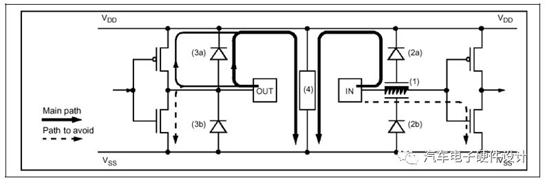
µC的电源电压必须保持在推荐的调节电压范围内。然而,根据图的情况,由于输入和输出网络上的钳位二极管的存在,可能会导致在µC的电源电路中注入电流。
输入和输出的注入电流路径的例子

根据规范需要监控的参数
- 输入/输出的峰值电流和平均电流
-所有输入/输出引脚的峰值电流和平均电流之总和。
如果注入电流高于µC的电流,则外部调节器不能完全保证其功能,而电源电压可能超过推荐的范围。特别是在低功耗模式下,如等待、停止或停止时钟电路

在设计上要检查的参数
,在输入端在最坏注入电流的情况下电源电压。
上一篇:如何消除时间与空间的距离与障碍
下一篇:一款能够颠覆传统的微型测试探针
龙腾半导体SGT MOSFET LSGT085R018在智慧农业无