时间:2018-04-05 09:19
人气:
作者:admin
MOSFET因导通内阻低、开关速度快等优点被广泛应用于开关电源中。MOSFET的驱动常根据电源IC和MOSFET的参数选择合适的电路。下面一起探讨MOSFET用于开关电源的驱动电路。
在使用MOSFET设计开关电源时,大部分人都会考虑MOSFET的导通电阻、最大电压、最大电流。但很多时候也仅仅考虑了这些因素,这样的电路也许可以正常工作,但并不是一个好的设计方案。更细致的,MOSFET还应考虑本身寄生的参数。对一个确定的MOSFET,其驱动电路,驱动脚输出的峰值电流,上升速率等,都会影响MOSFET的开关性能。
当电源IC与MOS管选定之后,选择合适的驱动电路来连接电源IC与MOS管就显得尤其重要了。
一个好的MOSFET驱动电路有以下几点要求:
(1) 开关管开通瞬时,驱动电路应能提供足够大的充电电流使MOSFET栅源极间电压迅速上升到所需值,保证开关管能快速开通且不存在上升沿的高频振荡。
(2) 开关导通期间驱动电路能保证MOSFET栅源极间电压保持稳定且可靠导通。
(3) 关断瞬间驱动电路能提供一个尽可能低阻抗的通路供MOSFET栅源极间电容电压的快速泄放,保证开关管能快速关断。
(4) 驱动电路结构简单可靠、损耗小。
(5) 根据情况施加隔离。
下面介绍几个模块电源中常用的MOSFET驱动电路。
1、电源IC直接驱动MOSFET

图1 IC直接驱动MOSFET
电源IC直接驱动是我们最常用的驱动方式,同时也是最简单的驱动方式,使用这种驱动方式,应该注意几个参数以及这些参数的影响。第一,查看一下电源IC手册,其最大驱动峰值电流,因为不同芯片,驱动能力很多时候是不一样的。第二,了解一下MOSFET的寄生电容,如图1中C1、C2的值。如果C1、C2的值比较大,MOS管导通的需要的能量就比较大,如果电源IC没有比较大的驱动峰值电流,那么管子导通的速度就比较慢。如果驱动能力不足,上升沿可能出现高频振荡,即使把图 1中Rg减小,也不能解决问题!IC驱动能力、MOS寄生电容大小、MOS管开关速度等因素,都影响驱动电阻阻值的选择,所以Rg并不能无限减小。
2、电源IC驱动能力不足时
如果选择MOS管寄生电容比较大,电源IC内部的驱动能力又不足时,需要在驱动电路上增强驱动能力,常使用图腾柱电路增加电源IC驱动能力,其电路如图 2虚线框所示。

图2图腾柱驱动MOS
这种驱动电路作用在于,提升电流提供能力,迅速完成对于栅极输入电容电荷的充电过程。这种拓扑增加了导通所需要的时间,但是减少了关断时间,开关管能快速开通且避免上升沿的高频振荡。
3、驱动电路加速MOS管关断时间

图3加速MOS关断
关断瞬间驱动电路能提供一个尽可能低阻抗的通路供MOSFET栅源极间电容电压快速泄放,保证开关管能快速关断。为使栅源极间电容电压的快速泄放,常在驱动电阻上并联一个电阻和一个二极管,如图3所示,其中D1常用的是快恢复二极管。这使关断时间减小,同时减小关断时的损耗。Rg2是防止关断的时电流过大,把电源IC给烧掉。

图4改进型加速MOS关断
在第二点介绍的图腾柱电路也有加快关断作用。当电源IC的驱动能力足够时,对图 2中电路改进可以加速MOS管关断时间,得到如图 4所示电路。用三极管来泄放栅源极间电容电压是比较常见的。如果Q1的发射极没有电阻,当PNP三极管导通时,栅源极间电容短接,达到最短时间内把电荷放完,最大限度减小关断时的交叉损耗。与图3拓扑相比较,还有一个好处,就是栅源极间电容上的电荷泄放时电流不经过电源IC,提高了可靠性。
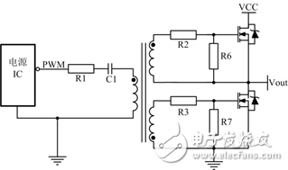
4、驱动电路加速MOS管关断时间

图5隔离驱动
为了满足如图 5所示高端MOS管的驱动,经常会采用变压器驱动,有时为了满足安全隔离也使用变压器驱动。其中R1目的是抑制PCB板上寄生的电感与C1形成LC振荡,C1的目的是隔开直流,通过交流,同时也能防止磁芯饱和。
除了以上驱动电路之外,还有很多其它形式的驱动电路。对于各种各样的驱动电路并没有一种驱动电路是最好的,只有结合具体应用,选择最合适的驱动。在设计电源时,有上述几个角度出发考虑如何设计MOS管的驱动电路,如果选用成品电源,不管是模块电源、普通开关电源、电源适配器等,这部分的工作一般都由电源设计厂家完成。
致远电子自主研发、生产的隔离电源模块已有近20年的行业积累,目前产品具有宽输入电压范围,隔离1000VDC、1500VDC、3000VDC及6000VDC等多个系列,封装形式多样,兼容国际标准的SIP、DIP等封装。同时致远电子为保证电源产品性能建设了行业内一流的测试实验室,配备最先进、齐全的测试设备,全系列隔离DC-DC电源通过完整的EMC测试,静电抗扰度高达4KV、浪涌抗扰度高达2KV,可应用于绝大部分复杂恶劣的工业现场,为用户提供稳定、可靠的电源隔离解决方案。
除了以上驱动电路之外,还有很多其它形式的驱动电路。对于各种各样的驱动电路并没有一种驱动电路是最好的,只有结合具体应用,选择最合适的驱动。
上一篇:基于视觉的安全系统在汽车应用
龙腾半导体SGT MOSFET LSGT085R018在智慧农业无