全球最实用的IT互联网信息网站!

AI人工智能P2P分享&下载搜索网页发布信息网站地图

当前位置:诺佳网 > 电子/半导体 > 模拟技术 >

开发设计外设功能灵活,开关矩阵三大要点不可

时间:2017-12-06 07:20

人气:

作者:admin

标签: ARM  开关矩阵 

导读:LPC824和LPC845是基于ARM Cortex-M0 +的低成本32位MCU系列中最具代表性的,使用范围相当广泛,而外设功能的灵活分配得益于其强大的创新性功能之一——开关矩阵(SWM)。...
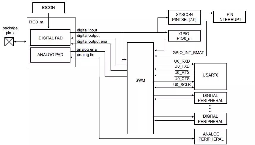
LPC8xx是基于ARM Cortex-M0 +的低成本32位MCU系列,工作频率高达30 MHz。其中LPC824和LPC845是此系列中最具代表性的,使用范围相当广泛,小巧紧凑的体积以及丰富的外设资源使其在市场当中具备强大的竞争力, 而外设功能的灵活分配得益于其强大的创新性功能之一——开关矩阵(SWM)。1开关矩阵

开关矩阵是一种内部路径可灵活配置的功能模块,可将MCU各个外设功能的信号作为开关矩阵的入口,各个复用I/O端口便是对应的出口,通过相应寄存器配置,能够把特定外设功能灵活分配到所需的引脚。在LPC8xx系列中,可以通过开关矩阵分配外设有:三路串口USART0/1/3、两路SPI0/1、SCT定时器的多路输入及输出、两路I2C1/2、ADC模块、模拟比较器ACMP输出、时钟频率输出CLKOUT及GPIO中断输出。

2主要功能及配置步骤

开关矩阵通过引脚分配寄存器将可移动功能表中列出的所有内部信号连接到封装上的外部引脚,也可以反过来将内部模块所需的信号输入分配到各个引脚。外部引脚由其默认GPIO引脚号PIO0_n标识。按照以下步骤将内部信号连接到外部引脚:

● 使能开关矩阵时钟及需要开启的外设功能时钟;

● 在可移动功能表中找到所需操作的外设功能;

● 查找LPC8xx数据手册来决定LPC8xx封装的哪个引脚连接引脚功能;

● 使用引脚描述表查找分配给封装引脚x的默认GPIO功能PIO0_n。 x是引脚号;

● 在开关矩阵寄存器描述中找到对应功能的引脚分配寄存器;

● 禁止PINENABLE0寄存器中的该引脚PIO0_n的任何特殊功能,由于有些特殊功能是默认分配在特定引脚的,如外部晶振输入,关闭后可防止功能冲突;

● 引脚编号n编程到分配给引脚功能的位中。引脚功能现在连接到封装上的引脚x。

更改引脚功能分配

3配置注意事项

某些功能需要具有特殊特性的引脚,不能移动到其他物理引脚。因此这些功能被映射到一个固定的端口引脚。 固定引脚功能的例子是振荡器引脚或比较器输入;

每个固定引脚功能都与PINENABLE0寄存器中的一个位相关,用于选择或取消选择该功能;

如果取消固定引脚功能,则可以将任何可移动功能分配给其端口和引脚;

如果取消了固定引脚功能,并且该引脚上没有可移动功能,则该引脚被分配了其GPIO功能;

复位时,取消选择所有固定引脚功能;

如果选择了固定引脚模拟功能,则其分配的引脚不能用于其他任何功能。


温馨提示:以上内容整理于网络,仅供参考,如果对您有帮助,留下您的阅读感言吧!
相关阅读
本类排行
相关标签
本类推荐

CPU | 内存 | 硬盘 | 显卡 | 显示器 | 主板 | 电源 | 键鼠 | 网站地图

Copyright © 2025-2035 诺佳网 版权所有 备案号:赣ICP备2025066733号
本站资料均来源互联网收集整理,作品版权归作者所有,如果侵犯了您的版权,请跟我们联系。

关注微信