时间:2017-12-17 07:38
人气:
作者:admin


输入:VIH>3.5V,VIL<1.5V。
可以看出TTL电平的噪声容限为0.4V,CMOS的噪声容限为1.5V。
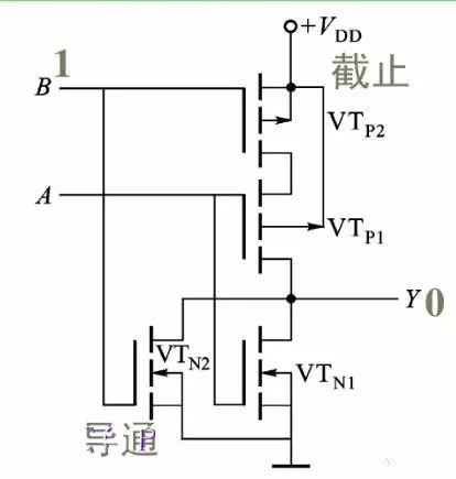
TTL和CMOS门电路结构:

如图TTL门结构,输出级采用推挽式输出结构,T4为射极跟随的形式,输出电阻小,带负载能力强。

如图CMOS门结构。

3.3V LVCMOS: Vcc:3.3V;VOH>=3.2V;VOL<=0.1V;VIH>=2.0V;VIL<=0.7V。 2.5V LVCMOS: Vcc:2.5V;VOH>=2V;VOL<=0.1V;VIH>=1.7V;VIL<=0.7V。
二、高速电平标准
在高速电路中如何实现高速驱动输出呢?要么增大驱动电流,要么降低电平标准,或者提高晶体管工作速度。显然前者会带来非常大的功耗,因此改变电平标准和改进晶体管设计成为选择,虽然低电平更容易受到干扰,所以需要更严格的硬件设计。
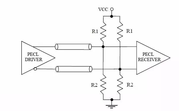
1、ECL和PECL电平接口
ECL即射极耦合逻辑(Emitter Coupled Logic)采用的是差分结构输出,并需要负电源供电。后来发展处PECL,即正电源射极耦合逻辑。基本原理就是利用晶体管工作在非饱和区来减小转换时间,大大提高转换速度。

ECL的输出管始终有电流通过,非常有利于高速转换。输出阻抗几欧姆,输出电流10mA左右,驱动能力强。
接口连接:直流耦合,适用于短距离

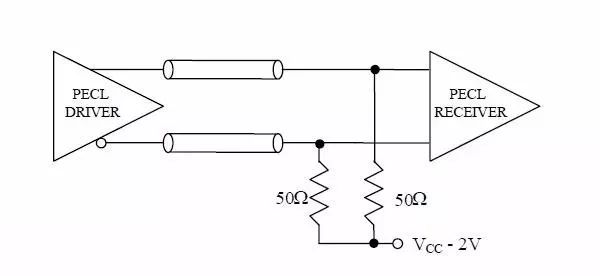
这个匹配方式由等效而来,具体阻值计算:


接口连接:交流耦合,适用于较远距离


2、LVDS电平接口
LVDS即Low-Voltage Differential Signaling,是一种利用低压差分信号传输高速信号的电平标准。特点是:低压,低功耗,噪声抑制能力强。


如图LVDS的输入和输出规格:

LVDS的连接方式:直接连接,因为片内具有端接电阻。

三、CML电平接口
CML即电流模式逻辑电平,采用恒流驱动,内置匹配电阻,使用简单,短距离高速应用中最多。

下图是几种高速接口的性能简单比较:

三、常用普通电平标准
在工业领域应用最多的应该是485 232的电平标准,两者各有优缺点,成本低,使用也比较简单,但是依然有很多技术要点可以讨论,譬如传输速度,距离,防护设计等等。




RS232和RS485的连接问题:
工作中了解到不少同学对于232或者485的连接一直有些迷糊,关于信号的收发端定义及公母头连接,一开始我也是经常摸不着头脑。以收发地三线为主。
标准的232是DB9接头:

简记为:235-收发地。
485如何利用DB9连接:
485的两根线对应DB9头的1,2脚。
232和485与MCU的连接:


四、小结
关于数字电平的标准主要就这么几种,这些都是在硬件层面的定义,在软件上对应的就有各种协议通讯方式的规定。关于接口设计确实是电路设计中的重点,尤其是在目前的高速数字通讯应用当中,我觉得主要有几个要掌握的方面:
1、信号电平的应用电路,也就是基本结构要清晰。
2、防护设计问题要考虑周全,不同接口对于负载对于匹配度的要求都不一样。
3、PCB设计的重要性,在高速设计中很多都采用EDA软件仿真的方式来协助查找关于干扰的问题,但是首要的还是要严格遵循相关规则和规范来设计。
4、实验的必要性。尤其是接口的干扰问题,尽可能全面的实验方案设计是尽快解决问题的最佳路径之一。
总之,理论基础要有,设计考虑要到,测试实验要全,如此,结果可能才好!
龙腾半导体SGT MOSFET LSGT085R018在智慧农业无