时间:2017-10-30 18:33
人气:
作者:admin
工业现场CAN环境复杂多变,工程师面对信号的杂、乱、差却是束手无策,追根溯源对于信号的各种地你接对了吗?
CAN总线以其高可靠性、实时性、灵活性以及严谨的数据处理机制等特点,在工业现场和汽车行业得到广泛应用,但随着环境干扰以及节点数目的增加等对CAN总线的稳定性提出更高的要求,而面对电源地、信号地、屏蔽地、外壳地不同的接地方式又该如何处理呢?
如图1分别是电源地、信号地、屏蔽地以及大地四种不同地的常见符号。

图1 四种接地符号
电源地(GND)1、电源地概念
电源地也为供电地,是为保证供电电源形成完整的电流回路设置的供电地,即GND。
2、电源地处理
与单电源供电的负极相连。

图2 CAN收发器电源地(GND)接线
信号地(CAN-GND)1、信号地概念
信号地也称为隔离地,为使电子设备工作时有一个统一的参考电位,避免有害电磁场的干扰,使设备稳定可靠的工作,设备中的信号电路统一参考地,即CAN-GND。
2、信号地处理
许多实际应用中,设计者常直接将每个节点的参考地接于本地的大地,作为信号的返回地,看似正常可靠的做法,却存在极大的隐患!
信号地(CAN-GND)正确的接法主要分为两种:
单屏蔽层线缆:如果线缆是单屏蔽层,信号地理想接法是使用专门的信号线将所有节点信号地连接,起到参考地的作用。但如果缺少信号地线,亦可将所有节点信号地都连接到屏蔽层,但这样屏蔽效果亦差强人意。

图3 带有屏蔽层双绞线

图4 含信号地线双绞线连接方式

图5 信号地与屏蔽层连接方式
双屏蔽层线缆:当使用双层屏蔽电缆时,需要将所有节点信号地连接到内屏蔽层,若使用非屏蔽线进行数据传输时,请保持信号地管脚悬空处理。

图6 双屏蔽层信号地处理方式
所有节点信号地接到屏蔽层或者双屏蔽层的内层后,屏蔽层处理方式注意为单点接地,不可多点接地,否则会在信号地线上形成地环流。
另外,单点接地时为了加大供电地和信号地之间的隔离电阻,阻止共地阻抗电路耦合产生的电磁干扰,注意采用隔离浮地设计,通过阻容方式将屏蔽层与外壳隔离。

图7 未进行单点接地处理的报文受到电磁干扰
屏蔽地(CAN-Shield)1、屏蔽地概念
屏蔽地(CAN-Shield)也可理解为CAN屏蔽层,部分场合也标为FG。导体外部有导体包裹的导线叫屏蔽线,包裹的导体叫屏蔽层,一般为编织铜网或铜泊(铝),屏蔽层需要接地处理,保证外来的干扰信号可被该层导入大地。

图8 单屏蔽层和双屏蔽层电缆剖析
2、屏蔽地处理
当使用双层屏蔽电缆时,CAN-Shield连接到外屏蔽层和DB9连接器的屏蔽壳。并且,使用DB9针式连接器时外屏蔽层会被连接到pin 5以保证当使用没有屏蔽连接的连接器时,可靠的接地。
多节点总线同样要求屏蔽地采用单点接地,防止形成回路,并且为浮地设计。
如下图9所示处理方式,CTM1051模块3脚为屏蔽地,5脚为信号地。

图9 双屏蔽层线中信号地、屏蔽地处理方式
外壳地1、外壳地概念
静电的电荷集聚在物体的表面,一旦遇到可以释放的回路就可以形成电流。有时候产生的电压非常高,特别是在干燥的环境里。电子产品的外壳地就是用来快速地将电荷释放到大地。
2、外壳地处理
外壳接地既是对人体安全的保护,也是防干扰的一种手段,因为一般情况下机壳是金属的,是非常好的屏蔽体,绝大部分辐射干扰都可以阻挡在机壳之外。通过地线引入的干扰(也叫共阻抗干扰),处理方法一般采用地线隔离技术,在外壳接地时接入阻抗,加入滤波等。

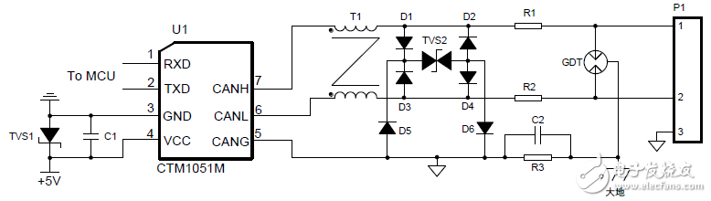
图10 信号地、屏蔽地、外壳接地连接推荐电路
3、改进方案建议
如果您在使用CAN总线进行调试时,遇到过偶尔通信出错,或者接收不到数据,再者一直正常使用的总线,突然出现大范围的错误,或者节点损坏。
如果您还是在使用单纯的CAN收发器,那么请换成隔离CAN收发器吧!ZLG致远电子的CTM隔离模块内部包含隔离DC-DC、信号隔离电路、CAN总线收发电路、基础的总线防护等。
隔离收发器可将总线和控制电路进行电气隔离,将高压阻挡在控制系统之外,可以有效地保证操作人员的人身及系统安全。不仅如此,隔离可以抑制由接地电势差、接地环路引起的各种共模干扰,保证总线在严重干扰和其它系统级噪声存在的情况下不间断、无差错运行。

图11 CAN隔离收发器推荐设计电路
下一篇:对干扰措施硬件处理方法有哪几种
龙腾半导体SGT MOSFET LSGT085R018在智慧农业无