时间:2017-09-19 16:14
人气:
作者:admin
“优势”总是和“挑战”站在一起,
即使被称为
“下一代SDR收发器中的黑魔法”,
“零中频”现在也面临一个亟待克服的挑战——
发射本振泄漏,简称“发射LOL”。
未校正的发射LOL会在所需发射范围内产生无用发射,造成潜在的违反系统规范的风险。本文论述发射LOL的问题,并介绍在ADI的RadioVerse™ 收发器系列中实现的可消除此问题的技术。如果可以将发射LOL降低到足够低的水平,使其不再导致系统或性能问题,也许人们就可以不必为LOL问题而烦恼!
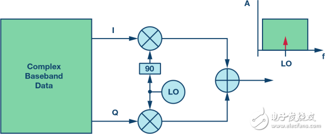
什么是LOL?RF混频器有两个输入端口和一个输出端口,如图1所示。理想混频器将产生一个输出,它是两个输入的乘积。就频率而言,该输出的频率应当是FIN+ FLO以及FIN– FLO,不含其它项。如果任一输入不在驱动状态下,则不会有输出。

图1. 理想混频器
在图1中,FIN被设置为基带频率为1 MHz的FBB,FLO被设置为本振频率为500 MHz的FLO。如果是理想混频器,它将产生一个输出,其中包含两个信号音,频率分别为499 MHz和501 MHz。
然而,如图2所示,在FBB和FLO,真实混频器还将产生一些能量。FBB处产生的能量可以忽略不计,因为它远离所需的输出,并且将被混频器输出之后的RF组件滤除。无论FBB处产生的能量如何,FLO下产生的能量都可能是一个问题。它非常接近或在所需的输出信号内,并且很难或无法通过滤波去除,因为滤波也会滤除所需的信号。

图2. 真实混频器
LO应该用小一号或两号的字体下产生的这种无用能量被称为LOL。可驱动混频器的本振 (LO) 已经泄漏到混频器的输出端口。LO还有其他途径可以泄漏到系统输出端,例如通过电源或跨越硅本身。无论本振如何泄漏,其泄漏都可被称为LOL。
在只发射一个边带的实信号中频架构中,可以通过RF滤波解决LOL问题。相比之下,在发射两个边带的零中频架构中,LOL位于所需输出的中间,并形成了难度更高的挑战(见图3)。

图3. FLO下产生的无用能量(以红色显示),FLO下产生的这一无用能量被称为LOL
传统滤波不再是一种选择,因为任何去除LOL的滤波也会去除部分所需发射信号。因此,必须使用其他技术来消除LOL。否则,它最终在整个所需发射范围内可能会成为无用发射。
生成幅度相等但相位与LOL相反的信号即可实现LOL消除,从而将其抵消,如图4所示。假设我们知道LOL的确切幅度和相位,则可以对发射器输入施加直流失调来生成抵消信号。

图4. LO泄漏和抵消信号
复数混频器架构适用于生成抵消信号。由于混频器中存在LO频率的正交信号(它们是复数混频器如何工作的关键),因此允许生成任何相位和幅度的LO频率信号。
用于驱动复数混频器的正交信号可以描述为Sin(LO)和Cos(LO) —这些是LO频率的正交信号,可以驱动两个混频器。为了生成抵消信号,这些正交信号以不同的权重相加。就数学而言,我们可以产生一个输出,即I × Sin(LO) + Q × Cos(LO)。运用不同的带符号值代替I和Q,得到的和将是LO频率信号,并且可以具有任何所需的幅度和相位。示例如图5所示。

图5. 生成的任何相位和任何幅度抵消信号的示例
所需的发射信号将需要应用于发射器的输入。对发射数据施加直流偏置后,混频器的输出端将包含所需的发射信号以及所需的LOL抵消信号。特意生成的抵消信号将与无用的LOL组合抵消,仅留下 所需的发射信号。
如图6所示,使用观测接收器来观测发射LOL。在该示例中,观测接收器使用与发射器相同的LO,因此LO频率的任何发射能量都将在观测接收器的输出端显示为直流。
图6. 观测与校正TxLO泄漏的基本概念
图6所示的方法有其内在缺陷:使用相同的LO来发射和观测,发射LOL将在观测接收器的输出端显示为直流。由于电路中的元件不匹配,观测接收器本身将具有一定量的直流,因此观测接收器的总直流输出将是发射链路中存在的发射LOL与观测链路原生直流失调。有一些方法可以克服这个问题,但是更好的方法是使用不同的LO频率进行观测,从而将观测路径中的原生直流从发射LOL观测结果中分离出来。这种情况如下面的图7所示。

图7. 使用不同LO发射和观测
由于使用了不同于发射LO的频率来观测,因此在观测接收器中,发射LO频率的能量不会以直流出现。相反,它将显示为频率等于发射LO与观测LO之差的基带信号音。观测路径中的原生直流仍然会以直流出现,因此会将观测直流与发射LOL测量结果完全分离。
为简单起见,图8使用单一混频器架构说明了这一概念。在该示例中,发射器的输入为零,因此其唯一输出是发射LOL。频移在观测接收器之后完成,将发射LOL观测到的能量移动到直流。

图8. 从Tx LOL分离观测接收器直流
将观测接收器的输出除以从发射输入到观测接收器输出的传递函数,并将得出的结果与预期发射进行比较,找出所需的校正值。涉及的传递函数如图9所示。

图9. 从发射器输入到观测接收器输出的传递函数
从发射器基带输入到观测接收器基带输出的传递函数由幅度缩放和相位旋转两部分组成。下文对此分别做了更详细的说明。
图10表明如果从发射输出到观测接收器输入的回送路径中具有增益或衰减,或者如果发射器电路的增益与观测接收器电路的增益不同,则观测接收器报告的发射信号的幅度可能不代表所发射信号的实际幅度。

图10. 回送路径衰减引起的幅度缩放
现在来看相位旋转。重要的是要意识到信号不会从点A瞬间传输到点B。例如,信号以约光速的一半速度经过铜,这表示沿铜条传输的3 GHz信号的波长约为5厘米。这意味着如果使用间隔几厘米的多个示波器探头探测铜条,则示波器将显示彼此不同相位的多个信号。图11对这一原理进行了说明,图中所示为沿铜条隔开的三个示波器探头。每个点看到的信号频率为3 GHz,但三个信号之间存在相位差。
图11. 距离与相位的关系,5 cm走线,3 GHz信号,以及0 cm、2 cm和4 cm处的探头点
需要注意的是,沿铜带移动单个示波器探头将不会显示此效应,因为示波器将始终在0°相位触发。只有使用多个探头才能观测到距离与相位之间的关系。
正如沿铜条出现相位变化一样,从发射器输入到观测接收器输出将发生相位变化,如图12所示。LOL校正算法必须知道发生了多少相位旋转,以便计算出正确的校正值。

图12. 回送路径中物理距离引起的相位旋转
确定从发射输入到观测接收器输出的
传递函数
施加发射器输入信号并将其与观测接收器的输出进行比较即可得到图13所示的传递函数。但有些要点需要牢记。如果静态 (dc) 信号被施加到发射器输入,它将产生一个发射LO频率的输出,并且发射LOL将与其相结合。这将会妨碍正确得到传递函数。还应注意,发射输出端可以连接到天线,因此故意向发射器输入端施加信号可能是不被允许的。

图13. 确定从发射器输入到观测接收器输出的传递函数
为了解决这些挑战,ADI收发器使用一种将低电平直流失调应用于发射信号的算法。周期性调整失调电平,观测接收器的输出会显示这些扰动。然后,该算法分析比较观测值增量与输入值差值,如表1所示。在该示例中,没有发射用户信号,但是该方法在用户信号存在时仍然适用。
表1. 观测值增量与输入值增量的比较

执行两种情况的减法,从等式中消除恒定发射LOL,即可获得传递函数。可以扩大到两种情形以上,可对许多独立结果取平均值以提高准确性。
小结LOL校正算法将能学习从发射输入到观测接收器输出的传递函数。然后将观测接收器的输出除以传递函数,得出发射器的输入。将预期发射的直流电平与观测到的发射直流电平进行比较,即可确定发射LOL。最后,该算法将计算消除发射LOL所必需的校正值,并将其作为直流偏置应用于所需的发射数据。
原文转自亚德诺半导体
龙腾半导体SGT MOSFET LSGT085R018在智慧农业无