全球最实用的IT互联网站!
人工智能P2P分享搜索全网发布信息网站地图标签大全
什么是二极管的死区电压?为什么会出现死区电
阅读全文2023-09-17
为什么硅二极管的死区电压比锗二极管的死区电
二极管中的死区电压和导通电压有什么区别吗?
mos管可以用来转电源极性吗?
自举二极管作用
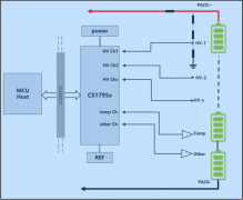
芯海科技推出全国产化高可靠SAR ADC CS1795X和CS17
阅读全文2023-09-16
深入探讨电解电容的作用、应用场景及其优势
一种增加音箱声卡的OTG功能的设计
第五届模拟半导体大会|芯海科技重磅发布全国产
IGBT器件栅极电压波形振荡的原因?
数字电压表设计教程之LTC2308数据手册解读
慧能泰负载开关HUSB305A产品介绍
德州仪器新型单级转换器助力微型逆变器
IGBT短路失效分析
CPU | 内存 | 硬盘 | 显卡 | 显示器 | 主板 | 电源 | 键鼠 | 网站地图
Copyright © 2025-2035 诺佳网 版权所有 备案号:赣ICP备2025066733号 本站资料均来源互联网收集整理,作品版权归作者所有,如果侵犯了您的版权,请跟我们联系。