全球最实用的IT互联网站!
人工智能P2P分享搜索全网发布信息网站地图标签大全
双向开关的介绍/特性/结构/功能
阅读全文2023-06-27
精密低功耗信号链:到交流电,还是不到交流电
精密低功耗:推出超低功耗、直流耦合输入信号
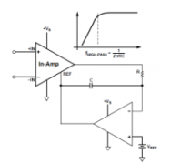
精密低功耗:了解生物电位信号链中的CMRR和RLD
精密低功耗信号链:具有可配置性的独特交流耦
精密宽带宽输出信号链
快速精密DAC应用:硬件在环(HiL)
快速精密DAC与高速DAC:异同
精密DAC如何快速为您的精密驱动信号链增加价值
数字电路知识点整理
数字电压表设计教程之LTC2308数据手册解读
慧能泰负载开关HUSB305A产品介绍
德州仪器新型单级转换器助力微型逆变器
IGBT短路失效分析
CPU | 内存 | 硬盘 | 显卡 | 显示器 | 主板 | 电源 | 键鼠 | 网站地图
Copyright © 2025-2035 诺佳网 版权所有 备案号:赣ICP备2025066733号 本站资料均来源互联网收集整理,作品版权归作者所有,如果侵犯了您的版权,请跟我们联系。