全球最实用的IT互联网站!
人工智能P2P分享搜索全网发布信息网站地图标签大全
直流误差预算计算器简化了最佳电流检测放大器
阅读全文2023-04-18
什么是运放噪声频率曲线?怎么算噪声值?只需
三极管原理特性介绍,课堂上可不这么讲!
模拟地、数字地、主地,你的PCB地线走的对吗?
深度理解运放增益带宽积
虚短虚断是怎么来的?为什么运放放大倍数不能
您的模数转换器是好是坏可能只取决于它的电源
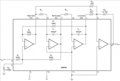
基于UAF42的50Hz陷波器设计与仿真
仿真ADC的前端
萨科微半导体与猎芯网同进共赢——专访猎芯网
数字电压表设计教程之LTC2308数据手册解读
慧能泰负载开关HUSB305A产品介绍
德州仪器新型单级转换器助力微型逆变器
IGBT短路失效分析
CPU | 内存 | 硬盘 | 显卡 | 显示器 | 主板 | 电源 | 键鼠 | 网站地图
Copyright © 2025-2035 诺佳网 版权所有 备案号:赣ICP备2025066733号 本站资料均来源互联网收集整理,作品版权归作者所有,如果侵犯了您的版权,请跟我们联系。