全球最实用的IT互联网站!
人工智能P2P分享搜索全网发布信息网站地图标签大全
萨科微slkor品牌的SL4275介绍和应用
阅读全文2023-04-18
萨科微slkor品牌的SL8402介绍和应用
国产射频滤波器年产12万片晶圆厂落地温州
模数转换器中的混叠:并不是所有的信号都像其
大电流放大器应用做得更为小巧
射频采样:数字混频器能使混频操作妙趣横生
艾迈斯欧司朗发布高性价比塑料封装的75W边发射
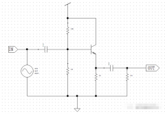
射极跟随器仿真设计
阅读全文2023-04-17
运算放大器仿真设计
优质充电器ic U65133帮你排解续航焦虑
数字电压表设计教程之LTC2308数据手册解读
慧能泰负载开关HUSB305A产品介绍
德州仪器新型单级转换器助力微型逆变器
IGBT短路失效分析
CPU | 内存 | 硬盘 | 显卡 | 显示器 | 主板 | 电源 | 键鼠 | 网站地图
Copyright © 2025-2035 诺佳网 版权所有 备案号:赣ICP备2025066733号 本站资料均来源互联网收集整理,作品版权归作者所有,如果侵犯了您的版权,请跟我们联系。