全球最实用的IT互联网站!
人工智能P2P分享搜索全网发布信息网站地图标签大全
单晶硅刻蚀工艺流程
阅读全文2023-03-30
TPS23754输出短路问题分析及解决方案
Aurora IP建立仿真及测试
什么是隔离数字输入
一颗模数转换器芯片(ADC12DJ3200)的结构原理及特
阅读全文2023-03-29
7.5W高精度原边控制电源芯片U95133介绍
针对模拟信号,再作一些详细说明
日本电产三协推出可支持AC伺服电机的“S-FLAGⅡ”
高端电流检测测量:电路和原理
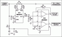
两个IC将4-20mA信号转换为0-5V输出
数字电压表设计教程之LTC2308数据手册解读
慧能泰负载开关HUSB305A产品介绍
德州仪器新型单级转换器助力微型逆变器
IGBT短路失效分析
CPU | 内存 | 硬盘 | 显卡 | 显示器 | 主板 | 电源 | 键鼠 | 网站地图
Copyright © 2025-2035 诺佳网 版权所有 备案号:赣ICP备2025066733号 本站资料均来源互联网收集整理,作品版权归作者所有,如果侵犯了您的版权,请跟我们联系。