全球最实用的IT互联网站!
人工智能P2P分享搜索全网发布信息网站地图标签大全
能源电力“一带一路”的战略问题及其教育中的
阅读全文2018-07-09
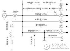
新型零序电流含DG新型配电网的接地选线方法
山东省内首个“新能源分布式发电及微电网实验
迪拜水电局拟3年内投资31亿美元建设输电项目
安凯特电缆签订超1.45亿欧元合同,为英国安装海
滕特公司与德国KIT合作研究超导电缆系统
国内首批纳入电网统一协调控制的电网侧储能电
基于多智能体一致性算法分布式协同的能源互联
图文解析:智能电表的结构和特点
微电网与大电网信息交互的方法是什么?其装置
上海贝岭新一代国网电表内置负荷开关驱
车机DAB功能验证方法论及测试三神器简介
泰克示波器+IMDA软件优化光伏发电系统的
【新闻中心】智唤建筑 电联未来|2025年江
CPU | 内存 | 硬盘 | 显卡 | 显示器 | 主板 | 电源 | 键鼠 | 网站地图
Copyright © 2025-2035 诺佳网 版权所有 备案号:赣ICP备2025066733号 本站资料均来源互联网收集整理,作品版权归作者所有,如果侵犯了您的版权,请跟我们联系。