LM3645 是一款四路 LED 闪光灯驱动器,可在较小的解决方案尺寸内提供高水平的可调节性。LM3645 利用同步升压转换器为四路 2A 恒流 LED 源供电。四路 256 电平电流源可灵活调整 LED1、LED2、LED3 和 LED4 之间的电流比,每个驱动器能够提供最大 2A 电流。自适应调节方法可确保电流源保持稳压并最大限度地提高效率。
*附件:lm3645.pdf
LM3645 的功能通过 I2C 兼容接口进行控制。这些功能包括:双硬件闪存引脚和硬件割炬或 Tx 中断引脚(STR1、STR2 和 TORCH/TX)以及双 NTC 热敏电阻监视器。该器件在每个输出支路中提供独立可编程的电流,以在闪光灯或电影模式 (Torch) 状态下驱动 LED,以及快速开启和关闭 IR 模式。
两种开关频率选项、过压保护 (OVP) 和可调电流限制允许使用微型薄型电感器和 10μF 陶瓷电容器。该器件的工作环境温度范围为–40°C至+85°C。
特性
- 四路独立 LED 电流源可编程性
- 精确且可编程的 LED 电流范围为 0.525 mA 至 2 A
- 低电量条件下优化闪光灯 LED 电流 (IVFM)
割炬模式(100 mA)和闪光模式(1 A 至 2 A)的效率为 85%
- 接地阴极 LED作,可改善热管理
- 双硬件频闪启用(STR1、STR2)
- RF 功率放大器脉冲事件的同步输入 (TORCH/TX)
- 硬件割炬启用 (TORCH/Tx)
- 双远程 NTC 监控(TEMP1、TEMP2)
- 固定输出电压模式
- 1MHz I2C 兼容接口
参数

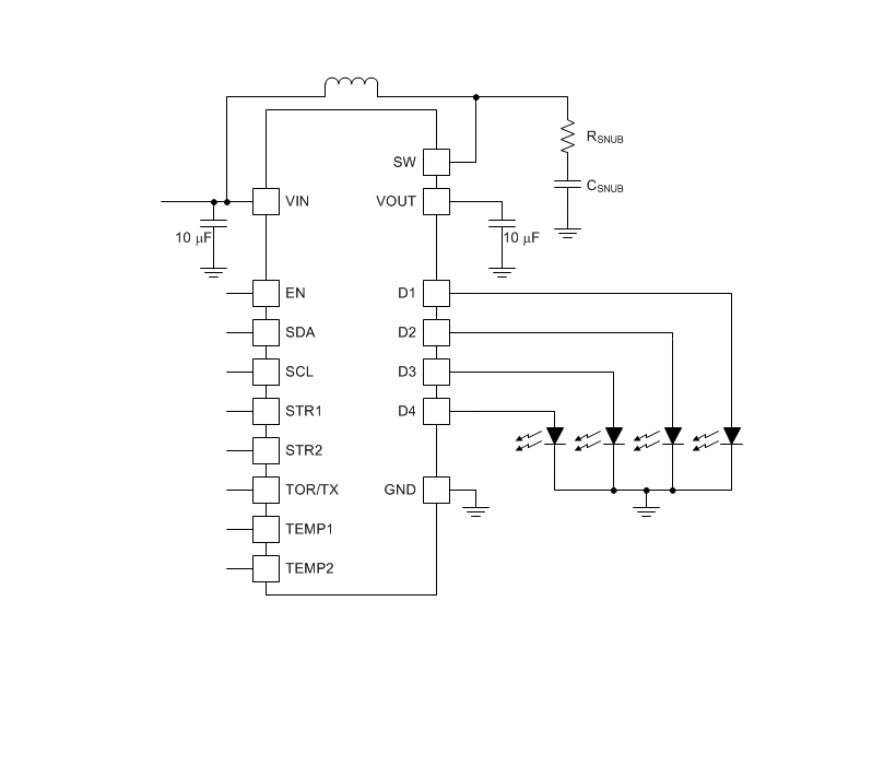
方框图

产品概述
LM3645是德州仪器(TI)推出的一款同步升压四路LED闪光驱动器,具有2A高边电流源,主要特点包括:
- 四路独立可编程LED电流源
- 精确可编程的LED电流范围(0.525mA至2A)
- 低电池条件下的优化闪光LED电流(IVFM功能)
- 高效率:手电筒模式(100mA)和闪光模式(1A至2A)下>85%
- 阴极接地LED操作,改善热管理
关键特性
- 电气特性:
- 输入电压范围:2.3V至5.5V
- 输出电流:每路最高2A
- 开关频率:2MHz或4MHz可选
- 控制接口:
- 1MHz I²C兼容接口(I²C地址=0x65)
- 双硬件闪光使能引脚(STR1, STR2)
- 硬件手电筒使能(TORCH/TX)
- 保护功能:
- 过压保护(OVP)
- 欠压锁定(UVLO)
- 热关断(TSD)
- LED短路/开路保护
- 双远程NTC监控(TEMP1, TEMP2)
应用领域
- 手机相机白光LED闪光
- 数码相机
- 条形码扫描器
- 手持数据终端
功能描述
- 工作模式:
- 闪光模式:电流范围7.325mA至2A
- 手电筒模式:电流范围0.525mA至360mA
- IR模式:快速开关控制
- 电压模式:可作为通用电源(4.0V/4.5V/5.0V/5.2V可选)
- 高级功能:
- 输入电压闪光监控(IVFM):根据输入电压调整闪光电流
- 热管理:NTC温度监测和热比例回退
- 功率放大器同步(TX模式):在PA发射事件期间降低闪光电流
封装信息
- 封装类型:25引脚DSBGA(YCG)
- 尺寸:2.192mm × 1.927mm
- 工作温度范围:-40°C至+85°C
设计要点
- 需要外部1Ω电阻和4nF电容组成缓冲电路
- 推荐使用10μF输入和输出陶瓷电容
- 电感选择:0.47μH或1μH
- 布局建议:输入/输出电容靠近芯片,避免逻辑信号线靠近SW节点
该器件通过高度集成和可编程性,为多LED闪光应用提供了紧凑且高效的解决方案。