时间:2023-08-03 11:50
人气:
作者:admin
工程师,在开发电路项目,经常会遇到一些电源电路设计的需求,比如在智能家居的新风系统项目中,由于
PM2.5传感器的工作电源为5.0V
单片机的工作电源为5.0V
WIFI射频模块的工作电源为5.0V
电机驱动芯片的工作电源为5.0V
所以在设计电源电路,工程师一般会选择将输入的直流DC12V或者DC24V转换成5.0V,用以提供其他电路系统的工作电源。
电路系统
对于将不同输入电压转换成5.0V输出的电路,工程师都很容易设计出相应的方案与详细原理图。具体的方案可以参考
(1)如果在不考虑功耗的条件下,工程师可以选择78M05电源芯片就可以实现;
(2)如果需要实现输出电压可调的功能,工程师可以选择LM2734电源芯片就可以实现;
(3)如果需要带有使能Enable的功能,工程师也可以选择ME2108电源芯片机可以实现;
虽然这些78M05、LM2734以及ME2108型号的电源芯片设计方案,都能满足5.0V的电压输出要求,但却有一个功能无法提供,这个功能就是无法控制电源的输出电流大小,以达到限流的效果。
什么叫做设定电源的输出电流大小?或者什么叫做电源输出电流的限流效果?可以列举案例说明
电路项目案例
78M05电源芯片输出5.0V电压 & 1.5A电流,同时驱动两个不同的A负载与B负载,其中A负载的消耗电流为0.6A,B负载的消耗电流为0.4A;
显然在此电路应用中,78M05电源芯片的功能可以达到设计要求;但若由于A负载过载过流,消耗的电流大于0.6A,例如达到1.2A;此时A负载与B负载总计消耗的电流1.2A + 0.4A = 1.6A,超过了78M05电源芯片最大的输出电流1.5A,进而影响B负载的正常工作;
项目案例
此项目案例中,为了使A负载与B负载在工作中互不产生影响,互不干涉,工程师需要在78M05电源芯片输出电路中,引入限流功能;比如
在78M05电源芯片驱动A负载电路中,引入0.8A的限流功能,使A负载最大的工作消耗电流只能被限流在0.8A;
在78M05电源芯片驱动B负载电路中,引入0.5A的限流功能,是B负载最大的工作消耗电流只能被限流在0.5A;
加入限流功能,即使A负载出现过载过流问题,也不会影响B负载的正常工作;同样即使B负载出现过载过流问题,也不会影响A负载的正常工作;这样就达到了A负载与B负载互不影响、互不干涉的效果,增加了电路系统的工作可靠性;
那么针对这个电源芯片限流的功能问题,工程师该如何去解决?有没有一个比较成熟的电路方案能达到此要求?
答案是肯定的,BL2554限流开关芯片及其应用方案就能很好地解决了此类问题
BL2554限流开关芯片基本电路特性
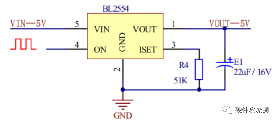
BL2554芯片作为限流开关类型的芯片,主要作用就是可以通过调节外部的电阻阻值大小,设定输出的电流大小;其引脚定义图

BL2554引脚定义
Pin 1引脚VOUT:芯片的电压电流输出引脚;
Pin 2引脚GND:芯片的参考地引脚;
Pin 3引脚ISET:芯片的限流设置功能引脚;
Pin 4引脚ON:芯片的使能Enable控制引脚;
Pin 5引脚VIN:芯片的电压输入引脚;
其中芯片的输入电压范围为2.5V5.5V,限制的电流范围为0.15A1.3A;由于输入VIN与输出VOUT之间损耗电阻阻值大约为250mΩ,因此输入与输出之间的电压几乎相等;
输入电压为5.0V,输出电压也为5.0V;
输入电压为3.3V,输出电压也为3.3V;
忽略250mΩ电阻两端产生的压降差
如何设定BL2554限流开关芯片的输出电流
如何设定BL2554限流开关芯片的输出电流大小呢?这是工程师在应用此类方案最核心关注的问题。
在BL2554芯片的基本电路特性中,限流功能主要是通过设置调节Pin 3引脚ISET的电阻阻值来实现;具体的对应关系

BL2554应用电路图
a)R4电阻阻值53K,芯片输出的电流限制在0.5A;
b)R4电阻阻值25K,芯片输出的电流限制在1.0A;
c)R4电阻阻值20K,芯片输出的电流限制在1.3A;
d)R4电阻阻值51K,芯片输出的电流限制在520mA;
e)R4电阻阻值30K,芯片输出的电流限制在873mA;
工程师利用此电阻阻值的变化,就可以调节输出电流的限流大小。
BL2554芯片的项目应用
在了解完BL2554芯片的电路特点之后,工程师就可以解决项目实际开发中存在的问题。还是以78M05电源芯片的项目案例说明

BL2554应用系统图
在78M05电源芯片输出端与A负载和B负载之间,加入BL2554限流开关芯片,就可以实现A负载与B负载互不影响、互不干涉的效果;
当A负载的工作电流超过BL2554芯片的限流电流873mA,BL2554芯片则会关闭输出,使A负载停止工作,从而达到保护78M05电源芯片的作用,进而达到不会影响B负载的工作效果;B负载工作原理与之类似;
最后的结语
在研究BL2554芯片特性,虽然能解决部分的电路设计问题,但与此同时也发现它也存在一些不足之处
BL2554芯片的工作电压,只有2.5V~5.5V,对于其他电压等级如12V或者24V的电路项目,则不适用;
BL2554芯片的限流设定,没有具体的量化计算公式,只是给出部分的电阻阻值与电流对应关系,技术参数资料还有待完善;
BL2554芯片的本质是一个MOS管,工程师也可根据项目的应用需求,使用分立的MOS管搭建属于自己的限流开关电路;
不知大家在,对于限流电路设计的问题,是如何解决的?
来源:芯片哥
审核编辑:汤梓红