时间:2022-06-27 17:46
人气:
作者:admin
在日常的设计,应用中,单节锂电池,或者两节、三节、四节锂电池并联是最普遍的方式了,因为在IC 选型和设计上比较容易或者多样化。当两节/双节锂电池串联应用时,就要用到另外的双节/两节锂电池保护 IC 和充电 IC。双节/两节锂电池串联保护芯片和 IC 电路:
FS7022 是由两串 3.8V/4.35V也就是8.7V高压锂电池串联的保护IC芯片或保护电路
FS7022B 是由两串 3.7V/4.2V 也就是8.4V高压锂电池串联的保护IC芯片或保护电路。

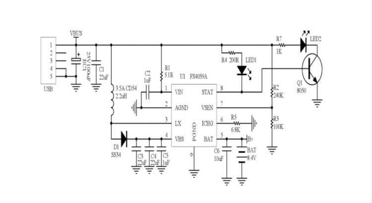
双节两节锂电池串联充电芯片和与FS7022B搭配电路:USB: 5V 输入,给两节8.4v串联的锂电池升压充电芯片FS4059A与 FS7022B两节串联的锂电池保护芯片,组合电路如下: 需要注意的是这颗升压IC只合适小电流充电放电方案适用,因为BAT脚耐压过底才8.8V。
请注意:FS4059A若电池给马达类或大功率负载供电工作过程中产生的反击倒灌电压比较高容易导致芯片击穿损坏。 必须在负载电源增加功率二极管和电解电容滤波。

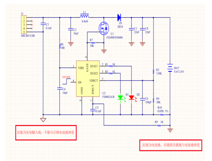
双节两节锂电池串联充电芯片和与FS7022B搭配电路:USB: 5V 输入,给两节8.4v串联的锂电池升压充电芯片FS4062A与FS7022B两节串联的锂电池保护芯片,这颗芯片支持8.4V2A充电电流,因为放电不过BAT脚所以这颗芯片适合各种大电流两串锂电池充电方案。


输入降压型DC : 9V,12V 输入,给两节串联的锂电池充电芯片-FS4058B
与 PL7022B 两节串联的锂电池保护芯片,组合电路如下:

