时间:2023-07-11 16:57
人气:
作者:admin
一
概述
S120设备中间回路电容有储能、平稳电压及滤波等作用,给变频器逆变部分提供一个稳定的直流电源,以免出现剧烈的波动。
电容中间介质不可能绝对不导电,当电容器两端施加直流电压时,会有漏电流产生。电容器的储存期越长,氧化膜被破伤的可能性越大。如果是大容量的电解电容器长时间的被搁置、停止使用,则导致电解电容器内部的电解液成分有挥发损失甚至干涸的可能,使得漏电流增多,此时如果被急剧地施加一个较高的电压,电容器由于温度快速升高可能会损坏。
原则上,如果S120变频器停止使用时间超过两年,则需对直流母线进行缓慢的充电,即所谓的“老化”。充电“老化”的目的是恢复直流母线电容的能力,变频器才能正常投入使用。出于对电容器的保护,在给电容施加一个电压的同时要限制充电电流,防止电流过大对电容器造成冲击,甚至导致电容器烧毁。
二
直流回路电容器充电时间
S120设备(整流装置、电机模块和功率模块)存放超过两年后,必须重新给直流母线电容器充电,充电时间为每增加1年对应充电时间增加1小时。如果不重新充电,设备可能会在加载直流母线电压后出现损坏现象。如果在生产后的两年内进行过上电调试,则无需为直流母线电容器充电。
生产时间可以从铭牌上的工厂编号获取。
注意:储存时间应自生产的时间起计算,而不是自交货时间起计算。
生产时间可以根据铭牌查看出来,见图 1 :

图 1 模块铭牌示例
具体生产时间可由以下的字符组合推导出:见表1。

表1 生产时间表
在确定要对设备进行充电后,需要满足下面的要求:
三
自建充电回路
根据充电的要求,可以通过自行搭建的充电回路来实现对设备电容器的充电,搭建充电电路可以借助白炽灯或PTC电阻,充电电路可参见下面的步骤。
01 书本型电机模块和整流模块的充电
在充电时,一定电压和一定范围内的电流会注入直流母线电容器,再次建立电容器工作时所需的内部环境。
充电电路可以借助白炽灯或 PTC 电阻建立
充电回路的元器件(建议)
危险:
直流母线电容器的剩余电荷可引发电击危险。
由于直流母线电容器的作用,在切断电源后的 5 分钟内仍有危险电压,接触带电部件会造成人员重伤,甚至死亡。
5分钟之后才可以打开直流母线的保护盖,确认无电压。
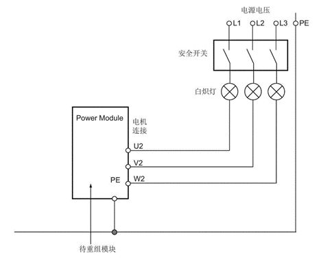
说明:电源模块是通过相连电机模块充电,参见电源模块的充电电路。

图2 带白炽灯的电源模块充电电路

图3 带 PTC 电阻的电源模块充电电路

图4 带白炽灯的电机模块充电电路

图5 带PTC电阻的电机模块充电电路
步骤
请务必在给直流母线电容器充电前,卸下直流母线母排!
请确保设备不会接收到上电指令,例如:通过键盘、BOP20 或端子台获得指令。
接通充电回路。
充电期间白炽灯必须变暗/熄灭。如果白炽灯持续保持明亮状态,则表明设备或者布线存在故障。
在采用 PTC 电阻的充电回路中,模块的充电时间必须至少达1小时。设备有故障时,电阻会变热,表面温度超出80℃。
02 装机装柜型电机模块和整流模块的充电
维修或更换部件时的步骤:
备用的电源模块或电机模块以及各自的备用功率单元存放超过两年时,必须重新给这些模块充电。在空载情况下为直流母线电容器加载额定电压至少30分钟,便可以完成充电。为此必须首先预充电直流母线,也就是给电源模块通电,在上面规定的时间段内电机模块不允许有控制使能。
充电回路的元器件(建议)
警告:
灯座的非绝缘式安装会导致电击危险,使用两个串联的白炽灯时,灯座的绝缘层不适合 3 AC 500 到 690 V 的高压。
接触带电部件可导致重伤或死亡。在3AC500到690V的电源电压下对串联的两个灯座进行绝缘安装并防止其被接触到。
电源模块的充电回路
电源模块必须由与电机模块相连的直流母线供电。

图6电源模块的充电电路
电机模块的充电回路

图7 电机模块的充电电路
步骤
准备充电的设备不允许接收任何接通指令,例如:接收来自键盘、BOP20
或端子排的指令。
连接相应的充电回路。
在直流母线电压不再上升时,充电结束。
03 功率单元PM240-2的充电
充电回路的元器件(建议)

图 8带白炽灯的功率模块3AC充电电路

图 9带电阻的功率模块3AC充电电路

图 10带电阻的功率模块1AC充电电路
**步骤 **
危险:断开后5分钟内,由于直流母线电容器的作用,设备仍残余有危险电压。至少须等待五分钟,才可以在设备或直流母线端子上展开作业。