网站首页

人工智能P2P分享搜索全网发布信息网站地图标签大全

当前位置:诺佳网 > 电子/半导体 > 嵌入式技术 >

推挽直流-交流逆变器电路图

时间:2023-07-13 08:50

人气:

作者:admin

标签: 变压器  电感器 

导读:下面是它的工作原理。首次通电时,它会正向偏置两个晶体管。如果它们都处于导通状态,它们只会将变压器和输入源短路。...

最简单的一个是称为Royer 振荡器的自由运行转换器。它在 1954 年由 Bright 和 Royer 申请了专利(我不知道为什么这个电路没有带有第二位合著者的名字)。零件清单示例:Q1、Q2-2N6487(或用于低功率应用的 ZTX849);R1=4.7 欧姆,R2=470 欧姆。

下面是它的工作原理。首次通电时,它会正向偏置两个晶体管。如果它们都处于导通状态,它们只会将变压器和输入源短路。然而,实际上,Q1 和 Q2 不会同时“导通”,因为它们的特性永远不会完全相同并且它们的基极驱动绕组异相。

4e45faa0-20ac-11ee-962d-dac502259ad0.png    

基于Royer的逆变器原理图 实际上,其中一个(比如 Q1)会导通更多,一些电压会出现在变压器的初级绕组上。这反过来又在基极绕组中感应出这种极性的电压,它们驱动 Q1 进一步进入饱和状态,并驱动 Q2 进入截止状态。当电流流过 Q1 和初级的一半时,磁芯中的磁通量随时间线性增加。

当通量不能进一步增加时,在某一时刻它将接近饱和。所有绕组上的电压将降至零,然后极性反转。这将导致 Q2 导通,Q1 处于截止状态。这个自振荡过程将继续,并且将在输出端产生一个双极矩形电压。它的频率取决于磁芯饱和所需的时间。我们可以从法拉第定律推导出Vin=4×N1×F×B×Ac×10 - 8,其中Ac-磁芯的横截面积,单位为sq.cm,B-饱和磁通,单位为高斯。

因此,要获得所需的频率F,需要选择N1×Ac=Vin×10 8 /4×F×B的变压器。然后根据所需输出选择次级匝数:N2=N1×Vout/Vin。该电路的主要缺点是频率不稳定,方波输出,缺乏电压调节(只能通过改变Vin来完成)和缺乏电流限制。它可用于为灯泡和其他对频率或波形不敏感的电阻负载供电。

4e71aae2-20ac-11ee-962d-dac502259ad0.png    

电流反馈逆变电路 Royer 振荡器的一种改进型有一个与 Vin 串联的附加电感器 L 和两个集电极之间的电容器 C。通过这种配置,得到的波形是正弦波,振荡频率由磁化电感 L1 和 C 的谐振决定:F=1/(2π×sqrt(L1×C))。例如,L1=400 uH 和 C=0.1 uF 将产生 F=25 kHz。这是由降压稳压器控制的这种电流馈电振荡器的概念示意图。

降压中的 MOSFET 可由外部 PWM 驱动以调节输出电平。这种拓扑结构广泛用于为冷阴极荧光灯 (CCFL) 提供 20 至 100 kHz 的高压(有关实用原理图,请参见本应用笔记的示例). 它不太适合 120V 60Hz 应用,在这些应用中通常使用PWM 技术产生正弦波。

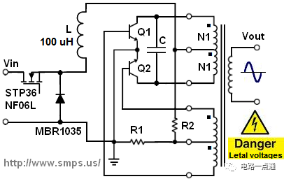
双极型晶体管的电路效率不高,因为您需要持续提供大量基极电流。下图显示了使用 MOSFET 实现的更高效的电流馈电逆变器。电阻器 R1、R2 提供导通功能,而二极管 D2、D3 提供关断功能,并将栅极与漏极上的高压隔离。

MOSFET逆变器 以下是零件清单的示例:Q1、Q2、Q3=STP36NF06L、R1、R2=10 Ohm、D1=MBR1035、D2、D3=MUR120、L=100 uH、C=0.1 uF。如果您从外部电路驱动开关,则电流馈电概念会特别有用。这种方法通常用于保持独立于核心属性的固定频率。但是,驱动频率必须低于自谐振。

请注意,由于每半个周期的伏秒永远不会完全相同,因此在没有电感器的情况下,具有外部激励的推挽式转换器中的变压器可能会受到磁通量的直流分量的影响。最终,这种不平衡会导致核心饱和和晶体管失效。网络上流传着许多忽略这种可能性且没有电感器的业余爱好者原理图。






审核编辑:刘清

温馨提示:以上内容整理于网络,仅供参考,如果对您有帮助,留下您的阅读感言吧!
相关阅读
本类排行
相关标签
本类推荐

CPU | 内存 | 硬盘 | 显卡 | 显示器 | 主板 | 电源 | 键鼠 | 网站地图

Copyright © 2025-2035 诺佳网 版权所有 备案号:赣ICP备2025066733号
本站资料均来源互联网收集整理,作品版权归作者所有,如果侵犯了您的版权,请跟我们联系。

关注微信