时间:2023-07-13 10:10
人气:
作者:admin
随着太阳能光伏发电技术的不断发展,太阳能光伏发电技术已经被应用到路灯等照明系统中,基于物联网技术的智能路灯得到了越来越广泛的关注,传统路灯只能进行分时段照明和人工控制,本文主要介绍基于Lora技术组网的太阳能智能路灯控制,可使用GC060高功率放大器,最高频段960MHz ISM,芯片具有高效率、低温变化、高可靠性和坚固性。

上图是太阳能路灯系统结构,系统采用通过主控芯片,DC/DC变换器作为充放电主电路,利用MPPT 最大功率点追踪技术,使太阳能的利用更加高效。各个太阳能路灯之间可通过Lora模块相互通信,自组成网络,节点与集中器汇集,将数据发送至集中器,集中器根据各个路灯的ID对路灯进行识别。
分时段分功率的工作模式以及路况检测功能,使得路灯对于能源的分配更加合理。同时,将物联网技术应用到太阳能智能路灯控制系统中,可以远程监控路灯运行状况以及能源使用情况,不需要人为的报修,使路灯的维护变得更具高效、智能化。

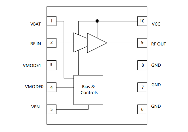
GC0609功能模块示意图
地芯科技GC0609主要性能参数:
·工作电压:4.0V;
·输出功率>30dBm,高/低功率模式可控制;
·最大输出功率下具有高PAE,低漏电流;
·单端50Ω输入和输出端口;
·采用紧凑型LGA封装,是一款10焊盘PA;
注:如涉及作品版权问题,请联系删除。
下一篇:ADB框架介绍与体验