时间:2023-05-16 11:20
人气:
作者:admin
当前,分布式能源结构在市场内的应用已十分广泛,相比常规的能源结构,此种分布式能源结构可以实现对能源的综合使用,因此在经济市场内,受到了多个行业的关注。为了解决生产与行业发展中的耗能问题、实现对能源的高效率利用,本方案将能源数据采集系统引入电力载波通信技术,为后续能源管控提供良好数据采集条件。
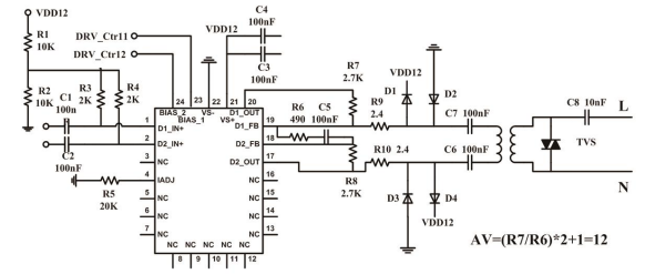
基于电力载波通信技术的能源数据采集系统采用的是CN6212电力载波线驱动器。在采集系统对能源数据进行采集时,通信信号可以通过耦合、滤波限幅电路选择中心频率的扩频信号,再通过引脚将信号传输到载波芯片当中对信号进行解扩处理,如下图所示:

电力载波线驱动器CN6212内部包含了2个电流反馈型放大器,芯片具有极低的失真,可以确保在电力载波通信频段范围内发送功率谱带外信号符合规范,并且具有高达1A的电流输出能力,可以应对强烈的电力载波信道阻抗变化,在重载情况下仍然能保证信号的发送质量。
CN6212工作电流可以用外接电阻进行设置,同时可以用数字控制端口按照设定值的1/2、3/4静态电流进行工作,可以根据信道状况通过软件调 节,使芯片的驱动性能得到进一步的优化。

CN6212典型应用图
电力载波线驱动器CN6212用于能源数据采集系统的主要优势:
1、工作电压范围可达到6V-28V;
2、大信号带宽:>20MHz;
3、工作电流外部设定,可数字控制;
4、摆率:500V/us;TTL / CMOS兼容;
5、最大差分输出:2 倍工作电压-6V@50Ω 负载;
6、工作温度范围:-40℃-85℃,可PIN 2PIN兼容THS6212;
7、芯片内部集成了过流保护、 温度补偿等单元模块;
注:如涉及作品版权问题,请联系删除。