时间:2023-02-21 14:03
人气:
作者:admin
2023年2月,武汉芯源半导体超低功耗家族再添新成员——32位M0+内核MCU CW32L052系列芯片。
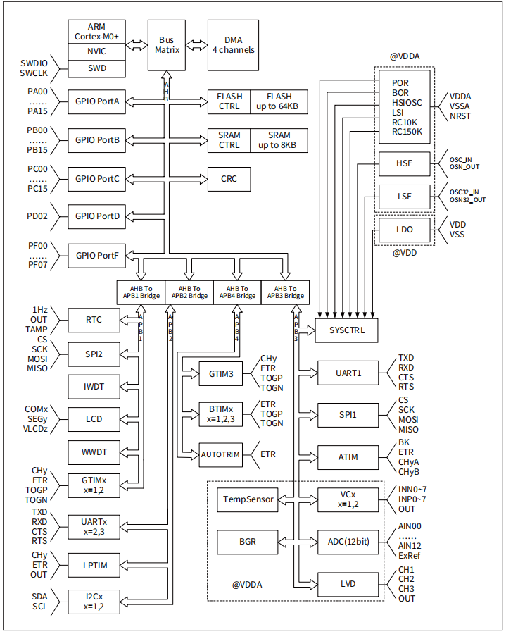
CW32L052 是基于 eFlash 的单芯片低功耗微控制器,集成了主频高达 48MHz 的 ARM® Cortex®-M0+ 内核、高速嵌入式存储器(最大64K字节FLASH、最大8K字节RAM),支持最多55路I/O接口。
CW32L052内部框图

外设包括:1路12位ADC,3路UART(支持LIN通信接口)、2路SPI、2路IIC、模拟电压比较器、低电压检测器、多路定时器以及最多8×36段LCD驱动器等功能模块。
CW32L052工作温度为-40℃~85℃,宽工作电压1.65V~5.5V,支持Sleep和DeepSleep两种低功耗工作模式,在DeepSleep模式下工作电流仅为500nA,从这一模式下唤醒时间仅为4us。
Sleep 模式
在 Sleep 模式下,CPU 停止运行,所有外设保持工作,并且可以在发生中断或事件的时候唤醒 CPU。
DeepSleep 模式
DeepSleep 用于实现最低功耗,CPU 停止运行,高速时钟模块(HSE、HSIOSC)自动关闭,低速时钟(LSE、LSI、RC10K、RC150K)保持原状态不变。
当发生外部复位,或 IWDT 复位,或部分外设中断发生,或 RTC 事件发生时,芯片退出 DeepSleep 模式。
CW32L052作为广受市场欢迎的低功耗MCU的补充,继承了CW32L083优秀的设计理念与框架,并在CW32L083的基础上进行了部分精简与优化,降低成本但不妥协性能。目前已推出LQFP64、LQFP48两种封装产品,可广泛应用于物联网、便携医疗、智能家居等领域。
CW32L052 家族产品功能列表

武汉芯源半导体官方网站已经发布了CW32L052系列MCU的数据手册、用户手册、应用笔记等技术文档,以及配套的StartKit开发板资料、底层外设驱动软件库和应用例程等SDK资料。
同时,可免费提供样品,欢迎选型进行测试。