时间:2022-10-14 10:18
人气:
作者:admin
为方便广大开发者和学习者迅速获取开发套件,峰岹科技两款电机控制专用热门开发板在华秋商城正式上线,限时优惠!感兴趣的朋友不要错过哦!
HOT SALE
热门开发板推荐1

复制链接购买FT8215Q开发板~
https://www.hqchip.com/p/FT8215Q.html
FT8215Q开发板介绍
FT8215Q是一款三相、无传感器FOC控制直流无刷电机驱动IC,内置驱动MOS。支持5V-18V直流电源输入,最大可支持2A工作电流。
FT8215Q开发板是为开发者而设计的专用测试板,开发板留有电源接线端、U/V/W接线端、仿真器插座、各功能接口。开发者可仿真调试电机和通信烧录IC,以及测试PWM/VSP调速、正反转控制、FG测速等功能。
FT8215Q开发套件包括开发板、仿真器、调试手册、数据手册、调试软件、原理图等,为开发者提供了稳定的设计参考和完善的软件开发环境,能够有效帮助开发者提高开发效率、缩短开发周期、优化设计质量、加快产品研发和上市时间。


图2:FT8215Q开发板硬件接线图

图3:FT8215Q开发板原理图

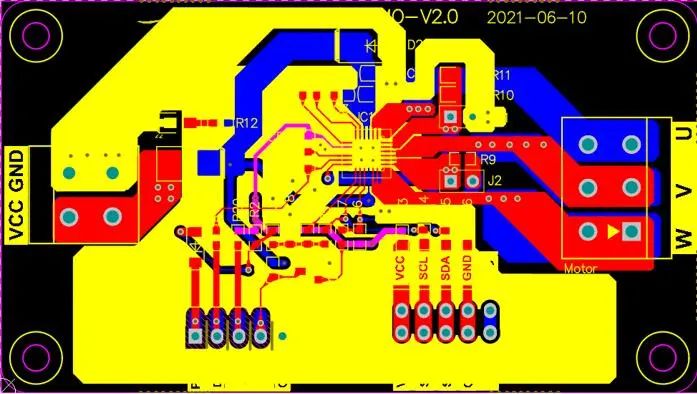
图4:FT8215Q开发板布局

图5:FT8215Q开发板PCB图

芯片封装
FT8215Q是QFN24封装,长度和宽度均为4mm,厚度为0.75mm。芯片高度集成,封装体积小,外围器件少,驱动效率高,噪音低,转矩脉动小,成本低。
FT8215Q可实现缓启动、转速控制、多种调速方式、多种保护功能等,支持预定位/初始位置检测,支持顺逆风启动,芯片可多次烧录,适用于无感三相电机的FOC正弦波驱动控制。
图6:FT8215 QFN24(4mm*4mm*0.75mm)

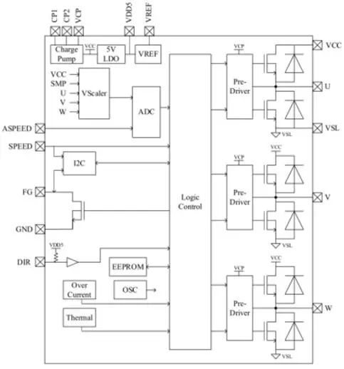
FT8215Q高度集成电机控制所需部件。内置驱动MOS,外围元器件少。芯片内置EEPROM模块,可配置电机参数、FOC参数、启动和调速参数等。
FT8215Q内置多个功能模块:系统时钟(OSC)、ADC采样、I2C通信、5V稳压(LDO)、电流采样、过流保护(Over Current)、过温保护(Thermal)等模块。外置引脚有U/V/W驱动输出、SPEED/APSEED调速、FG输出、正反转DIR控制等。
图7:FT8215Q功能框图

FT8215Q功能说明

HOT SALE
热门开发板推荐2

复制链接购买FT8132Q开发板~
https://www.hqchip.com/p/FT8132Q.html
FT8132Q开发板介绍
基于FT8132Q三相电机控制专用IC为开发者提供的测试板,设计了MOSFET驱动电路,各种电流电压检测电路,HALL输入电路,以及各类功能接口电路。可实现三相电机的无感FOC驱动,有感FOC驱动,有感SVPWM驱动,支持恒转速、恒电流、恒功率、电压环控制模式,支持模拟电压、PWM、I2C、CLOCK调节电机转速,支持 HALL、BEMF 检测,还可实现转速的实时反馈和电机的控制,以及各类应用方案开发的前期预研;
FT8132Q开发测试板支持5V-28V供电电压,最大电流10A设计,支持模拟电压、PWM、I2C、CLOCK调速,FG/RD信号反馈等,峰岹科技电机控制专用IC高度集成,开发者仅需以 FT8132Q+MOS为基础即可完成电机控制相关产品的设计;同时开发者可使用配套的GUI调试软件直接设置参数运行,无需编程,缩短产品开发周期,简化产品的设计流程;
开发套件提供包括专用IC用户手册,PDF原理图、以及上位机GUI调试界面,仿真器等,为开发者提供了稳定的设计参考和完善的软件开发环境,能够有效帮助开发者提高开发效率、缩短开发周期、优化设计质量、加快产品研发和上市时间。
图1:FT8132Q开发板功能接口示意

表1:开发板端口功能说明

图2:FT8132Q开发板3D渲染图

图3:FT8132Q开发板平面渲染图

图4:FT8132Q开发板原理图

FT8132Q芯片介绍
FT8132是一款三相内置Pre-driver直流无刷电机驱动 IC。芯片高度集成,外围元器件少,电机噪声低,转矩脉动小。GUI 可配置客户电机参数、启动和调速方式,并储存在内置的 EEPROM。调速接口可选择模拟电压、PWM、I2C、CLOCK 调节电机转速。集成转速指示功能,可通过FG 引脚或I2C 接口实时读取电机转速。控制方式可选择恒转速、恒电流、恒功率和电压环控制。集成过流、欠压、过压、外部过温、内部过温、堵转、缺相、Hall异常等多种保护模式,睡眠电流约50μA。
图5:FT8132Q无感功能框图

图6:FT8132Q有感功能框图

表2:芯片主要参数
