时间:2023-06-04 15:25
人气:
作者:admin
在电气控制线路中,自锁运用的频率非常高是电工必须掌握的一个知识点,并且要熟练运用。
今天了和大家聊一聊自锁这个话题。
先看看概念描述:
自锁就是在控制电路中,按下启动按钮后,接触器吸合,放开启动按钮后,接触器依然吸合,不会因为按钮的放开而复位。
为了方便大家理解,我们用生活中的场景来分享一下类似的情况、
其实,自锁电路也叫自保电路
大家都知道,我们每一个人都是从娘胎里出生,然后由父母抚养,再是读书升学,社会实践,人情世故等待,直到我们可以自食其力,自力更生的时候,离开父母,我们才能正常生活,这种依靠自己而独立生活的能力就叫自保(自锁)!
也就是说,从出生到能自力更生之前,我们必须依靠父母的抚养和栽培。
这里就像电路中的启动按钮,没有父母的生养之恩找元件现货上唯样商城,一切都无从谈起,就像电路没有按启动按钮一样,后面的一切都不会发生!当父母按下生命的启动按钮,我们才有机会储备足够能量和能力(相当于接触器线圈吸合),当我们具备了自力更生的能力,就可以自己养活自己(相当于自锁或者自保触点)

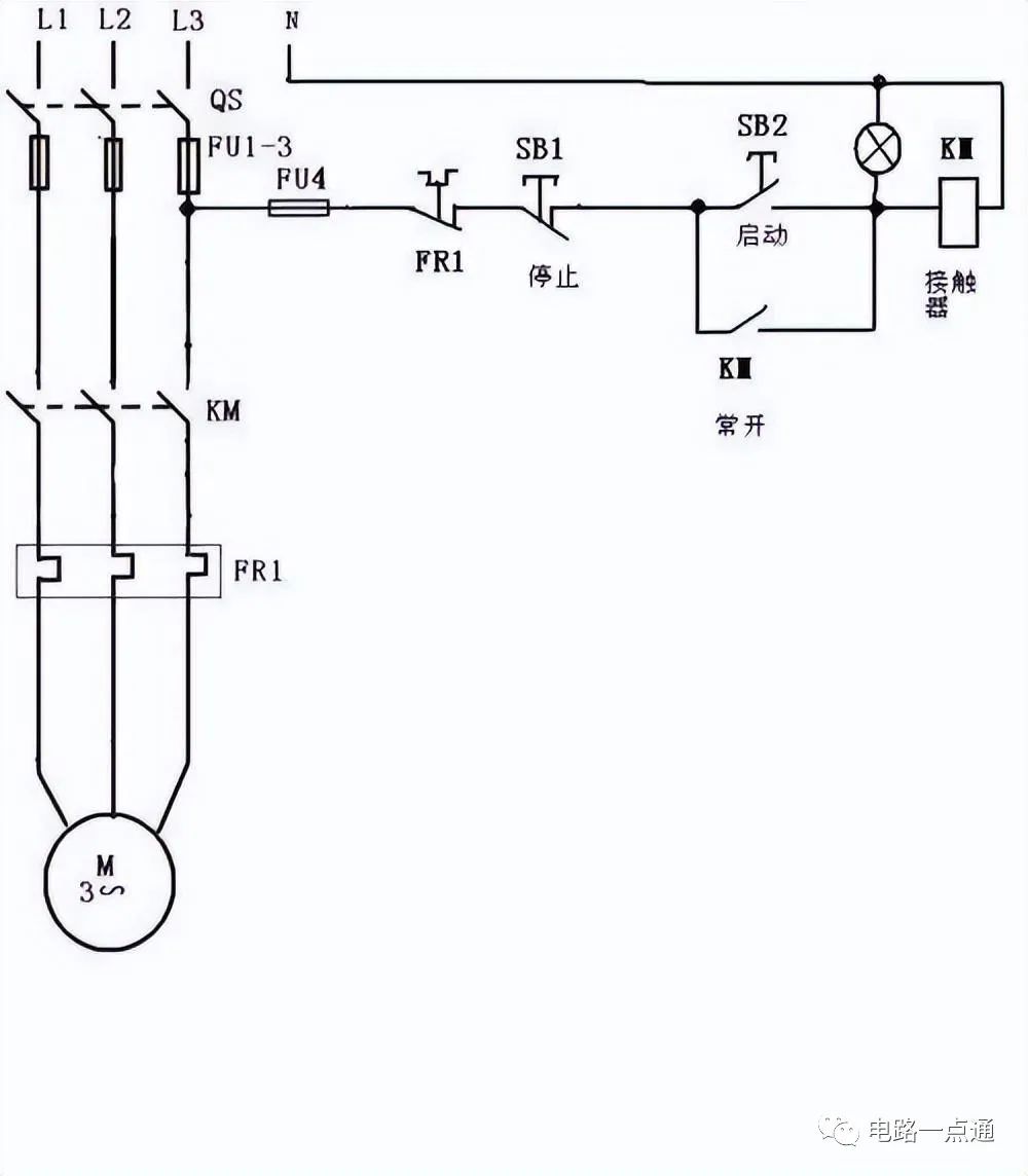
图:电动机启停控制(启保停)
自锁原理描述:
上图的SB2就是启动按钮
当启动按钮SB2按下,电流经过FU4(熔断器)、FR1(热继电器触点)、SB1(停止按钮)流经SB2到达KM接触器线圈,线圈得电吸合,带动KM常开触点闭合
此时,电流经过FU4(熔断器)、FR1(热继电器触点)、SB1(停止按钮)流经KM常开辅助触点到达KM接触器线圈, 接触器靠自己的辅助触点,长期给自己线圈供电了!
结果就是:启动按钮SB2松开,接触器KM依然会一直吸合(从前的无知少年已经长大了,没有父母的庇护,依然可以自力更生啦!)