时间:2023-02-15 11:25
人气:
作者:admin
展示的是可以如何使用 AXI Video Direct Memory Access (VDMA) IP 来实现视频剪裁、画中画或软模式生成器功能。
示例 1:使用 AXI VDMA IP 的视频裁剪
视频裁剪在某些情况下,您可能需要输出分辨率比输入分辨率小。视频剪裁是您可以通过 AXI 视频直接存储器访问(VDMA) IP 执行的一项操作。
视频剪裁是对图像的特定部分进行的“剪切”。我们可以通过只读取传入视频的一部分来完成此操作。

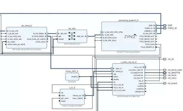
在此示例中,我要将测试模式生成器(TPG) IP 用作源,并且将 AXI VDMA IP 配置为已启用读写通道。这与视频系列 24 中的设计相同。

在这个应用中,我要把TPG IP设置为可以生成分辨率为1024x768的视频(而会把HDMI输出分辨率固定为800x600)
//Configure the TPG app_hdmi_conf_tpg(&tpg_inst, 768, 1024, 0x2, XTPG_BKGND_COLOR_BARS);
必须完成的主要配置是 AXI VDMA IP。
写入接口被设置为1024x768
//S2MM Frame delay / Stride register Xil_Out32(XPAR_AXI_VDMA_0_BASEADDR + 0xA8, 1024*2); // S2MM HSIZE register Xil_Out32(XPAR_AXI_VDMA_0_BASEADDR + 0xA4, 1024*2); // S2MM VSIZE register Xil_Out32(XPAR_AXI_VDMA_0_BASEADDR + 0xA0, 768);
读取接口被设置为 800x600。
// MM2S Frame delay / Stride register Xil_Out32(XPAR_AXI_VDMA_0_BASEADDR + 0x58, 1024*2); // MM2S HSIZE register Xil_Out32(XPAR_AXI_VDMA_0_BASEADDR + 0x54, 800*2); // MM2S VSIZE register Xil_Out32(XPAR_AXI_VDMA_0_BASEADDR + 0x50, 600);
请注意,此处的 STRIDE 参数不等于 HSIZE 参数。这是我们确实可以使用此参数的一种情况。
如果 STRIDE 等于 HSIZE,那么 AXI VDMA IP 会在没有任何跳转的情况下读取帧缓存。但是,由于输入大小大于输出大小,我们需要在地址之间跳转以便能够正确地对齐下一行的开头。
STRIDE 参数用于描述每个视频行第一个像素之间的地址的字节数。

如果我们想在输入帧中移动剪裁窗口,我们只需在帧缓存地址中添加偏移,使 HSIZE 和 STRIDE 参数值保持一致即可。

例如,如果我们想要让剪裁窗口水平居中,可以为读取接口的帧缓存地址添加 224 的偏移((hsize_in –hsize_out)/2 * bytes/pixel = (1024 - 800)/2 * 2 = 224)。
// MM2S Start Address 1 Xil_Out32(XPAR_AXI_VDMA_0_BASEADDR + 0x5C, 0x10000000 + 224); // MM2S Start Address 2 Xil_Out32(XPAR_AXI_VDMA_0_BASEADDR + 0x60, 0x10200000 + 224); // MM2S Start Address 3 Xil_Out32(XPAR_AXI_VDMA_0_BASEADDR + 0x64, 0x10400000 + 224);
注意:在此示例中,偏移需要是存储器映射数据宽度字节(32 位)的倍数,因为在“AXI VDMA IP”配置中未启用“Allow Unaligned Transfers”。
示例 2:使用 AXI VDMA IP 的画中画
画中画如果设计中的输入分辨率小于输出分辨率,则可能采用的解决方案就是使用画中画。例如,我们可以添加蓝色背景,然后使输入居中。

设计的硬件与示例 1 中的硬件相同。
在这个应用中,TPG IP被设置为可以生成分辨率为640x480的视频(而HDMI输出分辨率固定为800x600)
//Configure the TPG app_hdmi_conf_tpg(&tpg_inst,480,640, 0x2, XTPG_BKGND_COLOR_BARS);
我们需要做的第一件事就是用背景的蓝色填充帧缓存。
这是通过代码中的以下行来完成的:
UINTPTR Addr1=0x10000000,Addr2=0x10200000,Addr3=0x10400000;
…
print("Initialize frame buffer data...");
//Disable the data cache to initialize the frame buffer with a blue color
Xil_DCacheDisable();
//Write a blue background in the memory
for(line=0; line < OUTPUT_HEIGHT; line++)
{
for(column=0; column < OUTPUT_WIDTH/2; column++)
{
//Write the blue color to the frame buffer(0x6B1DFF1D in YUV422)
Xil_Out32(Addr1, 0x6B1DFF1D);
Xil_Out32(Addr2, 0x6B1DFF1D);
Xil_Out32(Addr3, 0x6B1DFF1D);
Addr1+=4;
Addr2+=4;
Addr3+=4;
}
}
//Re-enable the data cache
Xil_DCacheEnable();
print("Done
");
您可以看到,在将数据写入内存之前,我会禁用数据高速缓存(Xil_DCacheDisable())并在写入完成后重新启用它。
写入或读入高速缓存存储器而不是 DDR 存储器是一个常见的错误。使用内存时,您需要确保从正确的位置读取/写入。
然后,在进行 AXI VDMA IP 配置时,我们将执行与示例 1 中所执行操作相反的操作。
在这个示例中,我们会使用写入接口(而不是前面示例中的读取接口)上的步幅(现在已与 HSIZE 不同)在 800 * 600背景上正确地写入内存。
对于缓存存储器地址,我添加了一个偏移以便能够使输入水平和垂直居中。
//Offset to center the pattern on the buffer
offset = 0x177A0;
//S2MM Start Address 1
Xil_Out32(XPAR_AXI_VDMA_0_BASEADDR + 0xAC, 0x10000000 + offset);
//S2MM Start Address 2
Xil_Out32(XPAR_AXI_VDMA_0_BASEADDR + 0xB0, 0x10200000 + offset);
//S2MM Start Address 3
Xil_Out32(XPAR_AXI_VDMA_0_BASEADDR + 0xB4, 0x10400000 + offset);
//S2MM Frame delay / Stride register
Xil_Out32(XPAR_AXI_VDMA_0_BASEADDR + 0xA8, OUTPUT_WIDTH*2);
// S2MM HSIZE register
Xil_Out32(XPAR_AXI_VDMA_0_BASEADDR + 0xA4, 640*2);
// S2MM VSIZE register
Xil_Out32(XPAR_AXI_VDMA_0_BASEADDR + 0xA0, 480);
示例 3:使用 AXI VDMA IP 的软模式发生器
通过AXI VDMA IP来实现在此示例中,AXI VDMA IP 配置为仅启用读取接口。
在应用开始时,处理器在 DDR 中写入模式。
在 Vivado Design 中,我删除了“测试模式生成器”:

因为我们正在读取一个静止模式,所以在 AXI VDMA IP 读取时不会同时写入与帧缓存对应的存储器。因此,AAXI VDMA IP 中只需要一个帧缓存器。

写入存储器的方式与示例 2 中所用的方式类似,在需要访问 DDR 存储器时禁用高速缓存。
另外请注意,在配置 AXI VDMA IP 的 MM2S 接口时,同步锁相会被禁用。
构建SDK工作空间和Vivado Designs
注意:这些示例仅针对 ZC702 电路板。
构建SDK工程下载教程文件,然后解压缩文件夹。
启动赛灵思软件命令行工具(XSCT) 2018.1。
从 Windows 菜单中选择以下内容:
“Start > All Program > Xilinx Design Tools > Xilinx Software Command Line Tool 2018.1”。
从命令行:
使用 xsct 命令(需要设置 SDK 2018.1 的环境变量)。
在 xsct 中,使用 cd 导航到您要构建的示例的路径(example_x/sw)。
然后输入下列命令:
source create_SW_proj.tcl
打开 SDK,然后选择“example_x/sw/sdk_workspace”作为工作空间。
打开 Vivado 。
在 Tcl 控制台中,使用 cd 导航到解压缩的目录(cd example_x/hw)。
在 Tcl 控制台中,用 source 来写脚本 tcl (source ./create_proj.tcl)。
审核编辑 :李倩
上一篇:几个实用的C语言知识点
下一篇:数据库安全之MSSQL渗透