时间:2022-07-23 17:31
人气:
作者:admin
CS5268代替AG9321MCQ Typec多合一扩展坞方案|代替AG9321方案
台湾安格AG9321MCQ是一款TYPEC拓展坞产品方案,他集中了TYPEC转HDMI VGA PD3.0快充 QC3.0数据传输I2S接口的音频DAC输出以及可以各种读卡器功能。
AG9321MCQ特色
1.双USB C型接口
USB电源传输3.0符合性
四个配置通道(CC),带有onchip Rp/Rd电阻器
双重角色权力和快速角色互换
2.显示端口接收器
VESA显示端口™ 1.2合规性
5.4(HBR2)时的1、2或4车道配置,
每条通道2,7(HBR)和1.62(RBR)Gbps
用于AUX的片上1 MΩ电阻器
高达4096x2160/30Hz分辨率
下行扩频时钟
主链路交换配置
3.HDMI发射机
HDMI 1.4b符合性
高达4096x2160p/30Hz分辨率
采样率为32khz的线性PCM,
44.1千赫和48千赫
HDCP 1.4符合预加载密钥
4.VGA(D-sub)接口
三个8位DAC
高达1920x1200/60Hz分辨率
通过HDMI和三重DAC同时显示。
分离的声音
一个立体声I2S接口
一个立体声音频DAC
双重快速充电™ 3.0端口。
用于广告牌和固件upgra的片上USB 2.0fs PHY
嵌入16位CISC和16 KB SRAM
集成128 KB闪存
5.通信接口
一个UART接口
三个I2C接口,两个处于主模式
对于DDC和一个处于从属模式。
用于电压监测的4通道10位ADC
6.深色技术
RGB/YUV(4:4:4)–每种颜色10位
YUV(4:2:2)–每种颜色10位
颜色空间转换-YUV到RGB和RGB到YUV
7.工作特性
1.2V核心电源和3.3V I/O电源
温度范围:0°C至70°C
ESD HBM 1千伏
包装
QFN-88L 10x10x0.8mm3
Capstone CS5268系列为HDMI和VGA转换器提供USBTYPE-C(DP显示端口备用)的单芯片解决方案,并提供PD3.0电源快速传输。DisplayPort接收器符合DisplayPort 1.4规范,支持高达4096x2160/30Hz的分辨率,可配置1、2或4通道配置,每通道速度为5.4(HBR2)。HDMI发射机符合HDMI 1.4标准,支持高达4096x2160/30Hz的分辨率。通过使用HDCP 1.4和出厂预加载的HDCP密钥进行加密来提供级别音视频信号传输的安全性。VGA(D-sub)接口支持高达1920x1200/60Hz的分辨率。
CS5268设计带PD3.0转HDMI+USB3.0拓展坞方案结构框图:

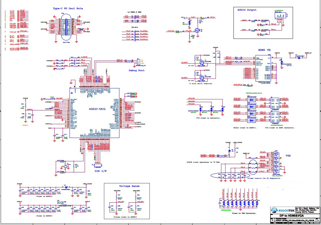
AG9321原理图:

AG9321与CS5268在基本的参数是一致的,从功能的实现上和兼容的协议标准上,可以得出CS5268完全可以替代和兼容AG9321的,并且CS5268内置晶振,外围电路比AG9321要少,整体方案BOM成本比AG9321要低,性价比AG9321要高。
CS5268除了设计经典的typec转HDMi+VGA+PD+U3四口拓展坞,还可以加USB 2.0 USB3.0 HUB、 SD/TF/SMM读卡、RJ网口等多合一多功能拓展坞产品。
审核编辑:刘清