全球最实用的IT互联网站!
人工智能P2P分享搜索全网发布信息网站地图标签大全
什么是逻辑综合?逻辑综合的流程有哪些?
阅读全文2023-09-15
典型的DRC案例介绍
ESP32-S3 ADC外设单次触发模式
Linus Torvalds发布首个Linux6.6候选版
多屏异显方案-瑞芯微RK3568开发板
Formal Verify形式验证的流程概述
美格智能全球首发5G-A FWA解决方案,持续为全球用
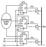
scan测试的基本原理 scan测试的基本过程
登临科技荣获“2023最值得关注AIGC企业”
通向大贝里曲率的新途径简析
51单片机与stm32单片机,先学习哪一个?
新一代嵌入式开发平台 AMD嵌入式软件和工
睿擎派配件上新!4.3寸/7寸MIPI屏、UVC摄像
使用恩智浦FRDM-MCXN947开发板移植触摸屏
CPU | 内存 | 硬盘 | 显卡 | 显示器 | 主板 | 电源 | 键鼠 | 网站地图
Copyright © 2025-2035 诺佳网 版权所有 备案号:赣ICP备2025066733号 本站资料均来源互联网收集整理,作品版权归作者所有,如果侵犯了您的版权,请跟我们联系。