全球最实用的IT互联网站!
人工智能P2P分享搜索全网发布信息网站地图标签大全
到底什么是建立时间/保持时间?
阅读全文2023-06-27
没想到吧!语音模块还可以这样用
JVM源码分析之不保证顺序的Class.getMethods
MCP电路实现方法及命令优先级实例
Top和Block实战经验以及DDR接口时序
无源互调的来源是什么?又该如何解决呢?
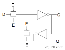
讲讲Latch的功能?Timing Path如何分析?
如何选择图像采集卡
跨时钟域电路设计—单比特信号传输
二阶线性电路三要素分析法
51单片机与stm32单片机,先学习哪一个?
新一代嵌入式开发平台 AMD嵌入式软件和工
睿擎派配件上新!4.3寸/7寸MIPI屏、UVC摄像
使用恩智浦FRDM-MCXN947开发板移植触摸屏
CPU | 内存 | 硬盘 | 显卡 | 显示器 | 主板 | 电源 | 键鼠 | 网站地图
Copyright © 2025-2035 诺佳网 版权所有 备案号:赣ICP备2025066733号 本站资料均来源互联网收集整理,作品版权归作者所有,如果侵犯了您的版权,请跟我们联系。