全球最实用的IT互联网站!
人工智能P2P分享搜索全网发布信息网站地图标签大全
【笔记】Windows socket error的十大问题
阅读全文2023-05-31
应邀赴会 | 启扬智能「NXP创新技术论坛」之行
【启扬方案】智能化解锁“智慧出游”新模式
Verilog除法器设计
阅读全文2023-05-30
非对称非均匀的3dB定向耦合器
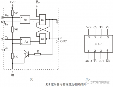
555时基电路及其应用
6种常见电流检测电路设计方案
常见的Verilog行为级描述语法
智能语音吸顶灯解决方案:让家居更加智能化和
电平设计基础1:逻辑门电路高速特性(1)
51单片机与stm32单片机,先学习哪一个?
新一代嵌入式开发平台 AMD嵌入式软件和工
睿擎派配件上新!4.3寸/7寸MIPI屏、UVC摄像
使用恩智浦FRDM-MCXN947开发板移植触摸屏
CPU | 内存 | 硬盘 | 显卡 | 显示器 | 主板 | 电源 | 键鼠 | 网站地图
Copyright © 2025-2035 诺佳网 版权所有 备案号:赣ICP备2025066733号 本站资料均来源互联网收集整理,作品版权归作者所有,如果侵犯了您的版权,请跟我们联系。