时间:2025-03-01 11:10
人气:
作者:admin
方案简介
HDMI(高清多媒体接口)是一种全数字化视频和声音发送接口,可以发送未压缩的音频及视频信号,广泛应用如消费类产品上,如机顶盒、DVD播放器、个人计算机、电视、游戏主机、综合扩大机、数字音响与电视机等设备。HDMI 1.4支持4K,带宽为10.2Gbps,最高可达到3840×2160分辨率和30FPS帧率。HDMI电路制造商不断致力于微缩其元器件内的晶体管、连接线路及绝缘层的极限尺寸,以此实现高速电子元件的小型化设计。虽促进了设备结构的紧凑化,却也引发了在低能量水平下,器件因击穿效应导致的损坏风险显著增加这一新问题。
HDMI接口作为一种热插拔端口,其设计易受到静电放电的损害,造成内部芯片的损坏,尤其是在与用户终端或带电电缆的连接过程中。普通的防护方案或许会对数据的传输造成一定影响,随着消费类电子产品需求的持续增长,对ESD保护器件性能加强的需求也越来越强烈。此方案采用集成四通道保护、超低容值、低漏电的ESD静电防护器件 ,在不影响数据传输的前提下满足HDMI兼容性测试规范(CTS)的信号完整性和阻抗要求,让后端的电路得到有效防护。
HDMI的引脚配置

| 引脚 | 名称 | 功能描述 | 引脚 | 名称 | 功能描述 |
| 1 | D0+ | 数据2+ (TMDS Data2+) | 11 | SHIELD | 时钟屏蔽(TMDs Clock shield) |
| 2 | SHIELD | 数据2屏蔽(TMDS Data2 shield) | 12 | CLK- | 时钟-(TMDS Clock-) |
| 3 | D0- | 数据2-(TMDS Data2-) | 13 | CEC | 控制信号通道 |
| 4 | D1+ | 数据1+ (TMDS Data1+) | 14 | ARC |
①音频回传通道ARC ②网络信号通道HEC |
| 5 | SHIELD | 数据1屏蔽(TMDS Data1 shield) | 15 | SCL | DDC时钟线 |
| 6 | D1- | 数据1-(TMDS Data1-) | 16 | SDA | DDC数据线 |
| 7 | D2+ | 数据0+ (TMDS Data0+) | 17 | GND | 地线(for DDC, CEC, ARC, and HEC) |
| 8 | SHIELD | 数据0屏蔽(TMDS Data0 shield) | 18 | +5V | +5V电源 |
| 9 | D2- | 数据0-(TMDS Data0-) | 19 | HPD | 热插拔检测 |
| 10 | CLK+ | 时钟+(TMDs Clock+) |
HDMI的ESD防护
针对每条差分线承受的最大3.3V工作电压,特别是在极高速数据传输环境下,ESD防护器件的作用显得尤为关键。ESD防护在瞬态事件突发时,需凭借超低线间电容来维持电路安全,同时丝毫不减损信号的纯净度与完整性。当防护器件与电路并联时,遭遇ESD冲击后电路承受的电压即等同于ESD防护器件的钳位电压,故确保钳位电压尽可能低。因此,理想的保护器件应兼具低ESD峰值钳位电压和低动态电阻的优越特性,以有效限制电压尖峰并减少能量损耗。因此HDMI在选择ESD防护器件时需要考虑如下要求:
确保信号完整性,实现极高的二极管开关速度和极低的线电容
经过若干次ESD冲击后,防护性能不退化且泄漏保持在较低水平
器件封装尺寸小,PCB设计空间充足
PCB设计层面,对RF(射频)信号的布线进行优化,实现高效封装布局
应用示例

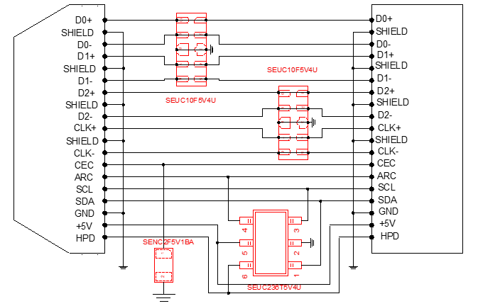
高速差分线D0+/D0-,D1+/D1-,D2+/D2-,时钟引脚CLK+/CLK-
HDMI 1.4拥有三组高速差分信号线,支持高达10.8Gbps 的高速数据传输。由于接口试图在传输大量内容时仍保持极高速度,因此选择合适的ESD 防护器件至关重要。除高速差分信号线之外,HDMI2.0还拥有一对频率为340MHz的时钟差分线CLK+/CLK-,用于同步芯片内各个模块的操作,确保它们按照正确的时间序列执行任务。
我们推荐使用湖南静芯的超低电容ESD静电保护器件SEUC10F5V4U,该器件为十引脚集成式静电防护器件,专为保护该接口的高速差分线路而设计,流通式封装设计简化了 PCB 布局,减少布线过程中的不连续性,促进了信号完整性和系统稳定性的提升。将两对差分线连接一个SEUC10F5V4U器件,将剩下的一对差分线与时钟差分线连接另一个SEUC10F5V4U器件,可同时保护八条通道。
该器件工作电压为 5 V,钳位电压为12V,结电容仅为0.6pF,符合IEC 61000-4-2 (ESD) 规范,在 ±20kV(空气)和 ±20kV(接触)下提供瞬变保护。
CEC控制信号通道
CEC 是与其他HDMI信号分开的电信号,拥有一套完整的单总线协议,电子设备可以借着CEC信号让使用可控制HDMI接口上所连接的装置,实现由单一遥控器控制所有HDMI连接的装置。该通道允许HDMI设备在没有用户干扰情况下互相命令控制,最多可以控制15个设备。
推荐使用湖南静芯的常规电容ESD器件SENC2F5V1BA作为该通道的静电保护器件。该器件工作电压为 5 V,钳位电压为10V,结电容为10pF,可对单条线路进行静电防护。符合IEC 61000-4-2 (ESD) 规范,在 ±30kV(空气)和 ±30kV(接触)下提供瞬变保护。
ARC,SCL,SDA,HPD,电源通道
ARC功能是指HDMI线可直接将数字音频输出到功放上解码,并在音响设备上输出。HDMI2.0的14引脚拥有ARC功能,传输速度约为1Mbit/s。为了保证频的稳定传输,需要在14引脚附近连接合适的静电保护器件。
SCL引脚和SDA引脚分别作为HDMI接口的DDC时钟和数据通道,通过这两个引脚可让传送端与接收端得知彼此的传送与接收能力,最后可放送出符合电视分辨率的影像画面。
HPD引脚拥有热插拔检测功能,其作用是当显示器等HDMI接口的显示设备通过HDMI/DVI接口与HDMI 源端相连或断开连接时,HDMI源端能够通过HDMI/DVI的HPD引脚检测出这一事件,并做出响应。
以上四个引脚再加上5V的电源引脚可以通过一个六引脚的集成式ESD器件进行静电防护。我们推荐采用湖南静芯集成多路ESD静电二极管SEUC236T5V4U,该器件的工作电压为 5 V,钳位电压为12V,其结电容仅有 0.6pF,且符合IEC 61000-4-2 (ESD) 规范,在 ±17kV(空气)和 ±12kV(接触)下提供瞬变保护,可同时保护HDMI1.4的五个引脚免受静电放电(ESD)和低等级浪涌事件的冲击与干扰。
型号参数
| 规格型号 | 方向 | 工作电压(V) | IPP(A) | 钳位电压(V) | 结电容(pF) | 封装 |
| SEUC10F5V4U | Uni. | 5 | 4.5 | 15 | 0.6 | DFN2510-10L |
| SENC2F5V1BA | Bi. | 5 | 6 | 10 | 10 | DFN1006-2L |
| SEUC236T5V4U | Uni. | 5 | 4.5 | 15 | 0.6 | SOT-23-6L |
电气特性表
At TA = 25℃ unless otherwise noted
| Parameters | Symbol | conditions | Min. | Typ. | Max. | Unit |
| Reverse stand-off voltage | VRWM | 5.0 | V | |||
| Reverse Breakdown Voltage | VBR | IT= 1mA | 6.0 | V | ||
| Reverse Leakage Current | IR | VRWM=5V | 1.0 | uA | ||
| Peak Pulse Current | IPP | TP=8/20us@25℃ | 4.5 | A | ||
| Clamping Voltage | VCL | IPP=1A; TP=8/20us | 9.0 | 11.0 | V | |
| Clamping Voltage | VCL | IPP=4.5A; TP=8/20us | 12.0 | 15.0 | V | |
| Junction capacitance | CJ |
I/O pins to ground; VR=0V; f = 1MHz |
0.6 | pF | ||
|
Between I/O pins; VR=0V; f = 1MHz |
0.3 |
表1 SEUC10F5V4U电气特性表
| Parameters | Symbol | conditions | Min. | Typ. | Max. | Unit |
| Reverse Stand-off Voltage | VRWM | 5.0 | V | |||
| Reverse Breakdown Voltage | VBR | IT=1mA | 5.6 | V | ||
| Reverse Leakage Current | IR | VRWM=5V | 1.0 | uA | ||
| Clamping Voltage | VC | IPP=1A; tp=8/20us | 8.0 | 10.0 | V | |
| Clamping Voltage | VC | IPP=6A; tp=8/20us | 10.0 | 12.0 | V | |
| Junction Capacitance | CJ | I/O to GND; VR=0V; f=1MHz | 10 | 15 | pF |
表2 SENC2F5V1BA电气特性表
| Parameters | Symbol | conditions | Min. | Typ. | Max. | Unit |
| Reverse Stand-off Voltage | VRWM | 5.0 | V | |||
| Reverse Breakdown Voltage | VBR | IT=1mA | 6.0 | V | ||
| Reverse Leakage Current | IR | VRWM=5V | 1.0 | uA | ||
| Clamping Voltage | VC | IPP=1A; tp=8/20us | 9.0 | 11.0 | V | |
| Clamping Voltage | VC | IPP=4.5A; tp=8/20us | 12.0 | 15.0 | V | |
| Junction Capacitance | CJ | I/O to GND; VR=0V; f=1MHz | 0.6 | 1.0 | pF | |
| Between I/O; VR=0V; f=1MHz | 0.3 | 0.5 |
表3 SEUC236T5V4U电气特性表
总结与结论
由于HDMI在家庭娱乐和智能办公中的重要作用,保护HDMI接口免受ESD静电损害极为关键。ELECSUPER SEMI为各型号的HDMI接口提供值得信赖的保护器件。以上解决方案是保护 HDMI 1.4 接口的优选之策,确保消费者能够高品质享受视听体验的流畅无阻。
从profibusDP转ModbusTCP,一网打尽转换技巧!