时间:2023-08-29 11:47
人气:
作者:admin
为了划分所涉及的功率并创建可以承受更多功率的器件,开关、电阻器和 MOSFET 并联连接。要提高输出电流的容量,您可以将它们并联。与其他更陈旧的组件相比,并联连接通常更容易且不太重要,因为它们不受热不稳定的影响。
此外,SiC MOSFET可以与其他类似器件连接并并联工作。在典型情况下,许多并联单元之间的直接连接可以有效地工作,但在涉及温度、电流和工作频率的极端情况下,工作条件可能会恶化。因此,为了充分利用功率器件并联带来的好处,必须注意构建防故障电路。
一些注意事项
当功率器件具有相同的电气特性和相同的静态和动态行为时,将它们并联是可行的。然而,由于众多标本之间总是存在一些差异,这在现实中是不可能的。MOSFET 用作电子开关,用于在静态状态下工作的选定应用中实现“慢速”开关。
但是,大多数应用都涉及快速、连续的切换。即使在相同型号的MOSFET中,其电气特性的微小(甚至难以察觉)变化也会导致短暂的电压尖峰和电流分布的整体不平衡。此问题可能导致大量功率损耗、电路明显发热和电子元件故障。
设计人员必须研究电路,以便在所有工作条件下,传输中的电流在所有相同性质的功率器件上保持良好平衡和均匀。切换设备时,建议避免电流集中在某些电子元件上。事实上,这可能会导致不必要的振荡过程和电子开关操作的不平衡。通常,由非理想并联引起的问题和原因可能如下:
设备的参数彼此不对应
导通电阻不匹配(RDS(导通))
栅源电压不匹配(VGS)
栅极驱动器不匹配
电源电路不匹配。
导通电阻
导通电阻RDS(on)是MOSFET的基本参数之一。它会影响许多工作因素,例如元件耗散、传输中的最大电流、系统效率和传导损耗。如果MOSFET关闭,则漏源电压较高,并且没有电流流动。另一方面,当它处于活动状态时,漏源电压下降到几百毫伏。
SiC MOSFET的RDS(on)参数对温度非常敏感,因此在设计并联器件的电路时必须小心(参见图1中的图表)。其内部构象决定了负温度系数和正温度系数,因此可能发生电流不平衡。该图证实,根据SiC MOSFET的结温,沟道的电阻会发生变化。
许多设备示例的简单并行化可能会产生问题,因为一个组件可能比另一个组件传递更多的电流。因此,有必要平等地散发所有MOSFET的热量。

图 1:RDS(on) 与结温的关系
各种不平衡
当MOSFET开路时,一个小电流并联通过电子开关,与其激活电阻成反比。显然,电阻最低的设备传输更多的电流。幸运的是,SiC MOSFET的特点是正温度补偿,因此电路中发生了更自然的平衡,将元件的热破坏限制在最低限度。另一方面,MOSFET中包含的二极管表现不同,随着电流的通过,温度通过减少传输中的电流而升高。转换期间可能会出现电流不平衡,尤其是在通电和关机期间。
不必要的振荡
振荡是改变设备正常运行的高频信号。实际上,MOSFET的特殊构象构成了一个谐振电路,配备有电容(C)和电感(L)。这两种元素显然都是寄生成分。如果没有外部栅极电阻,谐振电路将具有非常高的Q因数。
如果发生谐振,则在“栅极”和“源极”端子之间产生重要的振荡信号,产生寄生和不需要的振荡,对应于“漏极”和“源极”端子之间的相等振荡。过高的振荡电压可能导致误点火或MOSFET操作中断。然而,一般来说,SiC MOSFET的并联不涉及很高的振荡风险,因此通过必要的预防措施,电路可以毫无问题地运行。
解决方案
如今,有许多公司通过并联多个MOSFET来生产SiC功率模块,当然,也采取了一些预防措施。有些制造商获得了非常强大的组件,因为在这种类型的连接中,增加了耗散功率,最重要的是,RDS(开启)参数减小,就像电阻并联连接中发生的情况一样。
通常,SiC MOSFET无需特殊措施即可并联连接,因为当它们过热时,它们会增加其内阻,尽管各个组件存在固有差异,但仍相当均匀地分配负载。其中一个明显的缺点是“栅极”容量增加,这导致SiC MOSFET导通时间增加。在这些情况下,栅极电流必须大大增加,具体取决于并联的设备数量。在高频情况下,这一事实可能会变得不可接受。
对于较旧的功率组件(例如IGBT),设计人员必须克服不断的挑战(平衡、出色的驱动器等),才能在功率器件之间建立良好的并联连接。当使用SiC MOSFET时,这种挑战可能会增加,因为所涉及的开关频率要高得多。元件并联的主要目的是实现更高的额定电流。
设计人员还需要研究PCB布局。它们应具有对称结构,以分散产生的热量并大幅降低寄生电感。因此,这些解决方案提供了SiC MOSFET的正确并联连接,以增加传输中的电流和功率水平。但是,需要遵循一些注意事项:
阈值电压可能发生电流不平衡
由于寄生电感不对称,可能出现电流不平衡
可能的波动
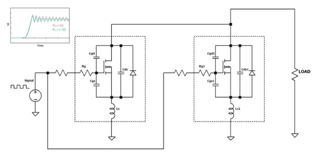
如今,公司已经达到了高度的制造完美度,并制造出彼此几乎相同的SiC MOSFET元件,并且发生不平衡的可能性很小。然而,阈值较低的器件具有较高的瞬态,因此开关和传导损耗较高,总功率损耗较高。通常,如果流在负载上的电流大于要使用的每个设备的标称值,则可以安全地并联两个设备,以使流过每个开关的电流减半。图2显示了一种解决方案,该解决方案允许采用一个外部栅极电阻(每个MOSFET)来减少各种器件之间开关的变化。采用外部栅极电阻器并不是奇迹,不平衡可能仍然存在。在某些情况下,在此配置中,VGS也可能由于两个MOSFET之间存在RLC谐振电路而振荡。

碳化硅 MOSFET 的特点是温度系数为正。它在共享静态电流时用作负反馈。如果设备消耗更多电流,它会发热,从而增加其 RDS(导通)。通过这种方式,传输中的电流减少了,也降低了热不平衡水平。此外,它们显示开关损耗随温度的增加非常小。
最后,SiC MOSFET的跨导曲线更柔和,栅极电压的微小变化对电流的影响较小,有利于多个器件之间的动态电流共享。
上一篇:有什么方法可以控制电源转换器吗?
下一篇:IO-Link编码器特点
从profibusDP转ModbusTCP,一网打尽转换技巧!