时间:2022-10-27 14:51
人气:
作者:admin
纳芯微(NOVOSNS)推出了全新通用CAN接口芯片---NCA1042,隔离CAN接口芯片---NSI1042,可广泛适用于工业、电力、通信和楼宇自动化等各领域中的控制总线设计,例如工控、电梯、安防、电单车、电力电子等应用场合。
高集成度,高稳定性
NCA1042/NSI1042芯片可在-40°至+125°的宽温工作范围内稳定运行,数据传输速率高达5Mbps,支持CAN FD,兼容绝大部分MCU I/O电平,提供业内通用的封装形式,显著降低了用户成本并带来更优的性能体验。

NCA1042是一款高速CAN收发器,可提供控制器局域网(CAN)协议控制器和物理两线CAN总线之间的接口,可支持至少110个CAN节点。NCA1042实现ISO 11898- 2:2016和SAE J2284-1至SAE J2284-5中定义的CAN物理层。在CAN FD快速相位网络中可实现可靠的通信,数据速率高达5Mbps,并提供热保护和传输数据显性超时功能。
NCA1042主要性能:
► 完全兼容ISO11898-2标准
► I / O电压范围支持3.3V和5V MCU
► 电源电压
-VIO:3V至5.5V
-VDD:4.5V至5.5V
► -70V至+ 70V的总线故障保护
► 传输数据(TXD)主导超时功能
► 总线主导超时功能
► 具有唤醒功能的超低电流待机模式
► 过电流和过热保护
► 数据速率:最高5Mbps
► 低环路延迟:<250ns
► 工作温度:-40℃~125℃
► 封装:SOP8

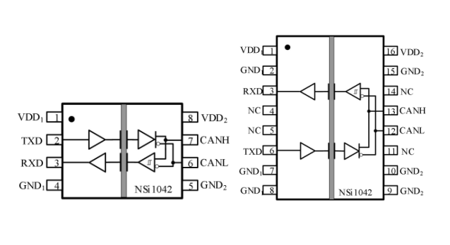
NSI1042是隔离式的CAN收发器,与ISO118982标准完全兼容。NSI1042集成了两通道数字隔离器和一个高性能CAN收发器,数字隔离器是基于纳芯微电容隔离技术的氧化硅隔离,高度集成的解决方案可以帮助简化系统设计并提高可靠性。NSI1042产品已通过UL1577安全认证, 支持5kVrms的绝缘耐压, 同时具有很高的电磁抗扰度和低辐射。NSI1042支持CAN FD,数据速率高达5Mbps,并且可以支持至少110个CAN节点,并提供热保护和传输数据主导超时功能。
NSI1042主要性能
► 完全兼容ISO11898-2标准
► 隔离耐压5000Vrms
► 电源电压
-VDD1:2.5V至5.5V
-VDD2:4.5V至5.5V
► 过电流和过热保护
► 宽总线保护电压+40V
► 通讯速率达5Mbps
► CMTI>150kV/us
► 低环路延迟:<220ns
► 增强的系统级ESD,EFT,抗浪涌能力
► 工作温度-40℃~125℃
► 封装形式
-SOW8 宽体
-SOW16 宽体
通用CAN接口芯片---NCA1042,隔离CAN接口芯片---NSI1042均P2P兼容市场主流欧美芯片,用户无需修改设计就可以直接更换,灵活满足用户选型需求,拥有更高的性价比,提供更可靠的供应保障。
从profibusDP转ModbusTCP,一网打尽转换技巧!