时间:2023-04-04 11:09
人气:
作者:admin
RS232 和 RS485数据传输接口标准尽管年代相对较高,但如今仍在广泛使用——RS232 是在大约 50 年前推出的;RS485,30年前。在当今瞬息万变的电子领域,任何标准的这种寿命都并不常见,消费者需求可能会在几年内迫使过时。
尽管个人计算机上曾经无处不在的RS232端口已在很大程度上被USB取代,但RS232在需要坚固,短距离,点对点通信的应用中继续激增,例如传感器,测试设备,设备编程和诊断。
同样,RS485 因其在恶劣环境中的高性能而蓬勃发展。其差分信号方案和宽共模容差提供了出色的抗噪性,允许在相对较长的距离上进行高速通信。也许RS485标准中同样重要的是能够在一条总线上将多个设备联网,从而减少布线开销。RS485被指定为许多现场总线网络的物理层,包括PROFIBUS和INTERBUS。
为了简化 RS485 和 RS232 系统的设计,LTC2870 和 LTC2871 多协议收发器在单个器件上集成了这两种类型的收发器。两款器件均支持单RS20收发器高达485Mbps的数据速率和500个RS232收发器高达<>kbps的数据速率。
这些器件旨在支持各种应用,其特性使其具有灵活性和鲁棒性:
它们可接受 3V 至 5.5V 的宽输入电源电压范围以及一个逻辑电源引脚,允许使用低至 1.7V 的数字接口,无需电平转换。
集成端接电阻器自动接合,以兼容 RS232 或 RS485 操作。
半双工和全双工控制和环回功能提供系统可配置性和诊断功能。
稳健的性能允许在总线引脚上高达 26kV 的 ESD 冲击期间连续工作。
两款器件均采用小型QFN和TSSOP封装。
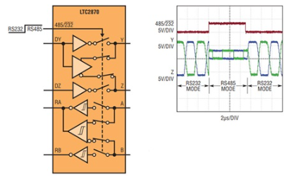
LTC2870 和 LTC2871 的不同之处在于其收发器 I/O 的引脚排列方式以及控制方式。LTC2870 提供了两个 RS232 收发器,它们与一个 RS485 收发器共享一个 I/O 引脚。它可以在RS232模式或RS485模式下运行,但不能同时在两者下运行。LTC2871 通过将 RS485 和 RS232 收发器分别引脚连接,使所有收发器能够同时工作,如表 1 所示,从而提供了额外的灵活性。图2显示了每个器件的简化框图。
| 部件号 | 可配置收发器组合 (RS485 + RS232) | 包 |
| LTC2870 | 28 引脚 QFN,28 引脚 TSSOP | (0 + 0), (1 + 0), (0 + 2) |
| LTC2871 | (0 + 0), (1 + 0), (1 + 1), (1 + 2), (0 + 1), (0 + 2) | 38 引脚 QFN,38 引脚 TSSOP |

图2.LTC2870 和 LTC2871 的简化框图。
应用
LTC2870 和 LTC2871 可采用多种方式进行配置。这些设备的应用分为三大类:
固定接口:LTC2870 或 LTC2871 可永久配置为一个 RS232 或 RS485 接口。例如,图 3 显示了 LTC2870 的两种工作模式。如果提供两个版本的产品,每个接口一个版本,则多协议收发器可最大限度地减少设计差异,减少库存并简化产品认证。

图3.LTC2870 配置为 RS232 (a) 或 RS485 (b) 通信。RS485 配置还显示 RS485 端接电阻器可选择与 TE485 引脚连接高电平切换。
使用共享连接器进行原位配置更改: 某些应用要求在正常产品使用期间在RS232和RS485之间切换信令接口。例如,报警系统中的节点可能通过RS485通信总线与其他节点联网。但是,该节点可以配置为本地RS232访问,从而允许编程或诊断。信号引脚在RS485和RS232收发器之间共享,在任何给定时间都有一个收发器处于活动状态,如图4所示。

图4.LTC2870 协议切换,使用 485/232 引脚。示波器迹线显示驱动器输出在模式变化期间切换数据。
LTC2870 通过控制 232/485 引脚在 RS485 和 RS232 之间切换模式,这可通过处理器控制、手动跳线设置或将引脚连接至 V 的特定于协议的电缆来操纵L或地面。LTC2871 可以以类似的方式使用,但能够独立访问所有信号引脚。
同时操作。某些应用需要并发 RS485 和 RS232 通信。例如,在销售点应用中,收银机可以通过RS485与服务器通信,但也接受来自配备RS232的键盘的输入。LTC2871 具有完全独立的 RS232 和 RS485 收发器,利用单个 IC 为每个协议提供单独的端子。同时使用的另一个示例是RS232和RS485协议之间的转换。图 5 示出了配置为 RS2871 232 英尺“延长线”的 LTC4000,其实现方式是将长电缆线路转换为 RS485,并在末端转换回 RS232。

图5.RS232“延长线”采用 LTC2871 的同步 RS232 和 RS485 通信模式。
整体胜于各部分之和
与简单地组合独立的RS2870和RS485收发器相比,使用多协议器件(例如具有共享RS232和RS485接口引脚的LTC232)具有许多优势。首先,通过将两个收发器的功能组合在一个器件中,可以减少电路板上的整体尺寸。其次,RS232 上的所有接口引脚都可以承受 ±15V 的输入。大多数 RS485 设备只能承受 –7 至 12V 的电压,因此将此类设备连接到 RS232 引脚会降低共享引脚额定值。
也许组合单个RS485和RS232收发器的最大障碍是每个信号标准中使用的端接电阻。这种情况如图6所示,其中两个不同的设备连接到同一总线。RS232接收器的输入电阻规定为5k(标称值),用作与其连接的RS232驱动器的终端电阻。另一方面,如果差分RS485接收器位于信号总线的末端,则可以在其输入端端接120Ω电阻,以减少信号反射。挑战在于切换所选收发器模式下不需要的电阻。例如,在RS485模式下,不应存在5k电阻,同样,在RS232模式下,不得存在120Ω差分端接。

图6.当单独的RS232和RS485收发器组合使用时,端接电阻会带来挑战。
LTC2870 和 LTC2871 可根据需要利用内部组件在端接方案之间无缝切换。
无需外部端接元件或继电器来控制它们。此外,RS485 120Ω 终端电阻可以通过将 TE485 引脚设置为低电平在任何模式下禁用,这在收发器未位于总线末端时非常有用。表 2 总结了 LTC2870 中的端接控制。
|
输入 |
由此产生的终止 |
||||
| 485/232 | TE485 | RXEN | 120Ω:A 至 B,Y 至 Z | 5K:A 到 GND,B 到 GND | 模式 |
| 1 | 0 | X | 不 | 不 | RS485 模式,无端接 |
| 1 | 1 | X | 是的 | 不 | 带终端的RS485模式 |
| 0 | X | 0 | 不 | 是的 | RS232 模式,接收器启用 |
| 0 | X | 1 | 不 | 不 | RS232 模式,接收器已禁用 |
LTC2871 提供了类似的控制,但由于 RS232 和 RS485 引脚不是共用的,因此如果需要,可以同时接合所有终端电阻器。有关详细信息,请参阅数据手册。
关于RS485终端电阻的一些细节
RS485 通过包含一对或多对双绞线的总线进行差分通信。如果驱动到总线的信号的转换时间明显小于负载和返回的往返延迟,则需要使用特性阻抗与总线特性阻抗匹配的电阻对总线进行差分端接。此终端应放置在总线的接收器端或总线的两端,但不能放在两者之间。没有端接或端接不当会引入反射,从而导致严重的波形失真。2
当 LTC485 或 LTC2870 上的 RS2871 端接使能时,120Ω 差分电阻器连接在接收器输入 A 和 B 以及驱动器输出 Y 和 Z 两端。当该器件主动驱动总线时,驱动器终止并不是绝对必要的,例如图7中的主器件。但是,在图7所示总线远端的从机等应用中,Y至Z端接是必需的,其中另一个器件驱动总线。

图7.全双工网络,每个节点均配备 LTC2870/71。
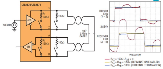
RS485标准规定电缆的特性阻抗为120Ω,而RS422规定电缆的特性阻抗为100Ω。这些电缆通常包含一根或多根双绞线以及接地屏蔽或接地线(有时称为排水线)。作为屏蔽双绞线的替代方案,非屏蔽 100Ω 5 类 (CAT5) 电缆越来越多地应用于 RS485 和 RS422 系统中,作为一种经济的替代方案。
LTC2870 和 LTC2871 在采用 100Ω 或 120Ω 电缆时表现同样出色。即使使用标称值为120Ω的内部端接电阻来端接100Ω电缆,阻抗失配对产生的信号的影响也可以忽略不计。例如,在120Ω电缆的每一端使用100Ω端接的效果是在接收器端产生约10%的过冲,持续时间等于电缆中单向传播延迟的两倍。在大多数通信系统中,这种与理想的小偏差很容易容忍,并且可以提高性能,这就是PROFIBUS标准指定类似端接不匹配的原因。
图 8 显示了使用 LTC2871 内部 120Ω 端接电阻器端接 100 英尺 CAT5e 电缆与用 100Ω 端接的同一电缆相比的结果。虽然内部终结器与100Ω电缆不匹配,但除了接收信号开始时幅度略有增加外,对整体信号几乎没有影响,这可以通过增加信号过驱和噪声容限来提高系统性能。正常的电缆变化、短截线反射和不连续性对信号完整性的影响要大得多。该图还显示了在接收端未端接电缆的破坏性影响,其中反射会大大降低信号。

图8.使用 LTC5 在 Cat2871e 电缆上驱动信号,并比较端接电阻的影响。顶部的示波器迹线显示电缆从动端(Y – Z)处的差分信号,底部的示波器迹线显示穿过电缆(A – B)后接收到的差分信号。
内部RS232电源足以驱动两个收发器
RS232信号在单根导线上以超过5V和–5V的电平相对于地驱动。LTC2870 和 LTC2871 中集成了一个 DC/DC 升压型转换器和容性逆变器,以产生用于支持这些驱动电平的正电压和负电压,同时采用单 3V–5.5V 电源工作。唯一需要的外部元件是一个用于升压电压的 10μH 电感器和一个用于电压反转的 220nF 电容,以及生成的 V 上的旁路电容DD和 V电子电气铁轨。图 9 示出了在典型应用中配置的 LTC2870 或 LTC2871,具有所有必需的外部组件。

图9.图中显示了与外部元件的典型电源连接。
两个 LTC2870 或 LTC2871 器件可由一个器件的内部 DC/DC 转换器同时供电,从而减少了外部组件的数量。图 10 示出了两个 LTC2870、两个 LTC2871 或各一个共享一个内部 RS232 电源。

图 10.从单个共享 DC/DC 转换器运行两个 LTC2870 或 LTC2871。
逻辑电源引脚支持 1.7V 至 5.5V 电源
一个单独的逻辑电源引脚 VL允许 LTC2870 和 LTC2871 与 1.7V 至 5.5V 的任何逻辑信号接口。所有逻辑 I/O 均使用 VL作为他们的高供应。可选,VL可以绑定到 V抄送.图 11 示出了与一个低电压微处理器配合使用的 LTC2870 或 LTC2871。

图 11.五世L引脚允许低电压逻辑接口。
RS485平衡接收器和故障安全
故障安全操作是一个术语,用于描述接收器如何对各种条件做出反应,其中大多数是故障。可预测的故障处理对于稳健的系统设计非常重要。LTC2870 和 LTC2871 接收器可产生一种高输出 (称为故障安全条件),以响应以下所有条件:
怠速巴士。总线上的所有驱动器均禁用高阻抗输出。这种情况实际上不是故障;这是RS485中的正常操作模式。一些接收器本身无法支持这一点,但需要一个电阻网络来偏置总线上的差分信号,使接收器将其检测为高输入。无论总线是否端接,LTC2870 和 LTC2871 都无需总线偏置网络即可支持此功能。
断开的总线。此类故障安全操作是指接收器与总线断开连接的情况。这类似于空闲总线状态,但确实是一种故障情况。依靠总线偏置电阻处理空闲总线条件的接收器无法正确响应此类故障。
短路总线。在这种情况下,接收器输入被短路在一起。一些接收器为开路但不短路的输入提供故障安全操作。同样,总线偏置电阻对于短路总线条件无效。
许多现代RS485接收器通过在差分阈值中引入负偏移来满足故障安全要求。这样,每当总线短路或未驱动但终止时,接收器的输入为零,这被解释为高电平。在这种情况下,接收器是不平衡的,因为阈值在零伏特(差分信号的平均值)附近不对称。
不平衡接收器会为通过长电缆传输产生的微弱信号引入严重的信号脉宽和占空比失真。
LTC2870 和 LTC2871 使用一个具有 65mV 上升门限和一个 –65mV 下降门限的平衡接收器,用于在不到 2μs 的时间内转换通过该窗口的信号,如图 12 所示。如果差分信号在此窗口内徘徊超过2μs,则正门限降至–40mV,以支持所有故障安全工作模式,如前所述。与非平衡接收器相比,平衡接收器架构允许通过更长的电缆进行传输,并且由于典型通信具有 130mV 的宽有效差分输入信号迟滞,因此具有出色的抗噪性。

图 12.(a) 用于快速移动信号的RS485接收器输入阈值特性。(b) 测量的 3Mbps 信号从 4000 英尺的 CAT5e 电缆上驱动。顶部迹线:通过电缆传输后的接收器信号;中间轨迹:显示前两个信号差异的数学运算;底部迹线:接收器输出,表现出出色的占空比。
图 12 重点介绍了 LTC2871 平衡接收器的性能,其中信号以 4000Mbps 的速度通过 5 英尺的 CAT3e 电缆驱动。尽管差分信号的峰值略高于±100mV,边沿较慢,但输出仍保持近乎完美的信号,接收器几乎没有引入占空比失真。
双工和环回控制
RS485 网络可以采用 2 线半双工配置或 4 线全双工配置进行布线。在某些系统中,接口可能需要同时支持两者。LTC2870 和 LTC2871 通过 H/F 引脚提供了动态灵活性。当H/F控制为低电平时,器件处于全双工模式,驱动器输出位于Y和Z引脚上,接收器输入位于A和B引脚上。如果 H/F 引脚为高电平,RS485 收发器将进入半双工模式,接收器从 Y 和 Z 引脚获取输入。这与终端控制无缝协作,对RS232操作没有影响。图 13 显示了说明这种灵活性的简化框图。

图 13.LTC485 中的 RS2870 全双工和半双工控制。
LTC2870 和 LTC2872 还具有一种逻辑环回功能,该功能可用于诊断和用作调试工具。环回模式适用于 RS232 和 RS485 收发器,并提供从驱动器输入引脚到相应接收器输出引脚的逻辑路径。驱动器和接收器未参与环路;仅使用逻辑缓冲器。这允许在不干扰总线的情况下运行诊断测试。或者,在环回期间,只需启用相应的驱动程序即可驱动总线。图 14 显示了环回操作。

图 14.LTC2871 中的逻辑环回控制。无论是否启用驱动程序,环回都有效。
更多应用
LTC2870 和 LTC2871 的丰富功能集使得构建原本难以生产的应用成为可能。例如,图15显示了一个RS485接收器,该接收器利用半双工和全双工控制进行多路复用输入。

图 15.RS485接收器,带多路复用输入。
图 16 显示了如何将两个 LTC2871 器件组合在一起,以构成一个具有可选线路或逻辑接口的三通道 RS232 收发器。此应用使用 CH2 引脚,选择性地禁用第二个 RS232 收发器。

图 16.RS232 三路收发器,具有可选的线路接口 (a) 和逻辑接口 (b)。
禁用时,驱动器和接收器输出不被驱动,接收器输入变为高阻态。这允许这些引脚连接到另一个设备上的相同引脚,其CH2引脚以第一个引脚的互补状态驱动。
结论
LTC®2870 和 LTC2871 是灵活的 3V 至 5.5V 多协议收发器,它们在共享 I/O 引脚 (LTC485) 或单独的 I/O 引脚 (LTC232) 上使用 RS2870 和 RS2871 信号进行通信。集成的可选端接和双工控制允许使用最少的外部组件轻松配置。
审核编辑:郭婷
下一篇:功能性SPI隔离
从profibusDP转ModbusTCP,一网打尽转换技巧!