时间:2023-03-28 11:09
人气:
作者:admin
本文介绍了RS-485数据通信系统中的节能方法。方法包括低功耗收发器集成电路(IC)、内置故障安全阈值的IC(允许消除电缆故障安全电阻)、使用CMOS而不是TTL驱动器、在不传输时采用驱动器禁用功能、在低数据速率短电缆长度应用中消除端接电阻,以及在可行的情况下在3.3V电源下工作。MAX3088和MAX3471是推荐的方案。
如果您了解如何同时保持良好的传输质量,那么在饱和功率高的RS-485设计中减少脂肪很简单。以下讨论涵盖了实现这一目标应该知道的事实、神话和肮脏的伎俩。
工业和楼宇自动化系统包括各种远程数据采集设备,这些设备通过中央单元发送和接收数据,该中央单元使数据可供用户和其他处理器使用。数据记录仪和抄表仪是这些应用的典型特征。RS-485标准定义了近乎理想的数据传输链路,该标准通过单根双绞线电缆互连数据采集设备。
由于RS-485网络中的许多数据采集和数据收集设备都是小型手持式电池供电设备,因此节能对于控制其热量积聚和延长电池寿命是必要的。同样,对于手持式仪器和其他使用RS-485接口将数据下载到主机处理器的应用来说,功耗也是一个问题。
所有的力量都去哪儿了?
功率损耗的一个明显指标是收发器的静态电流(IQ),现代零件大大减少了这一因素。表1比较了低功耗CMOS收发器与双极性行业标准75176的静态电流。
| 部分 | 我Q(驱动程序已禁用) | 我Q(驱动程序已启用) | 关断电流 | 最大数据速率 |
| MAX3471 | 2.8μA | 83μA | 不适用 | 64kbps |
| MAX1483 | 20μA | 55μA | 0.1μA | 250kbps |
| MAX3088 (SRL = 接地) | 420μA | 475μA | 1nA | 10Mbps |
| SN75ALS176 | 19,000μA | 30,000μA | 不适用 | 35Mbps |
RS-485收发器的另一个功耗特性在空载、驱动器使能和交变输入信号的条件下很明显。由于应始终避免使用开路RS-485线路,因此驱动器在每次输出转换期间都会“撬棍”其输出结构。两个输出晶体管的短暂导通同时会产生电源电流尖峰。一个足够大的输入电容可以平滑这些电流尖峰,产生一个RMS电流,该电流随着数据速率的增加而增加,直至达到最大值。对于MAX1483收发器,最大值约为15mA。
将标准RS-485收发器连接到最小负载(一个其他收发器、两个终端电阻器和两个故障保护电阻器),可以在更现实的条件下测量电源电流对数据速率的依赖性。图2显示了MAX1483收发器在以下条件下的ICC与数据速率的关系:标准560Ω/120Ω/560Ω电阻器、VCC=5V、DE=/RE=VCC和1000英尺电缆。
如图2所示,即使在极低的数据速率下,电源电流也增加到约37mA;这主要是由于增加了端接和故障安全偏置电阻。对于低功耗应用,这应该表明所用端接类型的重要性以及如何实现故障保护。故障保护将在下一节中介绍,有关终止的详细说明,请参阅“终止的肮脏伎俩”一节。
故障
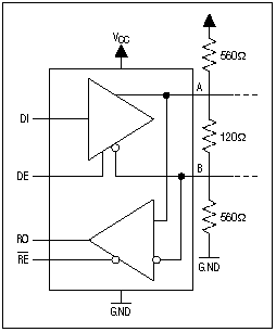
对于-485mV至+200mV之间的RS-200接收器输入,输出未定义。也就是说,如果半双工配置的RS-485侧的差分电压为0V,并且没有主收发器驱动线路(或连接松动),则逻辑“高”输出与逻辑“低”输出一样可能。为了确保在这些条件下获得定义的输出,当今大多数RS-485收发器都需要故障保护偏置电阻:一条线路(A)上的上拉电阻和另一条线路(B)上的下拉电阻,如图1所示。过去,大多数原理图上的故障保护偏置电阻标记为560Ω,但为了降低功率损耗(仅端接一端时),可以将该值增加到约1.1kΩ。一些设计人员端接两端的电阻值介于 1.1kΩ 和 2.2kΩ 之间。权衡是抗噪性与电流消耗。

图1.三个外部电阻构成该RS-485收发器的端接和故障保护偏置网络。

图2.MAX1483收发器的电源电流随数据速率而变化,如图所示。
收发器制造商首先通过在接收器输入端提供内部上拉电阻来避免外部偏置电阻,但这种方法仅对检测开路有效。这些伪故障安全接收器中使用的上拉电阻太弱,无法定义端接总线的接收器输出。其他避免外部电阻的尝试违反了RS-485规范,将接收器门限更改为0V至-0.5V之间的电平。
ADI公司的MAX3080和MAX3471系列收发器通过指定-50mV至-200mV的精密接收器阈值范围解决了这两个问题,从而消除了对故障保护偏置电阻的需求,同时完全符合RS-485标准。这些器件确保接收器输入端的0V产生逻辑“高”输出。此外,这种设计保证了开路和短路条件下已知的接收器输出状态。
如何省电?
如表1所示,收发器的静态电流消耗差异很大。因此,节能的第一步是选择低功耗器件,例如MAX3471(禁用驱动器时为2.8μA,最高可达64kbps)。由于收发器的功耗在传输过程中大幅增加,因此另一个目标是通过发送短数据报文和较长的等待时间来最大限度地减少驱动器的工作时间。表 2 显示了典型串行传输电报的结构。
| 控制位 | 地址位 | 数据位 | 检查位 | 控制位 |
RS-485系统,包括1单位负载接收器(32个可寻址器件),可以具有以下位:5个地址位、8个数据位、起始位(所有帧)、停止位(所有帧)、奇偶校验位(可选)和CRC位(可选)。这种配置的最小报文长度为 20 位。对于安全传输,您必须发送其他信息,例如数据长度、发送地址和方向,这会导致报文长度高达 255 字节(2040 位)。
电报长度的这种变化牺牲了总线时间和功耗来确保数据安全,电报结构由X.25等标准定义。例如,以20kbps的速度传输200位需要100μs。使用MAX1483每秒以200kbps的速度发送数据,要求平均电流
(100μs*53mA + (1s - 100μs)* 20μA)/1s = 25.3μA
当收发器处于空闲模式时,必须禁用其驱动器以实现最低功耗。报文长度对单个MAX1483驱动器功耗的影响如表3所示,该驱动器在传输之间有规定的中断。使用关断模式可以进一步限制系统中的功耗,该系统提供固定时间轮询技术或传输之间更长的确定性中断。
| Telegram | Every Sec. | Every 10 Sec. | Every 60 Sec. |
| 20 bit | 25.3µA | 20.5µA | 20.1µA |
| 100 bit | 61.1µA | 24.1µA | 20.7µA |
| 255 byte | 560.4µA | 74µA | 29µA |
除了这些软件考虑因素外,硬件在功耗方面还有很大的改进空间。图3比较了各种收发器在启用驱动器和接收器的情况下通过1000英尺电缆传输方波时消耗的电源电流。75ALS176和MAX1483在总线两端接标准560Ω/120Ω/560Ω网络,“真故障保护”器件(MAX3088和MAX3471)在总线两端只有120Ω端接电阻。在20kbps时,电源电流范围为12.2mA (MAX3471 with V抄送= 3.3V) 至 70mA (75ALS176)。因此,当您选择具有真正故障保护功能的低功耗器件时,可以立即节省大量功耗,这也消除了对偏置电阻(接地和至V)的需求。抄送).确保您选择的RS-485接收器在差分接收线路上的短路和开路条件下产生有效的逻辑输出电平。

图3.IC收发器的电源电流与数据速率差异很大。
终止的肮脏伎俩
如上所述,端接电阻消除了阻抗失配引起的反射,但它们的缺点是额外的功耗。它们的影响如表4所示,其中列出了各种收发器(驱动器使能)在无电阻、仅端接电阻和端接/故障安全偏置电阻组合的条件下的电源电流。
| MAX1483 | MAX3088 | MAX3471 | SN75ALS176 | |
| IVCC (no RT) | 60µA | 517µA | 74µA | 22µA |
| IVCC (RT =120) | 24µA | 22.5µA | 19.5µA | 48µA |
| IVCC (RT = 560-120-560) | 42µA | N/A | N/A | 70µA |
不终止
降低功耗的第一种方法是完全消除端接电阻。此选项仅适用于短电缆和低数据速率,它们允许反射在接收器中采样之前建立。根据经验,当信号的上升时间至少比通过电缆的单向传播延迟长四倍时,不需要端接。在以下步骤中,使用此规则计算未端接电缆的最大可用长度:
第 1 步。对于所讨论的电缆,求单向传播速度,通常由电缆制造商提供,作为自由空间中光速的百分比 (c = 3x108米/秒)。标准绝缘 PVC 电缆(由 #24 AWG 双绞线组成)的典型值为 8in/ns。
第 2 步。对于RS-485收发器,找到其最小上升时间(t分钟升) 来自数据表规格。例如,MAX3471的额定值为750ns。
第 3 步。将最小上升时间除以 4。对于MAX3471,t分钟升/4 = 750ns/4 = 187.5ns。
第 4 步。计算无需端接的最大电缆距离:187.5ns(8英寸/秒)(1英尺/12英寸)= 125英尺。
因此,MAX3471在64英尺电缆上以125kbps的速度发送和接收时,无需终端,也能保持良好的信号质量。图4所示为MAX3471电源电流显著降低,用100英尺电缆和1000Ω终端电阻代替120英尺电缆和<>Ω终端电阻。

图4.电阻端接表示功率的重大损失。
遥控端接
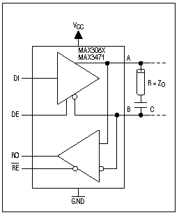
乍一看,RC端接阻断直流电流的能力非常有前途。但是,您会发现此技术施加了特定的条件。端接由差分接收器输入(A和B)上串联的R和C组成,如图5所示。尽管 R 始终等于电缆的特性阻抗 (Z0),C的选择需要一些判断。较大的 C 值允许任何信号看到与 Z 匹配的 R 来提供良好的端接0,但较大的值也会增加驱动器的峰值输出电流。不幸的是,较长的电缆需要更大的 C 值。关于优化 C 值的整篇文章都写了关于这种权衡。您可以在本文末尾的参考资料中找到用于此目的的详细方程。

图5.RC 端接可降低功率损耗,但需要仔细选择 C 值。
平均信号电压是另一个经常被忽视的重要因素。除非平均信号电压是直流平衡的,否则直流阶梯效应会由于模式相关的偏斜(称为“码间干扰”)而引起显著抖动。简而言之,RC端接可有效降低电源电流,但它们往往会破坏信号质量。由于RC端接对其使用施加了如此多的限制,因此在许多情况下,更好的替代方案是根本不使用端接。
肖特基二极管端接
肖特基二极管在关注功耗时提供另一种端接。与其他端接类型不同,肖特基二极管不尝试匹配线路阻抗。相反,它们只是夹紧由反射引起的过冲和下冲。因此,电压偏移仅限于正电源轨加上一个方向上的肖特基二极管正向压降,以及另一个方向的接地减去肖特基压降。
肖特基二极管端接几乎不会浪费功率,因为它们仅在存在过冲和下冲的情况下导通。另一方面,标准电阻端接(带或不带故障安全偏置电阻)连续消耗功率。图6显示了肖特基二极管用于消除反射的目的。肖特基二极管不能实现故障保护工作,但MAX308X和MAX3471收发器允许的门限电压选择允许使用这种类型的终端实现故障保护工作。

图6.肖特基二极管端接虽然昂贵,但具有许多优点。
理想二极管的最佳近似值(零正向电压Vf,零导通时间 t上和零反向恢复时间 tRR)是肖特基二极管,因其在取代高功率端接电阻器方面的价值而备受关注。缺点是,RS-485/RS-422系统中的肖特基二极管端接无法箝位所有反射。一旦反射衰减到肖特基正向电压以下,其能量就不受终端二极管的影响,并持续存在,直到电缆耗散。这种挥之不去的干扰是否是一个问题取决于接收器输入端的信号幅度。
肖特基端接的一个主要缺点是成本。一个端接需要两个二极管。由于RS-485/RS-422总线是差分的,因此该数字再次乘以6(图<>)。公共汽车上有多个肖特基终结器并不少见。
肖特基二极管端接对于 RS-485/RS-422 系统具有许多优势,其中最主要的是节能(图 7)。无需计算,因为在肖特基端接器施加任何限制之前,将满足电缆长度和数据速率的指定最大值。另一个优势是,不同短截线和接收器输入端的多个肖特基终结器在不加载通信总线的情况下提高了信号质量。

图7.RS-485系统中的电源电流随数据速率和端接类型而变化很大。
总结
当数据速率高且电缆较长时,RS-485系统中的“弱电”很难实现,因为需要线路端接。在这种情况下,具有“真正故障安全”接收器输出的收发器无需故障保护偏置电阻,即使在使用端接时也能节省功耗。软件通信结构还可以通过将收发器置于关断状态或在不使用时禁用驱动程序来降低功耗。
对于较低的数据速率和较短的电缆,功率差异是巨大的:使用具有60Ω端接的标准SN100ALS75收发器通过176英尺电缆以120kbps的速度发送数据,从系统电源消耗70mA电流。另一方面,在相同条件下使用MAX3471时,电源仅消耗2.5mA电流。
审核编辑:郭婷
下一篇:RS-232串行通信基础知识
从profibusDP转ModbusTCP,一网打尽转换技巧!