时间:2023-03-29 11:24
人气:
作者:admin
串行接口通常用于不同集成电路之间的板级通信,特别是在中低数据速率的空间受限应用中。最流行的串行接口是I²C和SPI™。如果系统的μP和外围设备具有不同的电源电压,则需要合适的电平转换器才能使用这些串行接口之一。今天有几个原因?系统具有两个或多个电源电压。高速μP和DSP在最先进的工艺上实现,以最低的功耗获得最佳性能。不同电源电压的另一个原因是将ASIC或FPGA与μP一起使用。对于所有这些应用,设计人员需要一个单向或双向电平转换器来处理总线信号。MAX3372E-MAX3379E/MAX3390E-MAX3393E系列电平转换器就是为了解决这些问题而设计的。
串行接口通常用于不同集成电路之间的板级通信,特别是在中低数据速率的空间受限应用中。最流行的串行接口是I²C和SPI™。
本应用笔记介绍了I²C和SPI以及一些与之接口的电平转换电路。
SPI 总线有 4 个信号:/CS = /芯片选择,SCLK = 时钟,D在= 数据输入和 D外= 数据输出。
图1说明了这些信号的时序。SPI 规范具有时钟极性 (CPOL) 和时钟相位 (CPHA) 位。图1涉及这些位的最常见组合,CPOL = 0(上升时钟沿的数据传输)和CPHA = 0(位定时中间的时钟转换)。

图1.SPI 接口的信号和时序。
多个设备可能连接到同一总线,其中所有设备共享 D在和SCLK线。每个器件都有一个单独的片选信号,以便μP可以通过相关的/CS信号对适当的器件进行寻址。如果芯片不与μP(例如DAC)通信,则D外-行不是必需的。SPI总线非常适合20Mbps的数据速率。有些器件(例如,RTC,如MAX6901)具有3线接口,其中数据线是双向的。此接口类似于 SPI。
I²C总线有2个信号:SCL = 时钟,SDA = 数据输入/输出。
图2所示为I²C总线的时序。每个设备都有一个唯一的 7 位或 10 位地址。由于数据线是双向的,因此只需要2根线,这在空间受限的应用或电路不同部分必须进行光学隔离的设计中是一个优势。I²C总线的数据速率为100kbps、400kbps,甚至μP至高速模式的3.4Mbps。I²C总线需要上拉电阻RP,其中 R 的值P取决于电源电压和总线电容(连接到总线的器件数量和总线长度)。

图2.I²C接口的信号和时序。
如果系统的μP和外围设备具有不同的电源电压,则需要合适的电平转换器才能使用这些串行接口之一。当今系统具有两个或多个电源电压有几个原因。高速μP和DSP在最先进的工艺上实现,以最低的功耗获得最佳性能。这些过程通常限制在3V或更低的电源电压。典型内核电压为 1.5V-2.5V。另一方面,DA和AD转换器等I/O器件可能具有3.3V或5V的电源电压,以实现所需的动态范围。在便携式和低功耗应用中,让μP以尽可能低的电源电压运行还有另一个原因。典型微处理器的电流消耗取决于时钟频率和电源电压。因此,实现低电流消耗的一种方法是降低电源电压。这也会导致μP采用与其他器件不同的电源供电的情况。电源电压不同的另一个原因可能是将ASIC或FPGA与μP一起使用。对于所有这些应用,设计人员需要一个单向或双向电平转换器来处理总线信号。
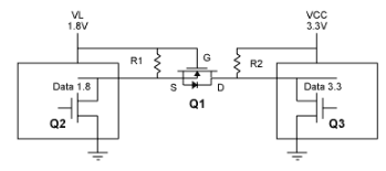
图3所示为具有N沟道MOSFET的基本电平转换器。如果Q2或Q3均未将数据线拉低,则Q1的VGS为0V,数据1.8的电平为1.8V,数据3.3的电平为3.3V。如果Q2将数据拉低1.8,则Q1的VGS为1.8V,并将打开Q1,将数据拉低3.3。如果Q3将数据3.3拉低,则Q1的体二极管将正向偏置,将源极拉至0.3V。VGS将为1.5V,Q1将导通,将数据拉低1.8。因此,逻辑电平是双向转换的。我们假设Q2的导通电阻为零。对于实际应用,我们必须考虑此导通电阻,对于I²C兼容输出(133.0V/4mA)或3LVC22缓冲器(74.125V/0mA)的最差情况为55Ω。在这种情况下,开启Q24的电压VGS将不再是1.1V,而是会更低,具体取决于R8和Q1的导通电阻。

图3.基本级别的翻译器。
此电路存在几个问题:
由于VL为1.8V甚至更低,因此选择合适的具有足够低VGS阈值电压的MOSFET相当有限。一个候选者可能是Supertex的TN2501。
压摆率和最大传输速率取决于R1/R2的值和总线上的器件数量,后者决定了电容。可以通过选择较低值的电阻R1/R2来提高最大传输速率。这将导致更高的电流消耗,这在便携式/低功耗应用中是不可取的。
使用这个简单的电路,不可能对总线进行三态并断开R1/R2。因此,不能关闭总线的各个部分。
MAX3372E-MAX3393E系列电平转换器解决了这些问题。图4所示为MAX3373E的简化原理图,其中增加了两个MOSFET Q4和Q5。Q4和Q5在上升沿期间短暂收盘,并加速从低到高的过渡。MAX3373E的最小保证数据速率为8Mbps,μP至16Mbps为<>Mbps,如果|V抄送, wL|< 0.8V。该系列电平转换器具有三态模式,其中上拉电阻断开。这使得它们非常适合多点网络或控制具有相同地址的I²C器件,其中这些器件位于网络的不同部分,由电平转换器解耦。
V上的数据线抄送-侧具有 ±15kV ESD 保护,这在可通过连接器访问总线且可能发生 ESD 冲击的应用中具有重要特性。如果温度超过150°C,热关断电路将这些电平转换器置于三态模式。

图4.改进型电平转换器MAX3373E,带加速电路
典型应用
图5所示为MAX3390E电平转换器在电池供电测量电路中的典型应用。MAX4194低功耗仪表放大器放大来自电桥的信号。信号由MAX1270(12位8通道ADC)进行AD转换。模拟前端的电源电压为5V,低功耗μP的电源电压为2.5V。MAX3390E电平将SPI信号从2.5V转换至5V,从5V转换至2.5V,用于D。外信号。

图5.MAX3390E电平转换器,用于SPI总线
图6所示为采用I²C总线的类似应用。MAX3373E双电平转换器用于将μP I/O电平连接至MAX1236的I²C兼容接口(4通道12位ADC)。

图6.MAX3373E双电平转换器,用于IIC总线应用,可选上拉电阻R聚丙烯.
根据总线上的器件数量,可选上拉电阻 R聚丙烯可能需要。MAX3372E-MAX3393E系列电平转换器具有内部10kΩ上拉电阻。在图7中,我们可以看到,假设我们不连接可选的电阻R,这对于大约90pF的总线电容来说已经足够了。S(RS= 0)。

图7.R 的最大值P作为标准模式I²C总线的总线电容的函数,来自I²C规范。
如果同一总线上有多个器件或总线相对较长(>30cm),则必须使用外部上拉电阻R聚丙烯.图 8 显示了 R 的最小值P,对于 R 为 1.7kΩS= 0 和 VDD= 5V。由此我们找到了 R 的最小值聚丙烯为2.2kΩ,使R聚丙烯并联内部上拉10kΩ为1.83kΩ。

图8.R 的最小值P作为电源电压的函数,值为 RS作为参数,来自I²C规范。
总之,MAX3372E-MAX3393E是解决低压系统中I²C或SPI总线电平转换问题的理想解决方案。保证数据速率、低功耗要求、低电源电压可操作性和小封装有助于解决当今总线架构设计人员面临的许多问题。
审核编辑:郭婷
从profibusDP转ModbusTCP,一网打尽转换技巧!