时间:2022-12-09 11:50
人气:
作者:admin
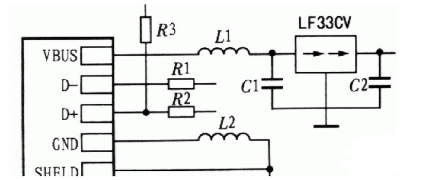
USB接口电路的原理图中,R3是上拉电阻器,它可使USB口的D+端上拉到DS2490S的VB端,表示USB主机系统是高速设备,同时这个上拉电阻器告诉主机有USB设备插入。该上拉电阻器的设置对适配器的影响很大,它的负载值和1-Wire网络的总长决定1-Wire总线电压上升到5 V的速度。经过实验测试选择R3的阻值为27 Ω±lO%。R1、R2为USB数据线保护电阻器。L、L2具有禁止高频干扰并且减弱EMI辐射的功能。LF33CV为3.3 V电压稳压器,与周围元件C1、C2组成强上拉部分,给EEPROM或温度传感器等器件提供额外的电源。

采用PDIUSBD12芯片,这是一种价格便宜、功能完善的并行接口芯片,它支持多路复用、非多路复用和 DMA并行传输。PDIUSBD12接口芯片遵从协议USB1.1,适合于不同用途的传输类型。PDIUSBD12需要外接微控制器(MCU)来进行协议处理和数据交换,它对MCU没有特殊要求,而且接口方便灵活,因此设计师可以选用自己熟悉的MCU对芯片进行控制,也可利用Philips公司的固件 (firmware)结构来缩短开发时间、降低风险、减小投资。

PDIUSBD12除了具有USB设备的一般特性外,还具有如下特点: (1)是一种高性能的USB接口芯片,其内部集成有 SIE(Serial Interface Engine)、320字节的FIFO、收发器和电压调节器。 (2)适用于大部分设备类规范。可与任何外部微控制器/微处理器实现高速并行接口,其速度可高达2Mbit/s。 (3)可进行完全独立的DMA操作。 (4)主端点配置有双缓冲,因而可提高数据的吞吐量、减小数据传输时间,轻松实现数据的实时传输。 (5)当采用同步传输方式时,数据的传输速度为1Mbit/s;而采用批量传输方式的速度为1Mbyte/s。在使用上述方式进行数据传输时,可方便地使用多种中断方式。 (6)带有可编程的时钟输出,与USB总线的连接可通过软件来控制(Soft Connect TM)。 (7)有两种工作电压可供选择:分别为3.3±0.3V和3.6~5.5V。 (8)输出和数据传输状态可通过USB连接指示灯来监控。
编辑:黄飞
从profibusDP转ModbusTCP,一网打尽转换技巧!