CAN总线的应用范围广,应用环境相当复杂,一些静电、浪涌等干扰很容易
耦合到总线上,并直接作用于CAN总线接口。为了满足一些高等级
EMC的要求,有必要添加额外的外围
保护电路。
▌为什么需要保护电路
一般的CAN
收发器芯片ESD、浪涌防护等级较低,如SM1500隔离CAN收发器虽隔离耐压为3500V
DC,裸机情况下,CAN
接口ESD可达6kV,但无法满足常见的浪涌测试要求。
工业产品对
通信接口的EMC等级要求较高,许多应用要求满足IEC61000-4-2静电放电4级,IEC61000-4-5 浪涌抗扰4级等要求,在此情况下,必需增加必要的保护电路,才能满足要求。
▌接口保护及工作原理
1.
推荐电路
图1为CAN接口推荐保护电路,合理的保护可以极大提升接口的抗干扰能力。总线接口保护分三级,一级实现大能量泄放、二级进行
电流限制、三级进行电压钳位。各级电路各司其职,共同作用达到最佳的保护效果。

图1 CAN接口推荐保护电路
2. 工作原理——差模回路
如图2,当有差模干扰电压施加在接口1,2脚时,
TVS1响应最快,首先导通,芯片总线引脚CANH、CANL之间的电压被钳位。R2、R3
电阻限制流过TVS1的电流,防止其过功率损坏。
GDT响应最慢,最后导通,泄放掉大部分能量,并将残压限制在较低水平。

图2 差模泄放回路示意
3. 工作原理——共模回路
如图3,为保证良好的保护效果,
通信参考地CANG应在组网后单点接地。 当有共模干扰电压施加在接口1,2脚时,TVS1响应最快,首先导通,芯片总线引脚与CANG之间的电压被钳位。R2、R3电阻限制流过TVS1的电流,防止其过功率损坏。GDT响应最慢,最后导通,泄放掉大部分能量,并将残压限制在较低水平。

图3 共模泄放回路示意
▌应用注意事项
1. 保护电路要可靠接地
共模干扰需以大地(或保护地)作为泄放回路,保护电路必须可靠接地,否则共模保护部分没有返回路径,保护电路失效,可能造成前级芯片或电路损坏,如图4。

图4 未接地共模电流路径
2.尽可能减小引入的
电容
CAN总线对总线电容要求极高,应尽可能降低保护电路自身的等效电容。按图1推荐的电路结构进行设计,保护电路的总差分电容可控制在10pF左右,在提供足够保护的同时,基本避免了对CAN总线通信造成的影响。
▌设计实例
1. 设计一个满足IEC61000-4-5 Class4的保护电路
依据标准,Class4适用于通信互连线在户外布置的应用场合。
该等级浪涌测试开路电压4kV,短路电流高达100A。由于CAN线缆为对称通信线,仅需进行线-地(共模)测试。
● 气体放电管:通流量可选择500A,开启电压90V,封装1206。若空间充足,可选择通流量更大的器件,以达到更好的保护效果。
● 限流电阻:电阻不宜过大,否则会导致
信号幅值过低。一般选择10欧以内,如4.7欧。若TVS管导通电压为12V,则流过电阻峰值电流约为(90-12)/4.7=16.5A。应选择可通过峰值电流16.5A的大电流电阻,如绕组电阻、
PTC等,切勿选择普通的
金属膜、
碳膜电阻!
● TVS管:导通电压应高于信号幅值,并低于引脚最大直流耐压,如12V。峰值电流则应大于2*16.5=33A,如P6KE12CA。
●
二极管:反向耐压大于TVS最大导通电压,峰值电流大于16.5A,如1N4007。
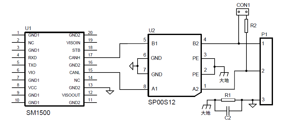
▌产品推荐
致远
电子提供了完整的CAN接口
产品方案,可为客户免除CAN接口及保护电路的设计烦恼。SM1500隔离CAN收芯片配合SP00S12浪涌保护模块,可轻松满足IEC61000-4-5测试要求,为客户提供一个紧凑且高可靠的CAN总线接口。

图5 SM1500与SP00S12典型连接
本文给出的保护电路,仅作为参考设计。实际的总线应用复杂,外围保护电路也需要根据总线节点数、总线长度等因素进行实际调整,才能达到满意的保护效果。