时间:2023-01-24 19:40
人气:
作者:admin
三极管属于电流型驱动元器件,因此一般在基极都会串一个限流电阻,一般小于等于10K,但是在基极为什么会下拉一个电阻呢?举例说明。如下图,是温度开关控制马达电路图。
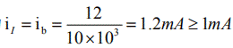
简单讲解一下三极管,如果三极管工作在饱和区(完全导通),Rce≈0,Vce≈0.3V,且这个0.3V,我们就认为它直接接地了。那么就需要让Ib大于等于1mA,若Ib=1mA, Ic=100mA,它的放大倍数β=100,三极管完全导通。如下图,是一个NPN三极管。

三极管属于电流型驱动元器件,因此一般在基极都会串一个限流电阻,一般小于等于10K,但是在基极为什么会下拉一个电阻呢?举例说明。如下图,是温度开关控制马达电路图。

如图是温度开关控制马达转和停,温度开关相当于一个按键开关。在B极串个开关,N管就能够做个开关管使用。图中马达是一个直流有刷马达,只要正极接通12V,负极接地,马达就开始转。
当温度开关导通,回路I流过的电流的为

三极管CE完全导通,Vce ? 0.3V,这时候,马达两端的电压压降接近 12V,它就能够转动,因为三极管be的导通后阻抗远远小于2K电阻R2,所以电流大部分流过三极管;当温度开关断开,ib 就没有电流,ic 也没有电流。
由于温度开关在关断的瞬间,三级管ib、ic上的电流并不能够一下子降到零,而是慢慢降到零,这是制造工艺必然存在的,在这段时间,三极管是工作在放大区,是容易受到干扰。因此需(找元器件现货上唯样商城)要接个下拉电阻R2,这个电阻一是给三极管提供了个放电回路,二是为点A提供一个能量分散的通路。
放电回路怎么理解?
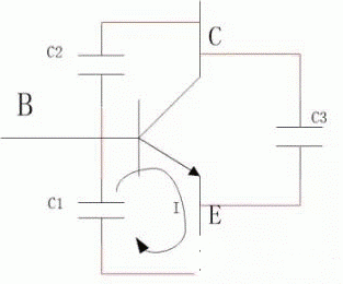
如下图三极管寄生电容,三极管实际工艺制造模型,三极管BE、BC、CE之间分别有电容C1、C2、C3。这三个电容的存在一方面是我们不需要的,另一方面,又是工艺中无法避免克服的,是制造工艺过程中必然存在的现象。我们把这种电容一般称之为杂散电容,或者说是寄生电容。
由于有电容的存在,三极管势必有延时。当ib没有电流时,电容C1开始放电,形成回路I,这个时候B点的电压从0.7V降到0V,工作在放大区,容易受到干扰,在C1两端加个电阻R2,电容上的电一部分就会从电阻R2上释放掉,并且电阻阻值越小,电容放电越快。因此,电阻R2给电容提供了一个通路释放电荷,大大减短了三极管工作在放大区的时间。

给能量提供一个分散通路怎么理解?
为什么说电阻 R2 为点A提供了一个能量分散通路。如图2所示,温度开关断开时,此时点A是悬空的,A点电压不确定,为高阻态(阻抗无穷大),容易出现误导通的现象,而且也容易受到周围环境干扰,比如静电、雷击等使器件损坏。
当使用环境出现雷击,高压静电等情况,在点A下拉一个电阻接到地,大部分电流就会顺着电阻流入地,给能量提供一个分散通路。如果没有接这个电阻,当发生雷击时,由于A点左边阻抗无穷大,A点右边接三极管,阻抗相对左边来说是很低的,因此电流会全部往阻抗低的方向跑,流入三极管,造成电流过大,使器件性损坏。
关于MOS管
由于篇幅限制,关于MOS管基础知识,移步此处:MOS管基本认识。
下拉电阻的作用有两个:
防止在静电作用下,电荷没有释放回路,容易引起静电击穿
MOS管在开关状态工作时,就是不断的给Cgs充放电,当断开电源时,Cgs内部可能储存有一部分电荷,但是没有释放回路,MOS管栅极电场仍然存在且能保持很长时间,建立导电沟道的条件没有消失。在下次开机时,在导电沟道的作用下,MOS管立即产生不受控的巨大漏极电流Id,引起MOS管烧坏。
审核编辑:刘清
从profibusDP转ModbusTCP,一网打尽转换技巧!