时间:2022-08-02 14:59
人气:
作者:admin
汽车设计中最重要的是安全性,因此设计人员需要增加更多的传感器和辅助驾驶系统。难点是尽管温度和湿度波动很大并且存在振动和电磁兼容性问题,但这些系统需要一个通用接口,并且必须能够可靠地通信,实现零错误。
对于设计人员来说,不妨了解符合外设传感器接口 (PSI5) 要求的基于传感器的解决方案。这是一种坚固的抗干扰接口,最初用于安全气囊系统,但现在正越来越多地用于新的传感器密集型汽车应用。
本文将先介绍 PSI5 总线,然后介绍和描述多种 PSI5 系统解决方案以及如何使用它们来配置基于传感器的控制系统。
PSI5 接口用于将多个传感器连接到电子控制单元 (ECU),已广泛用作安全气囊和相关约束系统的主要传感器通信总线。它是 PSI5 组织网站 PSI5.org 上提供的一个开放标准。最新的规范是 PSI5 版本 2.3,已作为所有子标准(包含用于安全气囊、底盘和安全控制以及传动系统的子标准)的一项通用基本标准发布。
PSI5 标准以两线(双绞线)总线实施,数据传输采用电流调制和曼彻斯特编码,数据速率为 125 kbps(可选 189 kbps)。与其他常见汽车数据总线相比,它属于中速接口(表 1)。

表 1:常见汽车数据总线的比较。PSI5 属于中速接口。(数据来源:Digi-Key Electronics)
PSI5 在中速范围内的优势在于成本比 CAN 或 FlexRay 更低,但具有与传感器数据兼容的数据速率。SENT 数据总线也用于传感器数据传输,但其限制在于仅能将数据从传感器发送到电子控制单元 (ECU)。PSI5 为双向,允许传感器寻址和配置。
PSI5 在汽车 ECU 中的典型实施包括馈送多个接口的微控制器(图 1)。

图 1:汽车微控制器 ECU 的框图,包括用于常见汽车数据总线(含 PSI5)的 I/O 端口。(图片来源:Digi-Key Electronics)。
图 1 中微控制器右侧方框显示了支持的 I/O 端口。其中包括以太网、控制器区域网络 (CAN)、本地互连网络 (LIN)、FlexRay 汽车通信总线,以及单边缘渐进传输 (SENT) 和 PSI5 传感器接口。这些汽车 ECU 高度集成并可包括三角积分模数转换器 (ADC),实现快速准确的传感器测量。
ECU 使用两根电线连接到传感器。与使用三根或更多根电线的其他总线相比,使用两线双绞线降低了实施成本。相同的两根电线用于电力和数据传输。ECU 可使用集成或单独的 PSI5 收发器向传感器提供稳压,并读取其传输的数据。传感器数据通过使用曼彻斯特编码的电流调制传输到 ECU(图 2)。

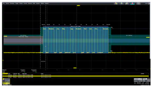
图 2:PSI5 接口的曼彻斯特编码在位时间间隔中间使用电流转换。Teledyne LeCroy 型号为 HDO4104A 的数字示波器提供可选的曼彻斯特解码器。(图片来源:Digi-Key Electronics)
通过使电流从基准电平(传感器标称静态电流)变为最高电平,实现从传感器传输数据。此示例中的电流具有 10 毫安 (mA) 的基准电平和 40 mA 的最高电平,增量为 30mA。
曼彻斯特编码在位时间间隔的中间利用电流转换。在 PSI5 收发器内检测电流调制,其中正斜率表示为逻辑“0”,负斜率表示为逻辑“1”。在图中,位时间间隔由垂直光标标记。带有可选曼彻斯特解码器的 Teledyne LeCroy 型号 HDO4101A 示波器将 PSI5 数据包分成十三个位时间,由垂直蓝线表示。位时间间隔中间的电流转换表示数据值,由示波器在转换时打印。
ECU 使用电压调制与 PSI5 传感器通信。该方法用于同步来自传感器的数据传输。
当单个传感器连接到 ECU 时,该传感器控制数据传输的时序和重复率。如果连接了多个传感器,则 ECU 控制同步和数据传输。多个传感器可以并联或通过总线配置连接,也可以通过一系列传感器进行“菊花链连接”。本文稍后会更详细地讨论这些配置。
PSI5 数据帧提供了极大的灵活性(图 3)。除了具有三个主要组件的基本结构外,还存在一个扩展功能结构。

图 3:PSI5 数据帧的结构显示数据有效载荷区域中的基本区段和扩展区段。(图片来源:Digi-Key Electronics)
基本结构包含以下必需元素:
扩展数据结构包括控制、消息传送和状态数据,总结见表 2。

表 2:具有子字段的附加 PSI5 数据包可选字段提供更多灵活性。(数据来源:Digi-Key Electronics)
NXP Semiconductors RDAIRBAGPSI5-001 是汽车安全气囊控制系统的一种参考设计,显示了基于 PSI5 的传感器设计中的元素(图 4)。

图 4:NXP Semiconductors 安全气囊参考平台设计的框图显示了基于 PSI5 的传感器接口的元素。(图片来源:NXP Semiconductors)
该参考设计使用 NXP PSI5 收发器 ASSP 作为传感器和微控制器之间的接口。ASSP 是一种混合模式(模拟/数字)设备,可处理多种约束系统相关功能。在传感器方面,它最多支持四个传感器通道,提供电源和控制。
加速、温度和压力传感器在车辆中应用很普遍。与安全气囊系统相关的传感器主要是加速计。ECU 附近通常有一个本地加速计。在车辆四周还有多个加速计,称为卫星传感器。安全气囊 ECU 使用来自多个传感器的数据确保故障保护性能。如果卫星传感器检测到减速,ECU 还会轮询本地加速计以验证是否存在“碰撞”事件,而并非加速计故障。
典型的安全气囊加速计是单轴传感器,适用于汽车应用,可配置的传感器范围为 ±30 g 至 ±480 g,量程因素为 2。它支持 PSI5 直接连接,以及同步并行和菊花链双向通信。这些加速计可用于前端或侧面碰撞感应、冲击和振动检测或行人碰撞感应。
使用加速计时,PSI5 提供了几种将其连接到 ECU 的方法(图 5)。

图 5:PSI5 支持的四种不同传感器连接拓扑的示例,可供需要连接加速计的设计人员使用。在所有情况下,ECU 通过 PSI5 收发器为传感器供电并读取传感器数据。(图片来源:Digi-Key Electronics)
该图显示了 PSI5 支持的四种 ECU 与传感器可能的连接方式。在所有情况下,ECU 通过 PSI5 收发器为传感器供电并读取传感器数据。在同步拓扑中,ECU 还控制传感器。图 6 中的时序图有助于说明各种操作模式之间的差异。

图 6:四种 PSI5 连接拓扑的时序有简单的点对点和较复杂的同步并行等。同步模式中的时序由 ECU 使用电压调制同步脉冲启动。(图片来源:Digi-Key Electronics)
连接加速计的最简单方法是使用直接点对点连接。在该模式中,ECU 为周期性传输数据的传感器供电。数据传输的时序和重复率由传感器控制。
当包含多个传感器(例如,同一封装中的温度、压力或多轴加速传感器)的传感器集群直接连接时,则为与点对点连接相关的多通道集群模式。该连接能够以同步或异步时序模式实现。来自不同传感器的数据可以被多路复用,或者如此处所示,合并成同一数据包内的两个不同数据段。
同步模式中的时序由 ECU 使用电压调制同步脉冲启动。
并行连接将每个传感器分布于总线上。通过来自 ECU 的同步信号开始数据传输。然后,每个传感器按其相应的指定时隙发送其数据。
在菊花链配置中,传感器没有固定地址,可以连接到总线上的任意位置。在启动期间,每个传感器接收单独的地址,然后将电源电压传递给后续传感器。从 ECU 到传感器的双向通信使用称为寻址序列的特定同步信号模式来完成寻址。在分配了各个地址之后,传感器响应 ECU 产生的同步脉冲,开始按其相应时隙发送数据。
设计人员需要在车辆上增加更多传感器以提高车辆的安全性。如本文所述,PSI5 总线为连接多个传感器提供了一种高度可靠且可互操作的方法,此方法在物理配置和数据包结构方面均具有灵活性。
从profibusDP转ModbusTCP,一网打尽转换技巧!