时间:2019-09-18 15:43
人气:
作者:admin
1 总体方案设计
线阵CCD一般不能直接在测量装置中使用,因此CCD驱动信号的产生及输出信号的处理是设计高精度、高可靠性和高性价比线阵CCD驱动模块的关键。
传统驱动CCD的设计方法使CCD的工作频率较慢,信号输出噪声增大,不利于提高信噪比,不能应用于要求快速测量的场合。而用可编程逻辑器件CPLD进行驱动,则可提高脉冲信号相位关系的精度,以及提供给CCD驱动脉冲信号的频率,而且调试容易、灵活性高。目前,在工业技术中,多采用基于CPLD的驱动电路实现线阵CCD的驱动。系统框图如图1 所示。

图1 基于CPLD 的线阵CCD 的驱动电路
2 硬件设计
2. 1 CPLD 的硬件电路的设计
以CPLD( Complex Programmable Logic Device) 器件为核心,设计线阵CCD 的驱动电路。然后在其基础上扩展,选择其他元器件,设计出与其相配套的电路部分,经调试后组成硬件系统。
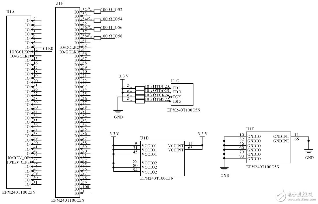
CPLD 的电路由5 部分组成, 有源晶振向EPM240T100C5N 的U1A 的IO/GCLK0 口输入时钟脉冲CLK0,提供了CPLD 工作的时钟脉冲,因为时序逻辑的需要。U1C 从JTAG 端口中下载程序,U1B 的52、54、56、58 口输出脉冲信号。U1D 管脚接3. 3 V 电压,U1E 管脚接地。电路原理如图2 所示。

图2 CPLD 的电路原理图
2. 2 DC /DC 模块的设计
为得到CPLD 所需的电压,外接电源需要经过DC /DC 模块进行转换。为进一步减少输出纹波,可在输入输出端连接一个LC 滤波网络,电路原理如图3所示。

图3 DC/DC 模块的电路原理图设计
2. 3 稳压模块的电路设计
由DC /DC 模块转换的直流电压,经过一个R11电阻和一个发光二极管接地,发光二极管指示灯,然后从AMS 芯片的Vin端输入,进入到芯片的内部,经过一系列的计算,从Vout输出3. 3 V 电压,GND 端端口接地。为消除交流电的纹波,电路采用电容滤波,分别用0. 1 μF 的极性电容和10 μF 的非极性电容组成一个电容滤波网络。电路原理如图4 所示。

图4 稳压模块的电路设计
2. 4 CCD 电路设计
CCD 电路采用TCD1500C,它是一个高灵敏度、低暗流、5340 像元的线阵图像传感器。其像敏单元大小是7 μm × 7 μm × 7 μm,相邻像元中心距7 μm,像元总长37. 38 mm.该传感器可用于传真、图像扫描和OCR.TCD1500C 的测量精度和分辨率都很高,并且只需4 路驱动信号: SH、φ、RS、SP。电路原理如图5 所示。

图5 CCD模块电路原理图
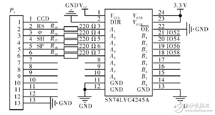
2. 5 电平转换的电路设计
由于CPLD 输出的驱动脉冲电压为3. 3 V,而CCD工作所需的驱动脉冲为5 V,所以需要在CPLD 和CCD之间加入一个电平转换电路。电路原理如图6 所示。

图6 电平转换的电路原理图
3 软件设计
系统软件采用Verilog HDL 硬件描述语言,按照模块化的思路设计,将要完成的任务分成为多个模块,每个模块由一个或多个子函数完成。这样能使设计思路清晰、移植性强,在调试软件时容易发现和改正错误,降低了软件调试的难度。程序中尽量减少子函数之间的相互嵌套调用,这样可以减少任务之间的等待时间,提高系统处理任务的能力[7 - 8]。主程序如图7 所示。

图7 主程序流程图
SH 是一个光积分信号,SH 信号的相邻两个脉冲之间的时间间隔代表了积分时间的长短。光积分时间为5 416 个RS 周期,对系统时钟进行光积分的分频,实现了SH 信号脉冲。在光积分阶段,SH 为低电平,它使存储栅和模拟移位寄存器隔离,不会发生电荷转移。时钟脉冲φ 为典型值0. 5 MHz 时,占空比为50%,占空比是指高电平在一个周期内所占的时间比率。它是SH 信号和占空比为50%的一个0. 5 MHz 的脉冲信号叠加,所以0. 5 MHz 的信号和SH 信号通过一个或门,就可以实现φ 信号; 输出复位脉冲RS 为1 MHz,占空比1∶ 3.此外,RS 信号和SH、φ 信号有一定的相位关系,通过一个移位寄存器移相,来实现RS 脉冲信号。
4 仿真实验
系统时钟周期部分设置为1 ns,正常工作时复位信号RS 为高电平,然后对RS、φ、SH 信号进行仿真,结果如图8 所示。

图8 QuartusⅡ仿真效果图
5 结束语
研究的线阵CCD 驱动电路主要是以CPLD 为驱动中心而设计,这种方案减少了以往驱动电路的电路体积大、设计复杂、调试困难等缺点,增加了系统的稳定性、可靠性,集成度高且抗干扰能力强。通过对硬件和软件大量的模拟实验表明,文中所研究的线阵CCD 驱动脉冲信号能够满足CCD 工作所需的基本功能,达到了设计要求。
来源;电子工程网
下一篇:基于CAN总线的运动控制系统设计
从profibusDP转ModbusTCP,一网打尽转换技巧!