时间:2019-09-23 16:07
人气:
作者:admin
1 引言
近年来,随着便携式数字电子产品笔记本计算机、数字式移动电话、手持式测试仪表等的迅速发展,要求使用体积小、功耗低、电池耗电小的器件,数字系统的工作电压已经从5V降至3V甚至更低(例如2.5V和1.8V标准的引进)。但是目前仍有许多5V电源的逻辑器件和数字器件可用,因此在许多设计中3V(含3.3V)逻辑系统和5V逻辑系统共存,而且不同的电源电压在同一电路板中混用。随着更低电压标准的引进,不同电源电压逻辑器件问的接口问题会在很长一段时间内存在。本文讨论的是使用TTL和CMOS的3V和5V系统中逻辑器件间接口的基本概念和电路实例。理解了这些概念可避免不同电压的逻辑器件接口时出现的问题和保证所设计的电路数据传输的可靠性。
2 逻辑电平不同,接口时出现的问题
在混合电压系统中,不同电源电压的逻辑器件相互接口时会存在以下3个主要问题:
加到输入和输出引脚上允许的最大电压的限制问题;
两个电源间电流的互串问题;
必须满足的输入转换门限电平问题。
器件对加到输入脚或输出脚的电压通常是有限制的。这些引脚有二极管或分离元件接到Vcc。如果接入的电压过高,则电流将会通过二极管或分离元件流向电源。例如3V器件的输入端接上5V信号,则5V电源将会向3V电源充电。持续的电流将会损坏二极管和电路元件。
在等待或掉电方式时,3V电源降落到0V,大电流将流通到地,这使总线上的高电压被下拉到地,这些情况将引起数据丢失和元件损坏。必须注意的是:不管是在3V的工作状态或是0V的等待状态部不允许电流流向Vcc。
另外用5V的器件来驱动3V的器件有很多不同情况,同样TTL和CMOS间的转换电平也存在不同情况。驱动器必须满足接收器的输入转换电平,并要有足够的容限和保证不损坏电路元件。
以上问题在详细地分析一些具体电路后便会很清楚。
3 可用5V容限输入的3V逻辑器件
3V的逻辑器件可以有5V输入容限的器件是LVC、LVT、ALVT、LCX、LVX、等系列。此外,还有不带总线保持输入的飞利浦ALVC器件也是5V容限。
3.1 ESD保护电路
为了说清楚为什么3V器件可以有5V的输入容限,首先介绍逻辑电路输入端的静电放电(ESD)保护电路的工作原理。
实际上数字电路的所有输入端部有一个静电放电(ESD)保护电路,如图1(a)所示。传统的CMOS电路通过接地的二极管D1、D2对负向高电压限幅而实现保护,正向高电压则由二极管D3钳位。这种电路的缺点是为了防止电流流向Vcc电源,最大的输入电压被限制在Vcc+0.5V。对Vcc为3V的器件来说,当输入端直接与大多数5V器件输出端接口时允许的输入电压会太低。大多数5V系统加到输入端的电压可达3.6V以上。有些3V系统电路可以使用两个MOS场效应管或晶体管T1、T2代替图1(a)中的D1、D2二极管,如图1(b)所示。T1、T2的作用相当于快速齐纳二极管对高电压限幅。由于去掉了接到Vcc的二极管D3,因此最大输入电压不受Vcc的限制。典型情况下,这种电路的击穿电压在7-10V之间,因此可以适合任何5V系统的输入电压。

(a)传统的ESD保护电路,输入电压被限制在Vcc+0.5V

(b)改进的ESD保护电路,输入电压不受Vcc限制
图1 CMOS ESD保护电路
由上分析可知,改进后具有ESD保护电路的3V系统的输入端可以与5V系统的输出端接口。
3.2总线保持电路
总线保持电路就是有一个MOS场效应管用作上拉或下拉器件,在输入端浮空(高阻)的情况下保持输入端处于最后有效的逻辑电平。图2(a)中的电路为一LVC器件总线保持电路的例子。在该例子中制造商采取了改进措施而使其输入端具有5V的容限。其基本原理如下:P沟道MOS场效应管T1具有一个内在的寄生二极管,它连接在漏极和衬底之间,通常源极与衬底是连在一起的,这就限制了输入电压不能高于Vcc+0.5V。现在的措施是用常闭接点S1将源极与衬底相连,当输入端电压比Vcc高0.5V时,比较器使S2闭合,S1断开,输入端电流不会通过二极管流向Vcc而使输入具有5V的容限。图2(b)是LVT和ALVT器件总线保持电路的例子。这种电路用了一个串联的肖特基二极管D,这样就消除了从输入到Vcc的电流通路,从而可以承受5V输入电压。对于3V的总线保持LVC、LVT和ALVT系列器件可以承受5V的输入电压。但对于3V的ALVC、VCX等系列器件则不能,它们的输入电压被限制在Vcc+0.5V。

(a)在LVC总线保持电路中,当输入电压上升超过Vcc时,比较器使S1开路,消除了至Vcc的电流通路

(b)LVT和ALVT器件,反向偏置的肖特基二极管断开了到Vcc的电流通路
图2具有总线保持电路的输入端
下面讨论输出端的情况。图3是用于3V CMOS器件的输出电路的简化形式。当输出端电压高于Vcc 0.5V(二极管压降)时,P沟道MOS场效应管T1的内部二极管会形成一条从输出端到Vcc的电流通路。所以这种电路在与5V器件相接时需要加保护电路。

图3简化的CMOS输出级
图4是一种带保护电路的CMOS器件输出电路。当输出端电压高于Vcc时,比较器使S1开路,S2闭合,使电流通路消失,这样在三态方式时就能与5V器件相接。

图4带保护电路的CMOS输出端
3.3 biCMOS输出电路
LVT和ALVT器件的biCMOS输出电路如图5所示。它用双极NPN晶体管和CMOS场效应管来获得输出电压摆幅达到电源电压的要求。电流不会通过NPN双极晶体管T1回流到Vcc,但在P沟道MOS场效应管中的内在二极管仍然会形成一条从输出端到Vcc的电流通路(为了简化,图5中没有画出该二极管)。因此这种电路不能接高于Vcc的电压。

图5 biCMOS输出电路
对图5电路所加的保护电路,如图6所示。增加了反向偏置的肖特基二极管D1,用以防止电流从输出端流到Vcc。为了简化,图中没有画出双极晶体管。图6中的输出端与5V驱动器共用一条总线。在三态方式时,电路可以得到保护。当出现总线争夺即两个驱动器部以高电平驱动总线时,比较器将P沟道MOS场效应管T1断开。当3V器件处于等待方式而3V电源为0时,比较器和肖特基二极管D1可以起保护作用。

图6用比较器和反向偏置的肖特基二极管保护3V器件的输出端
4 3V、5V混合系统中不同电平器件接口的4种情况
为了保证在混合电压系统中数据交换的可靠性,必须满足输入转换电平的要求,但又不能超过输入电压的限度。图7就是各种转换电平的例子:
TTL电平输入高电平VIH 2V以上
输入低电平VIL 0.8V以下。
CMOS电平VIH为0.7×Vcc以上
VIL为0.3×Vcc以下。

图7 TTL及CMOS器件的转换电平
例如Vcc为5V±0.5V的系统,CMOS的输入电压VIH至少是3.85V,而VIL必须小于1.35V。在3V/5V混合系统的设计中,必须讨论以下4种信号电平的配置
5V TTL输出驱动3V TTL输入;
3V输出驱动5V TTL输入;
5V CMOS输出驱动3V TTL输入;
3V输出驱动5V CMOS输入。
(1)通常,5V TTL器件可以驱动3V TTL输入,因为典型双极晶体管的输出并不能达到电源电压幅度。当一个5V器件的输出为高电平时,内部压降限制了输出电压。典型情况是Vcc-2VBE,即约3.6V。这样工作通常不会引起5V电源的电流流向3V电源。但是,因为驱动器结构会有所不同,因此必须控制驱动器的输出不宜超过3.6V以防万一。
(2)用3V器件驱动5V TTL的输入端应当是没有困难的。不管是CMOS或biCMOS器件,3V器件实际上能输出3V摆幅的电压。对5V TTL输入的高电平2V门限是容易满足的。
(3)当用5V CMOS器件来驱动3V TTL输入时,必须小心选择。要选用的3V接收器件应具有5V的容限。
(4)前面曾谈到3V输出可以驱动5V TTL器件输入,但要注意对5V CMOS器件的输入来说情况却大不一样。应该记住3V输出是不能可靠地驱动5V CMOS输入的。在最坏的情况下,当Vcc=5.5V时所要求的VIH至少是3.85V,而3V器件是不能达到的。
5 两种电平移位器件
上面讨论了不同电平器件接口的4种情况,那么对于第4种情况该怎么办?这里介绍两种电平移位器件可以解决类似问题。
(1)双电源电平移位器74LVC4245
74LVC4245是一种双电源的电平移位器,如图8所示。5V端用5V电源作为Vcc,而3V端则用3V作为Vcc。它的功能类似于常用的收发器74LVC245,所不同的是用两个电源而不是一个电源。
74LVC4245的电平移位在其内部进行。双电源能保证两边端口的输出摆幅部能达到满电源幅值,并且有很好的噪声抑制性能。因此该器件用来驱动5V CMOS器件的输入是很理想的。它的缺点是增加了功耗。

图8 74LVC4245电平移位器
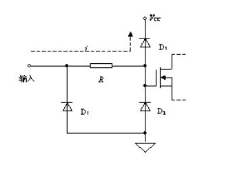
较为简单的一种电平移位器件是74LVC07。它使用一个漏极开路缓冲器去驱动5V CMOS器件的输入,如图9所示。它的输出端由一个上拉电阻R接到5V电源。

图9 74LVC07电平移位器
6 结论
5V器件能和3V甚至更低电压的器件共存于一个系统中。这种情况已经存在并将存在相当长的时间。在设计这种系统时要分析其中逻辑器件的接口问题。其关键是理解和运用以上讨论的基本概念以保证所设计的电路在不同电压器件间数据传输的可靠性。
来源;21ic
从profibusDP转ModbusTCP,一网打尽转换技巧!