时间:2019-07-10 15:23
人气:
作者:admin
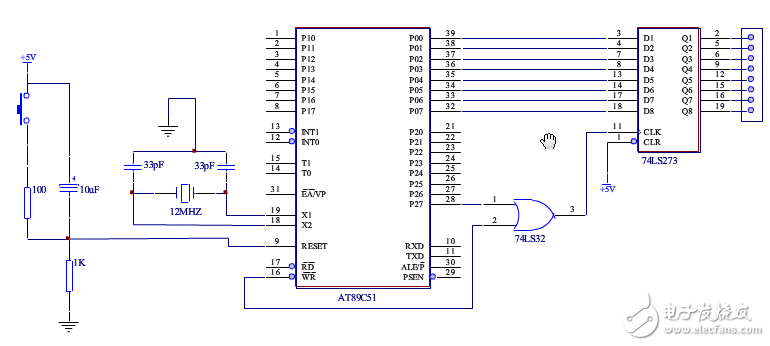
跑马灯/输入输出接口(片选地址74LS273)

;NAME: 跑马灯
;AUTOR:
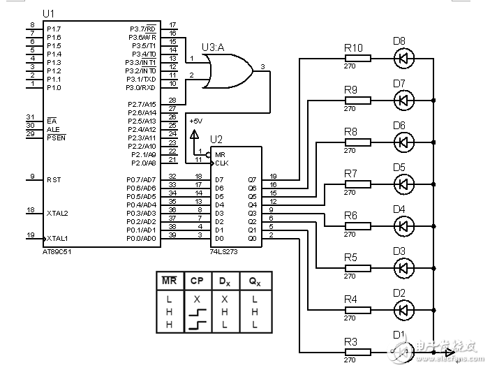
;CONTENT: P1.0~P1.7接发光二极管L1~L8
CSEG AT 4000H ;定义起始地址,为什么是4000H呢
;存储器:程序存储器、数据存储器统一编址,达64K,板上ROM(16K);RAM
;(32K)供用户使用,可扩展至48k。用户存储器起始地址为4000H;8051原
;有中断入口地址均定位在偏移4000H之后的相应地址
LJMP START
CSEG AT 4100H
START:
MOV A, #01H; 先让第一个发光二极管点亮 ,选#01的原因是加了反相器
LOOP:
MOV P1 A; 从P1口输出到发光二极管
DELAY500MS: ;延时0.5秒
MOV R7,#0BH DL1:
MOV R6,#5CH DL0:
MOV R5,#7AH DJNZ R5,$ DJNZ R6,DL0 DJNZ R7,DL1
RL A ; 左移一位,点亮下一个发光二极管
LJMP LOOP
END

;NAME: 输入输出接口(读出开关的闭合还是断开);AUTOR: ;TIME:2012年4月12日 18:22:14;CONTENT: P1.0~P1.7接按钮K1~K8;74LS273的SO0~SO7接发光 二极管L1~L8,片选端CSU8\接CS0(由程序选择的入口地址而定)。
PORT EQU 0CFA7H ;片选地址CS0 CSEG AT 4000H;绝对寻址,同上
LJMP START
CSEG AT 4100H
START:
MOV P1, #0FFH
LOOP:
MOV A, P1 ;从P1口读取开关状态
MOV DPTR, #PORT
MOVX @DPTR, A ;从74LS273输出到发光二极管
LJMP LOOP ;循环 END
片选地址74ls172的接法

74LS273是一个八位的数据/地址锁存器。本例采用74LS273扩展I/O输出端口,通过片选信号和写信号将数据总线上的值锁存在74LS273中,同时在74LS273的端口输出数据。当数据总线上的值撤销后,由于74LS273能锁存信号,所以74LS273的输出端保持不变,直到有新的数据被锁存。
1. 硬件设计
创建一个新的Design,添加如下元件(略去晶振和复位电路):
元 件 名所 在 类参 数备 注
AT89C51Microprocessor ICs
8051 Family
单片机
LED-YELLOWOptoelectronics
Leds
LED
RESResistors
Generic270Ω电阻
74LS273TTL 74LS Series
Flip-Flop & Latches双稳态多谐振荡器&闭锁锁存器
74LS32TTL 74LS Series
Gates & Inverters门电路 & 反相器或门

用8个发光二极管显示单片机的输出数据,输出为低电平时LED灯亮。74LS273的D0~D7为8位数据输入端,接单片机的P0口,Q0~Q7为8位数据输出端,CLK为触发时钟输入端,MR为数据清除使能端。采用或门74LS32进行地址译码,U3:A的输入端分别接单片机的P2.7口和WR口,输出端接74LS273的CLK口。
从74LS273的真值表可以看出,当MR为低电平时,所有的Q端为0,否则Q端随D端而定,因此,MR应置为高电平。CLK在上升沿时完成数据锁存操作,因此U3:A的输出必须完成一个由低到高的变化。当写指令有效时,输出低电平,只有P2.7同时为低电平时,才能在写指令完成时实现一个由低到高的电平变化,这样在写完成后,数据被74LS273锁定。可见,74LS273地址应该为0XXX XXXX XXXX XXXX,一般我们设为7FFF。
2. 程序设计
在Keil C51中,有以下的内存类型:
code 以 MOVC a,@A+DPTR 读取的程序内存
data 可以直接存取的内部数据存储器
idata 以 Mov @Rn 存取的内部数据存储器
bdata 可以位寻址(Bit Addressable)的内部存储器
xdata 以 MOVX @DPTR 存取的外部数据存储器
pdata 以 MOVX @Rn 存取的外部数据存储器
为了定义使用方便,在absacc.h文件中对此进行了宏定义,比如此例中的地址0x7fff,就可写为XBYTE[0x7fff]。
#include “at89x51.h”
#include “absacc.h”
#define A74273 XBYTE[0x7fff]
void main(void)
{
A74273 = 0x2b;
while(1);
}
注意了:当写指令有效时(应该是WR,无效时为高),输出低电平,只有P2.7同时为低电平时,才能在写指令完成时实现一个由低到高的电平变化,这样在写完成后,数据被74LS273锁定。可见,74LS273地址应该为0XXX XXXX XXXX XXXX,一般我们设为7FFF。
下一篇:单片机多机通信系统的设计
从profibusDP转ModbusTCP,一网打尽转换技巧!