时间:2019-03-29 14:19
人气:
作者:admin
各位工程师对于CAN总线隔离方案想必都极为熟悉,但可能会遇到CAN总线采用了隔离方案依旧通讯异常的情况。这一类问题应该怎么解决呢?本文将对各类方案电路原理为大家分析原因并提供相应解决方案。
常见主流收发器芯片
随着汽车电子和工业的迅猛发展,CAN总线被广泛的应用各行各业的总线通信上。半导体行业的不断更新,早期的CAN收发器已经不能满足现在的需求,世界上CAN收发器的生产公司,也在不断地进行技术更新,推出性能更好的CAN收发器。
目前主流的CAN收发器是PCA82C250/251,TJA1040/1050T/1051以及ZLG的CTM系列与SC系列隔离CAN模块等。
PCA82C250/251是最早期的CAN收发器,采用的是三极管构架的,在电磁辐射和斜率控制上不是很理想,高速CAN上容易出现下冲;
TJA1040/1050T/1051和MC33901基本性能参数优良;
ZLG的CTM隔离CAN模块是集成了CAN收发器、电源及信号隔离于一体。
总线隔离方案
为保证CAN网络的通讯稳定性,通讯接口通常会做隔离,目前隔离CAN的方案包括两种,其一,采用收发器芯片、隔离芯片以及隔离电源分立搭建隔离CAN电路,电路简图如下图所示。

采用分立的方案搭建,从物料成本来判断,较为节约成本,但隔离电路的稳定性和一致性不好保证,需要工程师自主要调节到好电路的隔离效果,在研发投入以及后期的物料管理等方面需要进行相应投入。全隔离模块方案相比于分立芯片的价格偏高,但在会经过一系列的可靠性与EMC测试,能够保证在产品性能的一致性与稳定性。
为什么隔离总线接口还需要保护
目前,工业产品对通信接口的EMC等级要求越来越高。许多应用要求满足IEC61000-4-2静电放电4级,IEC61000-4-5浪涌抗扰4级要求。一般的收发器ESD、浪涌的防护等级均比较低,如CTM1051M隔离CAN收么器的隔离耐压为2500VDC,裸机情况下,ESD、浪涌等级均较低。所以有必要增加外围电路,提高通信端口的EMC等级。
总线接口保护电路
方案一
结合隔离收发器的特性,此处提供了一个隔离CAN、485收发器的外围保护电路,如下图。

此保护电路主要由气体放电管、限流电阻、TVS管、共模电感组成。气体放电管GDT用于吸收大部分浪涌能量;限流电阻R2、R3限制流过TVS管的电流,防止流过TVS管的电流过大损坏TVS管;TVS管将收发器引脚之间的电压限制在TVS的钳位电压,保护后级收发器芯片。T1用于抑制收发器对外界造成的传导骚扰,并抑制部分共模干扰。此保护电路可以有效地抑制共模浪涌及差模浪涌。电路推荐参数如下表所示,根据此表的推荐参数,可满足IEC61000-4-2,IEC61000-4-5 4级要求。

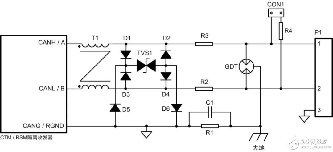
方案二
方案一的电路中,TVS管的结电容较大,可达到上百皮法,并不适合节点数较多的应用场合。如果总线节点数较多,建议增加快恢复二极管,如HFM107,以降低结电容对通信造成的影响,如下图所示。

上图中,D1~D4四个快恢复二极管组成一个桥式结构,与TVS1结合实现总线对差模浪涌信号的抑制。D5、D6实现共模浪涌信号的抑制。
实际应用中,若总线参考地与大地有绝缘电阻要求,可将R1、C1更换为气体放电管,如2RM090L。
本文给出的隔离收发器保护电路,仅作为参考设计。实际的总线应用复杂,外围保护电路也需要根据总线节点数、总线长度等因素进行实际调整,才能达到满意的保护效果。
方案三
可以采用ZLG的SP00S12浪涌保护模块,可用于各种信号传输系统,抑制雷击、浪涌、过压等有害信号,对设备信号端口进行保护。搭配ZLG的全隔离CTM或SC系列的隔离CAN收发器,可极大程度的提升产品的集成度,于此同时极大程度的缩小开发周期。
方案四
ZLG在总线隔离方面已经有近二十年的设计经验积累,全新推出了内部集成了高防护电路的隔离CAN模块CTM1051(A)HP,再度提升了模块的防护能力,EMC防护等级较常规方案性能实现极大提升,如下表所示。

从profibusDP转ModbusTCP,一网打尽转换技巧!