时间:2019-05-17 15:18
人气:
作者:admin
CAN总线设计规范对于CAN节点的信号边沿各项参数都有着严格的规定,如果不符合规范,则在现场组网后容易出现不正常的工作状态,各节点间出现通信故障。具体要求如表 1所示,为测试标准“GMW3122信号边沿标准”。

所以每个厂家在产品投入使用前,都要进行CAN节点DUT(被测设备)的信号边沿参数测试。一般是使用GMW3122信号边沿测试的CAN测试方法,如下描述:
如图 1所示,我们以信号跳变过程的20% ~ 80%定义为该信号的上升时间与下降时间。
如何准确测量CAN节点的信号边沿参数

图 1 上升沿与下降沿
如表 1所示电容匹配的条件下,选择被测DUT的适应条件,如图 1所示,测试接线小于1米,测试被测DUT的信号差分电平Vdiff=VCANH-VCANL的上升时间和下降时间(电压20%~80%的区间)。
上升时间:从隐性到显性状态过渡时间。下降时间:从显性向隐性状态过渡时间。进行测量时,每个边沿至少测量1000次,以确定边缘上升/下降时间的最小值和最大值。
如何准确测量CAN节点的信号边沿参数

图 2 信号边沿测量接线图
由此可见,该方法虽然可以测量出CAN节点的上升沿与下降沿,但需要使用示波器进行上千次的人工操作测量,即浪费时间人力,又可能存在测量误差,且由于样本数量有限,还不一定能完全反映设备的真实性能。所以为了简化操作,提高测量结果的准确度,节约人工成本,广州致远电子股份有限公司改进了测试方法,使用CANScope-Pro总线分析仪、CANScope-StressZ扩展板进行全自动的大数据量统计分析测量。
测试方案如下:
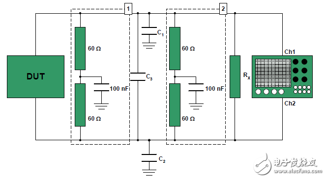
1.测试使用CANScope-Pro与CANScope-StressZ扩展板, DUT上电后,一直发送CAN报文。CANScope不勾选总线应答,其黑色表笔(地)要和DUT的CAN收发器共地。如图 3所示,进行测试连接。
如何准确测量CAN节点的信号边沿参数

图 3 边沿测试接线图
2. 如图 4所示,配置干扰源为外部,便于启用Vdis+和Vdis-的外部输入接口。注意GND是在Vdis+和Vdis-外部输入口中间那个接口,用于和CAN收发器的地连接。
如何准确测量CAN节点的信号边沿参数

图 4 调整CANScope-StessZ干扰源为外部
3. 按表 1所示,选择对应的测试条件进行测试。
将Vdis+和GND、Vdis-和GND间各接入表 1所要求的C1、C2电容,调整CANScope-StressZ的控制面板将CHL调节为表 1所要求的C3电容。然后启动CANScope-StressZ。
4. 将DUT启动,发送报文,通过CANScope记录一段时间报文和波形后,点击CANScope的停止,点击工具栏中的边沿统计。如图 5所示
如何准确测量CAN节点的信号边沿参数

图 5 边沿统计图标
5. 点击边沿统计,获得结果,如图 6所示。
如何准确测量CAN节点的信号边沿参数

图 6 边沿统计(升序排列)
6. 点击排序为上升时间,升序排列中,第一条为上升时间最小值,如图 6所示,为31.1ns;降序排列中,第一条为上升时间最大值,如图 7所示。同理,可以分析出下降时间的最小值,和最大值。
如何准确测量CAN节点的信号边沿参数

图 7 边沿统计(降序排列)
CANScope分析仪周立功致远电子研发的一款综合性的CAN总线开发与测试的专业工具,集海量存储示波器、网络分析仪、误码率分析仪、协议分析仪及可靠性测试工具于一身,并把各种仪器有机的整合和关联;重新定义CAN总线的开发测试方法,可对CAN网络通信正确性、可靠性、合理性进行多角度全方位的评估;帮助用户快速定位故障节点,解决CAN总线应用的各种问题,是CAN总线开发测试的终极工具。
从profibusDP转ModbusTCP,一网打尽转换技巧!