时间:2018-09-05 17:19
人气:
作者:admin
工业现场经常需要同时隔离RS-232与RS-485,通常是用两个隔离DC-DC搭配单独的信号隔离电路的方案,但隔离的性能存在差异性,并且占板面积较大。本文将为你介绍一种稳定可靠、应用简便的全隔离解决方案。
一、通讯管理机的接口电路简述
通讯管理机在电力系统中可以采集多个子系统的数据,通过集中处理和回执,完成电力系统中的数据交互。对外通常需要集成多路RS-232、RS-485、CAN、以太网接口等。
图1 通讯管理机应用拓扑
通讯管理机对于嵌入式主控CPU的接口资源要求较高,常常需要通过各种方式来扩展通讯接口;同时电力通讯设备工作环境较为复杂,对于隔离抗干扰性能有刚性需求。但按常规的设计方案,采用分立的隔离DC-DC、信号隔离、收发器、保护电路等设计出的接口隔离电路占用PCB面积大,物料采购的种类繁多,也不便于单独测试通信接口的性能。
图2 常见的通讯管理机
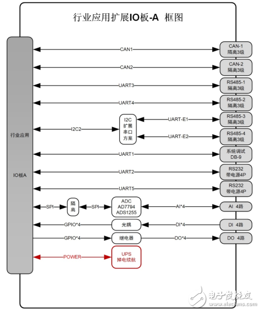
如下所示为常见通讯管理机需要的扩展资源IO板,通讯接口包括CAN、RS-485以及RS-232。常规模块方案可以使用致远电子的CTM1051KT、RSM485ECHT以及RSM232隔离模块,体积虽然较分立方案有极大的改善,但还不是最佳方案。下文将为各位介绍,产品集成度更高,应用更便捷的解决方案。

图3 常见的通讯管理机
二、MPM的特性与通讯管理机的结合应用
ZLG致远电子的MPM系列模块创造性的将常用的RS-232和RS-485结合在一起,结合通信管理机的应用,带来的额外优势主要如下表:

MPM的部分细节电参数细节如下:

图4 MPM模块选型表
三、MPM接成RS-232转RS-485的应用
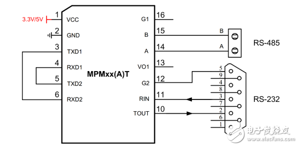
因为MPM的RS-485支持自动流控,即意味着只需要TXD、RXD即可完成RS-485的通信。因此,把MPM产品RS-232和RS-485的UART口交叉连接,即支持RS-232转成RS-485,同时RS-232和RS-485之间同样带完整的电气隔离,对于调试串口、隔离总线干扰等的应用非常方便,如下图。

四、总结
根据目前工业产品通信隔离需求,专门研发出MPM系列多协议隔离模块,将隔离电源、通信隔离电路、ESD保护电路集成封装在一个模块中,将电路设计化零为整,只需要简单的电气连接,就可以实现RS-485/232通信隔离,隔离电压高达3500VDC,满足绝大多数应用需求。
在科技快速发展的今天,由于工业产品诸多设计要求的限制,还很难做到像手机这种消费类产品一样精致,但工业产品的小型化发展是必然的。一个模块的使用,或许无法让工业产品彻底摆脱“傻大笨粗”的形象,但致远电子一直在工业产品小型化、模块化的道路上努力着,探索者。
从profibusDP转ModbusTCP,一网打尽转换技巧!