时间:2018-09-21 10:02
人气:
作者:admin
尽管蓝牙、以太网和其他连接选项普及广泛并支持高数据速率,但工业应用设计人员仍然需要确保以最低成本获得最可靠的连接。此外,连接选项的用户基数也带来了限制。
鉴于这些以及其他原因,传统 4-20 mA 电流环路和 RS-485 接口目前仍在广泛使用和不断改进,并应用于新装置中。这两种选项的优势不仅在于其大量的用户基数,如果运用得当,它们可以有效解决接口问题,并且麻烦最少。
电流环路和 RS-485 的优点在于其设计导入、设置和故障排除均很简单。此外,电流环路和 RS-485 标准仅定义了七层网络模型中的最低层,即物理接口层,并未定义特定握手协议或数据格式。因此,用户可根据需要选择低复杂度或高复杂度应用方式,以最小的系统负担,有效解决其特定变送器接口问题。
为了让设计人员充分利用 4-20 mA 电流环路和 RS-485 变送器接口格式的特性,IC 供应商已设法拓宽这些传统接口的应用范围和多功能性。同时,为简化使用、提高性能和可靠性,供应商正不断增加功能和特性。
本文将回顾 RS-485 和 4-20 mA 电流环路变送器接口的基础知识。然后将介绍接口解决方案,解释其增强功能和性能特征,以及如何利用它们解决实际设计问题。
尽管 4-20 mA 电流环路和 RS-485 均广泛用于工业监控和数据采集系统 (SCADA),但采用的接口方式截然不同。它们为报告物理因素(例如温度、开关位置和电机状况)或发送操作指令(例如调节阀门设置和电机速度)的变送器提供电气连接。
4-20 mA 模拟电流环路(也称为 20 mA 环路或 0-20 mA 环路)是一个非常古老的标准,可追溯到使用电路技术替代气动信号的早期年代。其原理非常简单:4 mA 电流代表“无信号”,而 20 mA 代表满量程信号(图 1)。例如,此信号可以是一个经调节的热电偶读数,或是一个发送阀门开/关操作指令的信号。

图 1:4-20 mA 电流环路的原理很简单:用模拟电流代表传感器信号,其中 4 mA 代表零输出,20 mA 代表满量程输出;它也可用来驱动变送器。(图片来源:National Instruments)
顾名思义,电流环路并非是类似总线的标准,相反,每个变送器都有自己的环路。由于电流环路是低阻抗电路(与电压互连不同),因此环路对干扰噪声和 EMI/RFI 拾取相对不敏感,而二者在工业环境中都很常见。
尽管每台变送器使用一个环路的线缆成本较高,但这也意味着每台变送器均采用独立接口;因此,任何给定环路出现诸如短路或开路问题,都不会对其他环路产生影响,从而使设计人员更具信心。此外,如果电流降至 0 mA,而最低有效变送器信号为 4 mA,因此系统可以轻松检测环路断线。
最后,可使用环路电流本身为变送器及其接口供电,仅使用非用于环路信号范围的 4 mA 电流即可。由于每个变送器不需要单独环路电源,因此系统实施成本很低。
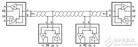
相比之下,RS-485 电压接口标准(现正式称为 TIA/EIA-485A)允许在一条总线上连接多个收发器(图 2)。它通常最多与 30 个收发器配合使用,但也可连接更多收发器。它是传统 RS-232 和相关 RS-422、RS-423 标准的多分支超集,可设置为半双工或全双工运行。互连布线采用低成本差分(平衡)双绞线,以最大限度地减少噪声拾取,单线对用于半双工运行,双线对用于全双工运行。

图 2:RS-485 标准支持多分支总线上的多个收发器,半双工和全双工运行时分别使用两条和四条线缆。(图片来源:Texas Instruments)
所有接收器可同时收听,但在给定时间只能有一台 RS-485 发射器处于有源状态。其他发射器处于“三态”模式,并表现为高阻抗,因此对总线“不可见”。为消除线路反射,每个电缆端端接一个阻值与电缆特性阻抗相匹配的电阻器。这种并行端接方法允许在较长电缆上实现更高的数据速率。
为兼容多个潜在发射器,系统必须使用顺序轮询或通过控制请求实施排列,以确保没有数据冲突。虽然这可能会限制吞吐率,但通常问题不大,因为此类系统的总体数据负载相对适中。该标准可以支持数兆位每秒 (Mbps) 的原始数据速率和 4,000 英尺的传输距离(尽管无法同时实现,因为存在速度与距离的权衡),并可实现高效布线,因为只需一对线缆即可连接所有用户。
电流环路和 RS-485 接口历史久远、成熟度高,并有很多支持组件,目前既用于新设计,也用于升级现有装置。在使用简便性、格式/协议灵活性、成本效益和低功耗具有重要意义的用例中,新设计更胜一筹。
因此,目前可使用多种 IC 来增加额外功能和特性,以便拓宽其使用范围,满足当今装置的需求,其中包括低功耗运行、ESD 保护改良、更高的速度以及电流(欧姆)隔离。
低功耗运行:低功耗运行可使系统达到提升能效的目标,此外它还能降低组件的热负载和冷却需求,从而提升整体可靠性。
如何实现这些需求呢?不妨看看 Maxim Integrated 的 MAX12900AATJ+。这是一款超低功耗的高度集成式 4-20 mA 传感器发射器,主要功能是将变送器微控制器的脉宽调制 (PWM) 数据转换为 4-20 mA 的电流。为实现完整灵活的信号调节,该设备集成了十个功能块,包括多个 PWM 输入、两个低漂移通用运算放大器、一个零偏移低漂移运算放大器、两个比较器、一个上电定序器、一个低漂移电压基准和一个宽输入供电电压线性稳压器 (LDO)。
尽管具有上述诸多功能块,但 MAX12900AATJ+ 的电源电流低于 200 微安 (µA),因此可通过“未使用”的 4 mA 环路电流轻松供电。作为一个侧重于工业应用的组件,设计人员需要用到其重要的诊断特性,例如供电源轨监视、输出电流回读以及开路和故障检测。此外,MAX12900AATJ+ 外形小巧,采用 5 mm x 5 mm 的 32 引脚 TQFN 封装,可安装在变送器上。
虽然 4-20 mA 环路的基本操作非常简单,但 MAX12900AATJ+ 并非一个简单 IC,其规格书提供了超过 90 幅静态和动态性能图、范围图片、工作特性图和应用设计导入原理图,由此可见一斑。此 IC 在温度和顺从电压方面都很稳定,而这两项均为工业环境中的重要特性(图 3)。

图 3:Maxim MAX12900AATJ+ 电流环路发射器的一个典型特征是其在供电电流相对于温度(左)和供电电流相对于供电电压(右)方面的稳定性。(图片来源:Maxim Integrated)
Texas Instruments 的 SN65HVD37 RS-485 全双工驱动器/接收器是另一种低功耗设备。该 IC 由一个 3.3 伏电源供电运行,具有低电流待机模式,只需不到 1 μA(典型值)的电流,工作静态电流则低于 1 mA。收发器 IC 低电压运行的一个关键问题是其低噪声容限和抗噪性,但 SN65HVD37 结合了一个强大的差分驱动器和一个具有 60 毫伏高抗噪性的接收器(图 4)。

图 4:Texas Instruments 的 SN65HVD37 RS-485 全双工驱动器/接收器采用低电压轨,但具有优化的抗噪性(这是工业系统的一个考虑因素)。(图片来源:Texas Instruments)
无毛刺的上电和掉电设计为热插拔应用提供保护,因此当通用总线上有许多其他有源单元且其关断会带来很大麻烦时,这一特性成为一个日益重要的维修考虑因素。同时,该设备经过专门设计,在无效总线状态下接收器进入“故障保险”模式。
无效总线状态可能由以下原因导致:总线开路状况,例如连接器断开;总线短路状况,例如电缆损坏导致双绞线同时短路;或总线上无驱动器主动驱动时,总线进入待机状态。在这类情况下,差分接收器输出可保证处于逻辑高态,确保接收器的输出不会处于不定状态。
ESD 和瞬态保护:虽然所有 4-20 mA 和 RS-485 IC 均集成了一定程度的保护措施,但小型高功能性 IC 的工艺尺寸更为紧密,这意味着使用它们的设计人员愈发关注 ESD/瞬态故障,因此供应商正纷纷增加额外的内部保护结构。
例如,Maxim Integrated MAX22502E 是一款适用于长距离电缆的 100 Mb/s 全双工 RS-485/RS-422 收发器。它通过对已发送波形进行用户可设置的预加重,来补偿线路引起的失真,进而降低码间干扰 (ISI) 和相关误码率 (BER),借此达到高达 100 Mb/s 的速度(图 5)。所有这些均在一个 3 × 3 mm 的封装内完成。

图 5:Maxim Integrated MAX22502E RS-485 收发器包含驱动器预加重功能,可将长距离电缆造成的 ISI 降至最低,从而确保低 BER。(图片来源:Maxim Integrated)
不过,对长距离线路适用也意味着其很可能成为 ESD 和瞬态的“牺牲品”。为克服此问题,MAX22502E 集成了比此类 IC 3 至 5 千伏电平标准更高的额外 ESD 保护。此保护功能增强了稳健性,一方面表现为基本共模范围为 -15 伏至 +15 伏,另一方面表现为驱动器输出可防止短路。由此,MAX22502E 符合更多增强型 ESD 标准,包括 ±15 千伏 ESD 保护(人体模式,HBM)、±7 千伏 IEC61000-4-2 气隙 ESD 保护和 ±6 千伏 IEC61000-4-2 接触放电 ESD 保护。
对于 RS-485 应用,Texas Instruments 提供面向电表、逆变器、HVAC 系统和视频监控系统的 THVD1500 低功耗 3.3 伏全双工驱动器/接收器。该设备由一个 5 伏单电源供电运行,但具有宽共模电压范围和总线引脚低输入漏泄,因此适用于长距离电缆线路上的多点应用。
虽然它是低速设备(最高 256 Kb/s),但总线上的低单位负载支持连接多达 256 个收发器,可用于大型网络。它可提供全面的保护,可应对 ±16 千伏 HBM ESD、±8 千伏 IEC 61000-4-2 接触放电、± 10 千伏 IEC 61000-4-2 气隙放电和 ±2 千伏 IEC 61000-4-4 快速瞬态脉冲。
THVD1500 等 RS-285 收发器运行时的数据速率相对较低,然而比特率、电缆长度和恶劣工业环境的组合意味着设计布局和相关组件的选择才是成功应用的关键因素(图 6)。需要特别注意印刷电路板(PC 板)布局、离散瞬态保护元件(除了其实质内部保护)的使用和低电感接地层,才能有效使用该等设备。此外,最好能引导瞬态电流的流动,靠近 IC 使用旁路电容器,并使用额外的上拉和下拉电阻器来限制噪声电流(图 6)。
图 6:在工业环境中使用 THVD1500 时,须密切注意印刷电路板的恰当布局,并在靠近总线连接器的位置安装保护电路 (1);将旁路电容尽可能靠近收发器的 VCC 引脚放置 (4);使用两个过孔用于 VCC 连接和旁路电容器与保护设备的接地连接,以最大限度地减少有效通孔电感 (5);并应用上拉和下拉电阻器“启用”线路以限制瞬态事件期间的噪声电流 (6)。(图片来源:Texas Instruments)
电流隔离:有些情况下需要电流输入/输出隔离,这意味着输入和输出之间不存在电流传导路径,但数据必须穿过此隔离栅。需要采取隔离措施,保护系统及其用户免遭输入故障,其可能对节点输出端施加过电压。总线侧故障可能会损坏输入变送器,因此也需要进行保护。另外,将各种变送器接地彼此隔离,可消除接地环路及其引起的经常令人沮丧的敏感问题。
也许最重要的是,隔离也意味着接地或电源轨短路等输入端节点故障不会影响其余的总线及其节点。
隔离设备的一个典型例子是 Analog Devices 的 ADM2795E,这是一款 RS-485 收发器,在其总线引脚上具有高达 ±42 伏的 AC/DC 峰值总线过压故障保护,外加 5 千伏 (rms) 输入至输出隔离(图 7)。
ADM2795E 可应对各种 IEC 61000 ESD 要求,具有与主要关注 ESD 的设备相同或更高的额定值,除此之外,它还符合: IEC 61000-4-x 隔离栅抗扰度标准;IEC 61000-4-2 ESD、IEC 61000-4-4 EFT、IEC 61000-4-5 浪涌标准;IEC 61000-4-6 传导射频抗扰度标准、IEC 61000-4-3 辐射抗扰度标准以及 IEC 61000-4-8 磁场抗扰度标准,并提供大于 75 kV/微秒 (µs) 的共模瞬态抗扰度。

图 7:多个 Analog Devices ADM2795E 收发器可用于实施半双工 RS-485 通信网络,每个节点均完全隔离,因此即使变送器发生故障也不会干扰总线。(图片来源:Analog Devices)
ADM2795E 采用 16 引脚宽 SOIC 封装,工作电压范围为 1.7 V 至 5.5 V,可连接低压逻辑电源。内部隔离功能无需设计导入,且设备完全符合 TIA/EIA RS-485/RS-422 要求。
尽管电位隔离设备可能会带来额外的 BOM 成本和基底面,并需要隔离电源,但也能提供主要优势,即变送器端的故障不会令总线“关闭”。
尽管已使用多年,但 RS-485 接口和 4-20 mA 电流环路仍广泛应用于工业环境。新型和升级系统在低功耗、范围、提高 ESD 抗扰度和电流隔离方面对接口组件提出了更高的性能要求。如文中所述,供应商正在应对这些需求,进而扩大这些传统接口标准的可用性。
从profibusDP转ModbusTCP,一网打尽转换技巧!