全球最实用的IT互联网信息网站!
AI人工智能P2P分享&下载搜索网页发布信息网站地图
时间:2009-08-15 17:10
人气:
作者:admin
标签: 电路图
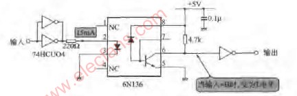
lED驱动一侧逻辑反转的电路图
上一篇:CPLD的串口通信设计
下一篇:共阳极LED的动态驱动电路图
从profibusDP转ModbusTCP,一网打尽转换技巧!
博世CAN SIC XL收发器ASIC NT156介绍
力特奥维斯Littelfuse解读设计高可靠性的汽
RS485接口电路设计全面指南:从基础到实
如何使用ZPS-CANFD进行CAN信号质量评估?
CPU | 内存 | 硬盘 | 显卡 | 显示器 | 主板 | 电源 | 键鼠 | 网站地图
Copyright © 2025-2035 诺佳网 版权所有 备案号:赣ICP备2025066733号 本站资料均来源互联网收集整理,作品版权归作者所有,如果侵犯了您的版权,请跟我们联系。