可组网单总线A/D芯片在多点检测系统中的应用
介绍一种利用可组网新型A/D芯片DS2450具有的单总线特点,结合单片机和一些模拟量输出的传感器所构成的多点多参数系统,介绍了它的硬件和软件设计。
关键词:检测系统;DS2450;单总线技术;单片机
Appl
ica
tion of DS2450 A/D in Multiple Spots Detecting Sy stem
LIU Jianhua, ZHANG Jiancheng, CUI Yuehua, LIU Jingna
(Department of Electrical Engineering, Shijiazhuang Railway Institu
te ,
Shijiazhuang 050043, China)
Key w
ords: detecting system; DS2450; onewire technology;
MCU
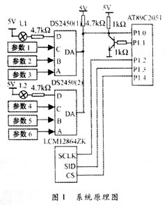
系统原理框图如图1所示。传感器采集的参数在测量现场经DS2450把模拟
信号直接转换为数字量,并传输给
微处理器,由于系统采用了单总线
驱动电路,传输距离能达到200米。工作时,每个AT89C2051通过单总线实现多路多参数的巡检,搜索出超出预先设定的参数极限值的传感器,启动报警指示灯,液晶显示模块LCM12864ZK显示数据(每组传感器有3个,分别放在同一个空间的不同点)。

DS2450是单总线式4通道逐次逼近式A/D
转换器,即有A、B、C和D四个模拟电压输入通道,其由单5V
电源供电,也可采用寄生电源方式供电。
DS2450内部有24个地址毗连的8位存储器,分成3页,每页8字节。
第0页为A/D转换结果存储器。每个通道占2个字节,共16位,芯片上电复位时该页清0;其中00H、01H存储A通道转换结果,其余通道依次类推。
第1页为A/D转换控制与状态存储器。08H、09H对应于A通道,其余通道依次类推。
第2页为各通道输入高/低限报警值存储器。10H存放A通道低门限8位报警值、11H存放A通道高门限8位报警值,其余通道依次类推。
DS2450的通道选择字和预置控制字用于选择参与A/D转换的通道及转换前转换结果存储器的初始化。
值得的注意是:如果DS2450由VCC供电,必须在上电完毕后向地址1CH写入40H,使模拟电路永久地保持在工作状态。限于篇幅,
详细资料读者可查看参考文献[1]。?
在系统上电后,首先初始化DS2450(为了提高系统的稳定性,DS2450设置为8位的分辨率),并在线搜索DS2450的注册码(如只有一个单总线器件,可省去该步),即DS2450的地址,启动A/D转换,读取模拟输入通道的A/D转换值,图2为软件流程图。
由于系统采用单总线协议,必须严格遵守单总线协议的时序。在主机发送完数据后,必须接受DS2450回送的2个字节的CRC冗余校验字节和要写入的数据,否则,
通信会失败。主机根据接受的校验码和数据可以判断DS2450是否接受到正确的数据,以此来决定主机是否需重新发送命令和数据(详见参考文献[1]),以下是部分程序。

在作者主持的一项课题中,成功的应用该方法实现了多点温度、湿度、光照和二氧化碳的检 测,运行效果良好。