时间:2010-02-16 13:49
人气:
作者:admin
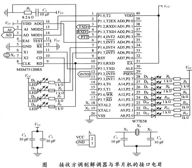
接收方调制解调器与单片机的接口电路
接收方调制解调器电路与战场传感器方调制解调器电路在单片机和调制解调芯片的使用和控制是一样的。所不同的是:单片机的第二串行口通过电平转换电路与计算机的RS 232C口相连,把接收到的数字信号传送给微机。接收方调制解调器与单片机的接口电路如图所示。发光二极管显示电路作用也不完全相同,其中D1~D8为接收数据显示,它能把正确接收的数据以二进数的形式显示出来,D9为系统的电源指示,D10为发送正确指示,D11为载波检测指示,D12为数据传送指示。

从profibusDP转ModbusTCP,一网打尽转换技巧!