时间:2009-07-16 10:05
人气:
作者:admin
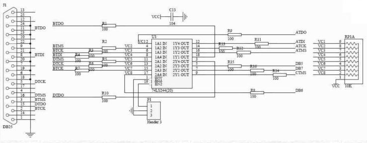
CPLD/FPGAS/51单片机通用的下载电路接法

关于上图的解释
1.上图74LS244左边八根线都与DB25针相连,注意74LS244左边八根线中有两个BTCK是相同的。
2.74LS244右边八根线中的ATDO、ATDI、ATCK、ATMS分别与CPLD或FPGA的TDO、TDI、TCK、TMS相连。
3.74LS244右边八根线中的DB5、DB6、DB7、CTMS分别与AT89S5*单片机的P1.5、P1.6、P1.7、RST相连。
4.当P1插针的上面两个短接时可给CPLD和FPGA下载程序。
5.当P1插针的下面两个短接时可给AT89S5*单片机下载程序
下一篇:传感器与CMOS的接口电路图
从profibusDP转ModbusTCP,一网打尽转换技巧!