时间:2009-03-29 22:02
人气:
作者:admin

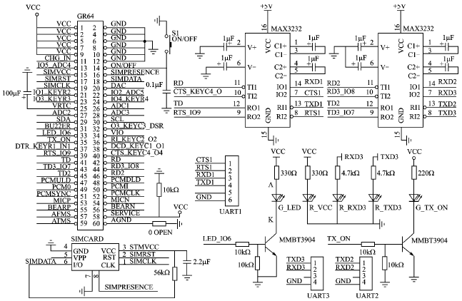
图1 DTU硬件电路图
模块工作电压VCC为3.2~4.5 V,可由降压芯片MIC29302bu将5 V降至典型工作电压3.6 V提供,5个发光二极管分别指示模块GSM网络注册状态,与GPRS网络交互,通信串口数据收发状态;由于模块引脚数字高电平为2.75 V,RS232电平转换芯片最好使用MAX3232等;ON/OFF脚和VREF分别提供给终端,用于控制模块硬件开关机和检测模块开关机状态;USB口为调试信息和打印信息输出口。
下一篇:MMC卡SPI接口电路
从profibusDP转ModbusTCP,一网打尽转换技巧!