阅读全文2020-04-10
阅读全文2020-04-10
阅读全文2020-04-10
阅读全文2020-04-10
阅读全文2020-04-09
阅读全文2020-04-09
阅读全文2020-04-09
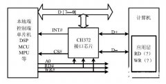
专用USB通信控制芯片USBN9604的特点及实现USB接口的
阅读全文2020-04-09
阅读全文2020-04-09
阅读全文2020-04-09